Вернуться на главную
Поиск
Каталоги запчастей к технике
Спецтехника
XCMG
LW-541F
LW560F.1.2 Узел преобразователя крутящего момента трансмиссии
Каталог запасных частей к технике: XCMG LW-541F. LW560F.1.2 Узел преобразователя крутящего момента трансмиссии
zoom-in
zoom-out
enlarge
shrink
circle-right
circle-left
file-text2
info
cart
Тип техники
Не выбрано
Легковые автомобили
Грузовые автомобили и прицепы
Автобусы
Сельхозтехника
Спецтехника
Двигатели
Мототехника
Марка
Не выбрано
Ammann
BOMAG
CARMIX
CASE IH
Changlin
ChengGong
Dimex
Doosan
DYNAPAC
Foton
HAMM
Hidromek
Hitachi
Hyundai
JCB
JLG
John Deere
Komatsu
LIEBHERR
LiuGong
Lonking (LongGong)
Luneng
MANITOU
Mitsuber
New Holland
PENGPU
RM-Terex
SANY
SDLG
SEM
Shantui
Shehwa HBXG
Soosan
TIGARBO
VOGELE
Volvo
WAY
WIRTGEN
XCMG
XGMA
Xiamen
YTO
Yuchai
Zoomlion
Автокран
АЗСМ
Алтайлесмаш
Амкодор
АОМЗ
Атек
АТЗ
Балканкар Рекорд
БелАЗ
Беловеж
Борекс
Брянский Арсенал
Булат
ВЭКС
ГАЗ
Геомаш
Гидромаш
Донекс
Дормаш
Дормашина
Дорэлектромаш
ДЭЗ
ЕлАЗ
ЗЗГТ
Ижнефтемаш
Канаш-электрокар
КЗКТ
ККЗ
Клевер
Клинцовский автокрановый завод
КМЗ
КМЗ 1 Мая
Ковровец
Коммаш
Кранэкс
КЭЗ
КЭМЗ
ЛЗА
МАЗ
МЗИК
МЗКМ
МЗКТ
Михневский РМЗ
МоАЗ
Мозырский МЗ
МТЗ
ОЗП
Онежец
ПАО "ТЗА"
ППС Детва
Промтрактор
ПТЗ
Раскат
СпецАгрегат
ТВЭКС
ТТМ
УВЗ
Угличмаш
УЗТМ
ХТЗ
ЧЗКМ
ЧСДМ
ЧТЗ
ЭКСКО
ЭКСМАШ
ЮрМаш
Модель
Не выбрано
500KN, 500KSN (2013)
DT-140B (2010)
LW-166 (2008)
LW-541F (2010)
LW300FN (2013)
LW300KN (2013)
LW321F (2010)
QY25K (2010)
QY25K5-I (2009)
QY30K5-I (2009)
QY30KH (2009)
QY30KL (2009)
QY30KT5 (2009)
QY50K (2010)
QY50K (вариант) (2010)
QY65K (2010)
QY70K (2010)
QY70K (вариант) (2010)
WZ30-25 (2008)
WZ30-25 (англ.) (2008)
XCT25L4_S (2019)
XCT25L5_S (2019)
XE150D (2011)
XE230 (2011)
XE80 (2012)
XS143 (2017)
XS160 (XS190) (2010)
XSM218 (XSM220) (2010)
XSM218, XSM220 (2010)
XZ16K-XZ50K (2010)
XZ200 (2014)
XZ320 (2012)
XZ360E (2016)
XZ500 (2012)
XZ65K (2010)
XZ680A (2014)
YL16 (YL20) (2008)
YZC7 (2010)
ZL30BR (2014)
ZL30G (2008)
ZL30H (2012)
ZL50G (2008)
Автогрейдер-GR135 (2012)
ГНБ XZ-180 (2012)
Катки XD30, XD40 (2008)
Раб. оборуд. грейдеров GR (2010)
Схема
>
Не выбрано
LW560F.1.1 Двигатель
Кожух двигателя
560F.1.1.2 Масляный охладитель преобразователя крутящего момента
20/18-С216NZE / 20/18-C216VB Ось
82281600 / 82990500 Главный редуктор
83228300 Планетарный редуктор
72006036 Двойной дисковый тормоз
Обод колеса
LW560F.1.2 Узел преобразователя крутящего момента трансмиссии
ZL50.3.4 Преобразователь крутящего момента
ZL40.3.200A Топливный фильтр
540F.3.1 Передний передающий вал
540F.3.2 Задний передающий вал
ZL40A.30 Трансмиссия (1)
ZL40A.30 Трансмиссия (2)
ZL40A.30 Трансмиссия (3)
ZL40A.30 Трансмиссия (4)
ZL40A.30 Трансмиссия (5)
ZL40A.30 Трансмиссия (6)
ZL40A.30 Трансмиссия (7)
ZL40A.30 Трансмиссия (8)
ZL40A.30 Трансмиссия (9)
ZL40A.30 Трансмиссия (10)
Клапан с плавной характеристикой
Управляющий клапан акселератора
LW560F.1.1.1 Топливный бак
Левая, правая платформы
LW560F.2.1 Система управления трансмиссией
LW560F.7.1.14 Система управления
Переднее шасси
Заднее шассии
540F(III).9 Тормозная система
ZL40.12.4C Дисковый томроз
XM-60 Пневмопривод
ZL50E.9.6 / ZL50E.9.7 Тормозной пневмоцилиндр
ZL40A.13.1 Парковочный тормоз
560F.7.1 Рабочая гидравлическая система
P7200-F160 Шестеренный насос
DF32.2C Управляющий клапан
LW560F.7.2 Гидравлическая система рулевого управления
B221-E800C Элемент гидравлической системы рулевого управления
Z5GH.7.2.12 Левый поворотный цилиндр, Z5GH.7.2.6 Правый поворотный цилиндр
FLD-F60 Клапан поддержания постоянной скорости протекания жидкости
LW560F.7.1.13 Гидравлический масляный бак
Цилиндр наклона
Левый, правый цилиндр подъема
LW560F.6.12 Лестинца
LW560F Кабина
Рабочее оборудование
LW560F.11 Электрическая система
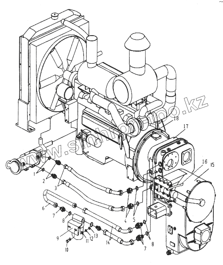
1
2
3
4
5
6
7
7
8
8
9
10
11
12
13
14
15
16
17
18
Позиция на иллюстрации
Заводской номер детали
Название детали
1
Q/SC1294-2000
Шайба
2
LW560F.1.2-1
Соединение
3
LW560F.1.2.1
Шланг
4
LW560F.1.2-3
Соединение
5
Q/SC1294-2000
Шайба
6
LW560F.1.2.2
Труба
7
LW560F.1.2-2
Соединение
8
Q/SC1294-2000
Шайба
9
ZL40.3.2A
Фильтр
10
GB5783-86
Болт
11
GB97.1-85
Шайба
12
GB93-87
Шайба 12
13
GB6170-86
Гайка
14
LW560F.1.2.3
Шланг
15
ZL40A.30
Трансмиссия
16
520E(I).2.1
Шланг
17
YJSW315
Преобразователь крутящего момента
18
ZL40.3-3
Подкладка
Содержащиеся в справочниках-каталогах запасные части и детали не предлагаются к продаже, а носят исключительно информационный характер
Дополнительная информация
×
Название:
Номер:
Примечание: