Каталог запасных частей к технике: XCMG LW-541F. LW560F.11 Электрическая система
1
2
3
4
5
6
7
8
9
10
11
12
13
14
15
16
17
18
19
20
21
22
23
24
25
26
27
28
29
30
31
32
33
34
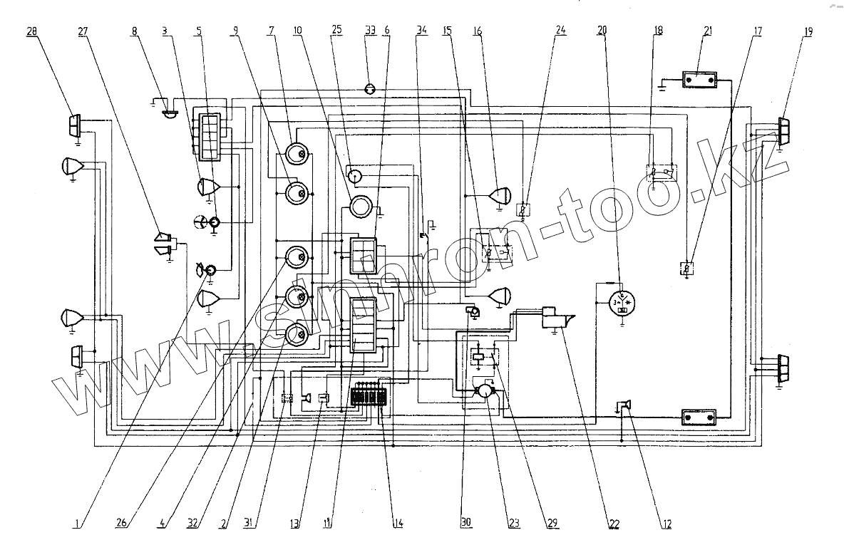
| Позиция на иллюстрации | Заводской номер детали | Название детали | |
|---|---|---|---|
| 1 | ZD2312-24V | Приборная панель | |
| 2 | YY242III-2К | Индикатор давления масла | |
| 3 | Лампа | Рабочая лампа | |
| 4 | SW2401 | Индикатор температуры воды | |
| 5 | ZDS-200 | Fan | |
| 6 | XLS.001.006 | Блок индикаторов | |
| 7 | QY2401 | Индикатор давления воздуха | |
| 8 | CS130 | Head Lamp | |
| 9 | YW2401 | Индикатор температуры масла | |
| 10 | 700RN1248D2060A | Таймер | |
| 11 | JK932-530F | Переключатель | |
| 12 | FM211 | Зуммер предупредительного сигнала | |
| 13 | SG227B | Flasher | |
| 14 | BX508 | Fuse Box | |
| 15 | YG6221C | Датчик давления масла | |
| 16 | Лампа | Рабочая лампа | |
| 17 | 18WZ001 | Датчик температуры воды | |
| 18 | YG6221E | Датчик давления масла | |
| 19 | XH8-2L2 | Задний сигнал поворота | |
| 20 | JFZ2405 | Генератор переменного тока | |
| 21 | 6-QA-180 | Battery | |
| 22 | QD2827DE | Стартер | |
| 23 | DK2312A | Battery Relay | |
| 24 | 18WGM001 | Датчик температуры масла | |
| 25 | JK424 | Ключ с выключателем | |
| 26 | DY2401 | Вольтметр | |
| 27 | DL50G(D)-24 | Horn | |
| 28 | Лампа | Рабочая лампа | |
| 29 | JN3A-24V | Реле | |
| 30 | BJ/124 | Нагреватель | |
| 31 | LJ41 | Реле звукового сигнала | |
| 32 | JK613B | Обратный переключатель | |
| 33 | JN150 | Размыкающий переключатель ручного тормоза | |
| 34 | Кнопка | Кнопка |
Содержащиеся в справочниках-каталогах запасные части и детали не предлагаются к продаже, а носят исключительно информационный характер