Вернуться на главную
Поиск
Каталоги запчастей к технике
Спецтехника
XCMG
LW321F
330E.1.1 Узел топливного бака
Каталог запасных частей к технике: XCMG LW321F. 330E.1.1 Узел топливного бака
zoom-in
zoom-out
enlarge
shrink
circle-right
circle-left
file-text2
info
cart
Тип техники
Не выбрано
Легковые автомобили
Грузовые автомобили и прицепы
Автобусы
Сельхозтехника
Спецтехника
Двигатели
Мототехника
Марка
Не выбрано
Ammann
BOMAG
CARMIX
CASE IH
Changlin
ChengGong
Dimex
Doosan
DYNAPAC
Foton
HAMM
Hidromek
Hitachi
Hyundai
JCB
JLG
John Deere
Komatsu
LIEBHERR
LiuGong
Lonking (LongGong)
Luneng
MANITOU
Mitsuber
New Holland
PENGPU
RM-Terex
SANY
SDLG
SEM
Shantui
Shehwa HBXG
Soosan
TIGARBO
VOGELE
Volvo
WAY
WIRTGEN
XCMG
XGMA
Xiamen
YTO
Yuchai
Zoomlion
Автокран
АЗСМ
Алтайлесмаш
Амкодор
АОМЗ
Атек
АТЗ
Балканкар Рекорд
БелАЗ
Беловеж
Борекс
Брянский Арсенал
Булат
ВЭКС
ГАЗ
Геомаш
Гидромаш
Донекс
Дормаш
Дормашина
Дорэлектромаш
ДЭЗ
ЕлАЗ
ЗЗГТ
Ижнефтемаш
Канаш-электрокар
КЗКТ
ККЗ
Клевер
Клинцовский автокрановый завод
КМЗ
КМЗ 1 Мая
Ковровец
Коммаш
Кранэкс
КЭЗ
КЭМЗ
ЛЗА
МАЗ
МЗИК
МЗКМ
МЗКТ
Михневский РМЗ
МоАЗ
Мозырский МЗ
МТЗ
ОЗП
Онежец
ПАО "ТЗА"
ППС Детва
Промтрактор
ПТЗ
Раскат
СпецАгрегат
ТВЭКС
ТТМ
УВЗ
Угличмаш
УЗТМ
ХТЗ
ЧЗКМ
ЧСДМ
ЧТЗ
ЭКСКО
ЭКСМАШ
ЮрМаш
Модель
Не выбрано
500KN, 500KSN (2013)
DT-140B (2010)
LW-166 (2008)
LW-541F (2010)
LW300FN (2013)
LW300KN (2013)
LW321F (2010)
QY25K (2010)
QY25K5-I (2009)
QY30K5-I (2009)
QY30KH (2009)
QY30KL (2009)
QY30KT5 (2009)
QY50K (2010)
QY50K (вариант) (2010)
QY65K (2010)
QY70K (2010)
QY70K (вариант) (2010)
WZ30-25 (2008)
WZ30-25 (англ.) (2008)
XCT25L4_S (2019)
XCT25L5_S (2019)
XE150D (2011)
XE230 (2011)
XE80 (2012)
XS143 (2017)
XS160 (XS190) (2010)
XSM218 (XSM220) (2010)
XSM218, XSM220 (2010)
XZ16K-XZ50K (2010)
XZ200 (2014)
XZ320 (2012)
XZ360E (2016)
XZ500 (2012)
XZ65K (2010)
XZ680A (2014)
YL16 (YL20) (2008)
YZC7 (2010)
ZL30BR (2014)
ZL30G (2008)
ZL30H (2012)
ZL50G (2008)
Автогрейдер-GR135 (2012)
ГНБ XZ-180 (2012)
Катки XD30, XD40 (2008)
Раб. оборуд. грейдеров GR (2010)
Схема
>
Не выбрано
LW330F(II).1 Система двигателя
330E.1.1 Узел топливного бака
LW330F.2 Узел приводной оси
PRC111D006 Узел оси
82350200 Узел ходового механизма
83240200 Узел планетарной редукторной передачи
72006035 Узел дискового тормоза
LW330.3 Система коробки передач и преобразователя
YJ315X Система преобразователя крутящего момента
YJ315X Узел понижающего клапана
Z3.4 Узел приводного вала
Z3.4.2 Главный приводной вал
Z3.4.3 Передний приводной вал
Z3.4.4A Задний приводной вал
BS428 Узел трансмиссии
Узел входного вала
Узел обратного вала
Узел среднего вала
Узел выходного вала
Узел ручного тормоза
Узел клапана управления трансмиссией
Узел обоймы
Z3.7 Переключение передач
Z3.7.2 Верхний механизм
LW330F(II).08.1 Узел передней рамы
LW330F(II).08.2 Узел задней рамы
LW330F.9 Система рулевого управления
Блоки управления гидравликой рулевого управления
Z3.9.1 Цилиндр рулевого управления
LW330F.10 Рабочая гидравлическая система
Z3.10.4A Система контроля хвостовика
DF25B2 Блок клапана управления
LW330F.10.1 Левый подъемный цилиндр, LW330F.1.2 правый подъемный цилиндр
Z3.10.1 Цилиндр наклона
330E.10.4A Узел гидравлического бака
LW330F.11, LW330F(G).11 Рабочее устройство
LW330F(II).12 Система торможения
Z3.12.11A Резервуар для воздуха
Z3.13 Узел парковочного тормоза
ZL40.13.3A Рукоятка силовой установки
LW330F.14 Электрическая система
ZLT15B Кабина
Z3.16B Блок платформы оператора
LW330F(II).17 Переднее и заднее крылья
LW330F.18.1 Кожух двигателя
LW330F(II).21 Система воздушного отопления
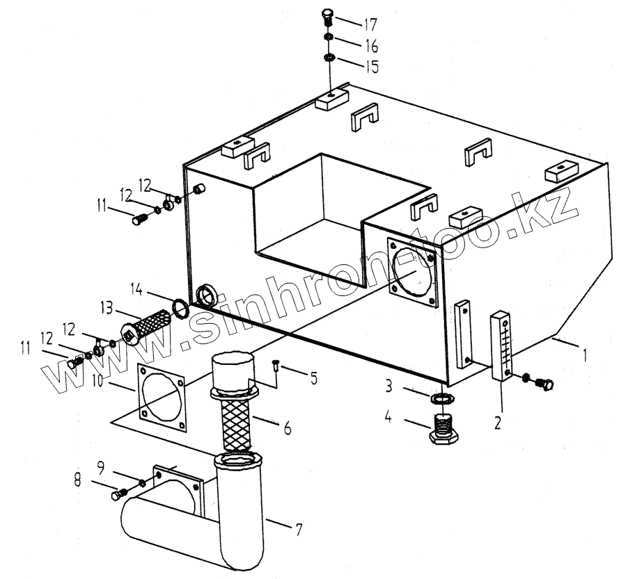
1
2
3
4
5
6
7
8
9
10
11
11
12
12
12
12
13
14
15
16
17
Позиция на иллюстрации
Заводской номер детали
Название детали
1
330E.1.1.1
Бак
2
YWZ-127
Gauge Assembly Level
3
GB1235-76
Кольцо
4
ZL40.1.3-7
Plug
5
GB5783-86
Болт
6
ZL40(X).1.3.5A
Filter Assembly
7
Z3.1A.1.1A
Масляный фильтр
8
GB5783-86
Болт
9
GB93-87
Шайба 12
10
Z3.1A.1-1
Шайба
11
Z3(LT).1-6A
Bolt M14X1.5
12
JB982-77
Шайба
13
ZL40A.1.3.3A
Масляный фильтр
14
JB982-77
Шайба
15
GB97.1-85
Шайба
16
GB93-87
Шайба 12
17
GB5783-86
Болт
Содержащиеся в справочниках-каталогах запасные части и детали не предлагаются к продаже, а носят исключительно информационный характер
Дополнительная информация
×
Название:
Номер:
Примечание: