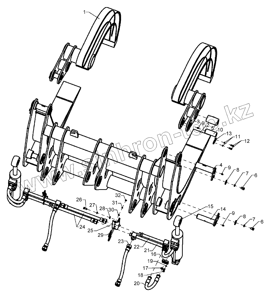
Каталог запасных частей к технике: XCMG LW300FN. Захват в сборе(прижималка вразбежку) 251901114
1
2
3
4
5
6
6
7
7
8
8
9
9
9
10
11
12
13
14
15
16
17
18
19
20
21
22
23
24
25
26
27
28
29
30
31
32
| Позиция на иллюстрации | Заводской номер детали | Название детали | |
|---|---|---|---|
| 1 | 251901116 | Левый верхний корпус ключа | |
| 2 | 251900957 | Нижний корпус клещей | |
| 3 | 251901121 | Правый верхний корпус ключа | |
| 4 | 250100357 | Вал штифта | |
| 5 | 250100403 | Втулка вала | |
| 6 | 805000022 | Болт М16х25 | |
| 7 | 805300011 | Шайба 16 | |
| 8 | 251500112 | Шайба | |
| 9 | 801100336 | Масленка M10x1 | |
| 10 | 250100356 | Вал штифта | |
| 11 | 805300014 | Шайба 10 | |
| 12 | 805001924 | Болт М10х25 | |
| 13 | 250100359 | Запорная планка | |
| 14 | 250100358 | Вал штифта | |
| 15 | 803004299 | Цилиндр захвата | |
| 16 | 250100783 | Фланец типа отделения | |
| 17 | 801100120 | О-образное кольцо 25x3.55G | |
| 18 | 805000043 | Болт М10х30 | |
| 19 | 805300014 | Шайба 10 | |
| 20 | 250100363 | Резиновая типа F 16 II -800 | |
| 21 | 251900945 | Трехходовая соединительная труба | |
| 22 | 251900946 | Стальная трубка | |
| 23 | 250100667 | Гибкий рукав в сборе | |
| 24 | 250100664 | Гибкий рукав в сборе | |
| 25 | 250100405 | Трубодержатель | |
| 26 | 805000716 | Болт М12х30 | |
| 27 | 805300018 | Шайба 12 | |
| 28 | 805300020 | Шайба 12 | |
| 29 | 250100404 | U-образный болт | |
| 30 | 805300069 | Шайба 8 | |
| 31 | 805300010 | Шайба 8 | |
| 32 | 805200045 | Гайка М8 |
Содержащиеся в справочниках-каталогах запасные части и детали не предлагаются к продаже, а носят исключительно информационный характер