Каталог запасных частей к технике: XCMG LW300FN. Система гидротрансформатора КПП
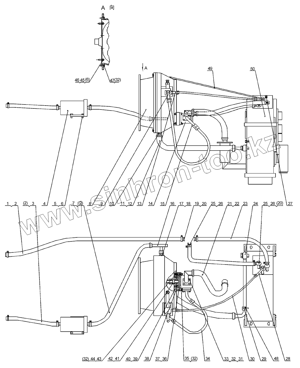
1
1
2
2
2
3
3
4
4
5
6
6
7
8
9
10
11
12
13
14
15
16
17
18
19
20
20
21
22
23
24
25
25
26
26
27
28
29
30
31
32
32
32
32
33
34
35
36
37
38
39
40
41
42
43
44
45
46
47
48
49
50
| Позиция на иллюстрации | Заводской номер детали | Название детали | |
|---|---|---|---|
| 1 | 803303365 | От радиатора до тройника | |
| 1 | 250100445 | От радиатора до тройника | |
| 2 | 801902709 | Хомут из нержавейки 25-38 | |
| 3 | 803164032 | Труба от фильтра до радиатора | |
| 3 | 803303366 | Труба от фильтра до радиатора | |
| 4 | 250100322 | Фильтр | |
| 4 | 250100322 | Фильтр | |
| 5 | 805000715 | Болт M12x25 | |
| 6 | 805300018 | Шайба 12 | |
| 7 | 250100907 | Труба от гидравлического трансформатора до фильтра | |
| 8 | 800351249 | Гидравлический трансформатор | |
| 9 | 250900205 | Прямое соединение | |
| 10 | 250100134 | Корпус соединения | |
| 11 | 803164013 | Труба от гидравлического трансформатора до КПП | |
| 12 | 801902712 | Хомут из нержавейки 38-57 | |
| 13 | 250900206 | Прямоугольное соединение | |
| 14 | 803004032 | Насос перемены скорости | |
| 15 | 250900714 | Отходящий фланцевый диск | |
| 16 | 250100150 | Прямоугольная переходная деталь | |
| 17 | 250100136 | Корпус соединения | |
| 18 | 805301415 | Шайба 24 | |
| 19 | 250100410 | Переходная деталь гибкого шланга | |
| 20 | 805301414 | Шайба 22 | |
| 21 | 250100135 | Всасывающая труба | |
| 22 | 250100166 | Пружина | |
| 23 | 250100908 | Резиновая труба от тройника до клапана управления | |
| 24 | 250100799 | Комбинированное соединение | |
| 25 | 250100137 | Шарнирный болт | |
| 26 | 250100158 | Корпус соединения | |
| 27 | 252100674 | Заглушка | |
| 28 | 803163583 | Переходная деталь с шаровым шарниром | |
| 29 | 250100165 | Трубодержатель | |
| 30 | 250900514 | Резиновая труба | |
| 31 | 805000062 | Болт М10х35 | |
| 32 | 805300014 | Шайба 10 | |
| 33 | 250900646 | Всасывающий фланцевый диск | |
| 34 | 250900321 | Маcловсасывающая резиновая труба насоса | |
| 35 | 805000400 | Болт M10X40 | |
| 36 | 250100138 | Соединительный диск | |
| 37 | 250100164 | Бумажная прокладка | |
| 38 | 250100163 | Бумажная прокладка | |
| 39 | 805000033 | Болт М8х16 | |
| 40 | 805300010 | Шайба 8 | |
| 41 | 250100280 | Соединительная букса | |
| 42 | 805400001 | Борткольцо 25 | |
| 43 | 805002239 | Шпилька M10X75 | |
| 44 | 805200048 | Гайка М10 | |
| 45 | 805002247 | Шпилька М12Х45 | |
| 46 | 805200136 | Гайка М12 | |
| 47 | 805000062 | Болт М10х35 | |
| 48 | 805000074 | Болт M12X20 | |
| 49 | 250100978 | Дыхательная труба | |
| 50 | 800302352 | КПП |
Содержащиеся в справочниках-каталогах запасные части и детали не предлагаются к продаже, а носят исключительно информационный характер