Вернуться на главную
Поиск
Каталоги запчастей к технике
Спецтехника
XCMG
LW300FN
Пол в сборе 251702744
Каталог запасных частей к технике: XCMG LW300FN. Пол в сборе 251702744
zoom-in
zoom-out
enlarge
shrink
circle-right
circle-left
file-text2
info
cart
Тип техники
Не выбрано
Легковые автомобили
Грузовые автомобили и прицепы
Автобусы
Сельхозтехника
Спецтехника
Двигатели
Мототехника
Марка
Не выбрано
Ammann
BOMAG
CARMIX
CASE IH
Changlin
ChengGong
Dimex
Doosan
DYNAPAC
Foton
HAMM
Hidromek
Hitachi
Hyundai
JCB
JLG
John Deere
Komatsu
LIEBHERR
LiuGong
Lonking (LongGong)
Luneng
MANITOU
Mitsuber
New Holland
PENGPU
RM-Terex
SANY
SDLG
SEM
Shantui
Shehwa HBXG
Soosan
TIGARBO
VOGELE
Volvo
WAY
WIRTGEN
XCMG
XGMA
Xiamen
YTO
Yuchai
Zoomlion
Автокран
АЗСМ
Алтайлесмаш
Амкодор
АОМЗ
Атек
АТЗ
Балканкар Рекорд
БелАЗ
Беловеж
Борекс
Брянский Арсенал
Булат
ВЭКС
ГАЗ
Геомаш
Гидромаш
Донекс
Дормаш
Дормашина
Дорэлектромаш
ДЭЗ
ЕлАЗ
ЗЗГТ
Ижнефтемаш
Канаш-электрокар
КЗКТ
ККЗ
Клевер
Клинцовский автокрановый завод
КМЗ
КМЗ 1 Мая
Ковровец
Коммаш
Кранэкс
КЭЗ
КЭМЗ
ЛЗА
МАЗ
МЗИК
МЗКМ
МЗКТ
Михневский РМЗ
МоАЗ
Мозырский МЗ
МТЗ
ОЗП
Онежец
ПАО "ТЗА"
ППС Детва
Промтрактор
ПТЗ
Раскат
СпецАгрегат
ТВЭКС
ТТМ
УВЗ
Угличмаш
УЗТМ
ХТЗ
ЧЗКМ
ЧСДМ
ЧТЗ
ЭКСКО
ЭКСМАШ
ЮрМаш
Модель
Не выбрано
500KN, 500KSN (2013)
DT-140B (2010)
LW-166 (2008)
LW-541F (2010)
LW300FN (2013)
LW300KN (2013)
LW321F (2010)
QY25K (2010)
QY25K5-I (2009)
QY30K5-I (2009)
QY30KH (2009)
QY30KL (2009)
QY30KT5 (2009)
QY50K (2010)
QY50K (вариант) (2010)
QY65K (2010)
QY70K (2010)
QY70K (вариант) (2010)
WZ30-25 (2008)
WZ30-25 (англ.) (2008)
XCT25L4_S (2019)
XCT25L5_S (2019)
XE150D (2011)
XE230 (2011)
XE80 (2012)
XS143 (2017)
XS160 (XS190) (2010)
XSM218 (XSM220) (2010)
XSM218, XSM220 (2010)
XZ16K-XZ50K (2010)
XZ200 (2014)
XZ320 (2012)
XZ360E (2016)
XZ500 (2012)
XZ65K (2010)
XZ680A (2014)
YL16 (YL20) (2008)
YZC7 (2010)
ZL30BR (2014)
ZL30G (2008)
ZL30H (2012)
ZL50G (2008)
Автогрейдер-GR135 (2012)
ГНБ XZ-180 (2012)
Катки XD30, XD40 (2008)
Раб. оборуд. грейдеров GR (2010)
Схема
>
Не выбрано
Перечень ремонтного обслуживания
Перечень ремонтного обслуживания
Система двигателя
Система двигателя
Дизельный бак в сборе
Система гидротрансформатора КПП
КПП в сборе
Фильтр
Насос перемены скорости
Клапан понижения давления в сборе
Деталь корпус КПП
Входной вал КПП в сборе
Вал заднего хода КПП в сборе
Промежуточный вал КПП в сборе
Выходной вал КПП в сборе
Ручной тормоз КПП в сборе
Клапан управления КПП в сборе
Вилочный механизм переключения высокой и низкой передач
Управление с большой и малой скоростью
Система ведущего моста
Корпус обода колеса в сборе
Мост в сборе
Главный редуктор в сборе
Дифференциал в сборе
Бортовой редуктор в сборе
Тормоз в сборе
Передаточный вал в сборе
Главный приводный вал 101148
Главный приводный вал 101493
Передний передаточный вал 101269
Передний передаточный вал 101148
Передний передаточный вал 101493
Задний передаточный вал 101269
Задний передаточный вал 101148
Задний передаточный вал 101493
Системы тележки
Передняя рама
Задняя рама
Рабочая гидросистема
Гидросистема поворота
Гидробак
Цилиндр поворотного ковша
Маслоцилиндр левой и правой стрелы
Левый и правый поворотный цилиндр
Распределительный клапан
Трехсекционная система захвата (I)
Трехсекционная система захвата (II)
Трехсекционная гидросистема с боковой разгрузки
Система рабочего шатуна
Ковш-лопата 252604812
Ковш-лопата 252604832
Ковш-лопата 252604837
Ковш-лопата 252604852
Захват в сборе (стыковой) 251900956
Захват в сборе(прижималка вразбежку) 251901114
Рабочее устройство захвата (зачалка) 252600590
Машина для сгребания сена 252601434
Тормозная система 251702932
Воздухосборник
ФН в сборе
Пневматический тормозный клапан
Частотно-следящая управления с изменяемой скоростью 251702561
Сборка водительской кабины 251702994
Пол в сборе 251702719
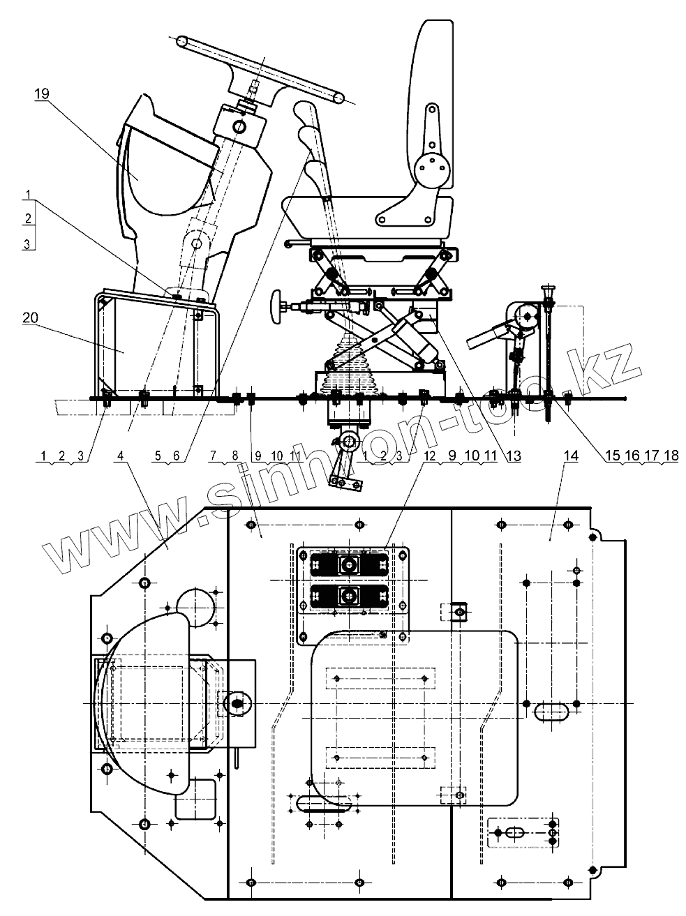
Пол в сборе 251702744
Сиденье в сборе 801902761 XGZY01-II
Система двухсекционного рычага управления
Система трехсекционного рычага управления
Прибор в сборе 251702993
Прибор в сборе 251703192
Поворотный механизм в сборе
Новое украшение 251800857
Электросистема 251702969
Электросистема 251703111
Капот машины 250900142
Система кондиционера 251700137
Система кондиционера 251700161
Опора компрессора кондиционера Z3G.22.3, 250100590
Выпариватель в сборе CDZ40K-010
Конденсатор CDZ40K-017
Система вентиляции 251702714
Сопроводительный инструмент
1
1
1
2
2
2
3
3
3
4
5
6
7
8
9
9
10
10
11
11
12
13
14
15
16
17
18
19
20
Позиция на иллюстрации
Заводской номер детали
Название детали
1
805000715
Болт M12x25
2
805300018
Шайба 12
3
805300020
Шайба 12
4
251700247
Передняя опора
5
251700413
Система двухсекционного
6
805100056
Винт М5х12
7
251700239
Промежуточный башмак
8
251702723
Резиновый пол
9
805000018
Болт М8х20
10
805300069
Шайба 8
11
805300010
Шайба 8
12
251700258
Плита перекрытия
13
801902761
Сиденье в сборе
14
251700241
Задний башмак II
15
805000043
Болт М10х30
16
805300014
Шайба 10
17
805300017
Шайба 10
18
251700457
Ручной регулятор
19
251703192
Аппаратный стол в сборе
20
251700262
Защитный кожух в сборе
Содержащиеся в справочниках-каталогах запасные части и детали не предлагаются к продаже, а носят исключительно информационный характер
Дополнительная информация
×
Название:
Номер:
Примечание: