Каталог запасных частей к технике: XCMG LW300FN. Пол в сборе 251702719
1
1
1
2
2
2
3
3
3
4
5
5
5
7
7
7
8
8
8
8
8
8
8
9
9
10
10
11
11
12
12
12
13
14
14
14
15
16
17
18
19
20
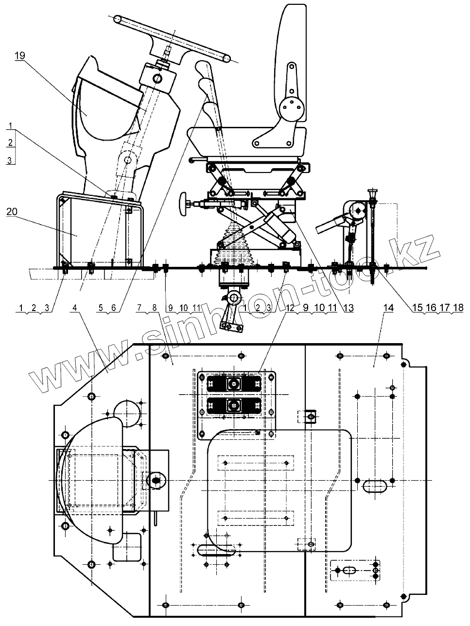
| Позиция на иллюстрации | Заводской номер детали | Название детали | |
|---|---|---|---|
| 1 | 805000715 | Болт M12x25 | |
| 2 | 805300018 | Шайба 12 | |
| 3 | 805300020 | Шайба 12 | |
| 4 | 251700247 | Передняя опора | |
| 5 | 251700413 | Система двухсекционного | |
| 5 | 251700414 | Система трехсекционных рычагов управления | |
| 7 | 251700239 | Промежуточный башмак | |
| 7 | 251700240 | Промежуточный башмак | |
| 8 | 251702723 | Резиновый пол | |
| 8 | 251702724 | Резиновый пол | |
| 8 | 251702725 | Резиновый пол | |
| 8 | 251702726 | Резиновый пол | |
| 9 | 805000018 | Болт М8х20 | |
| 10 | 805300069 | Шайба 8 | |
| 11 | 805300010 | Шайба 8 | |
| 12 | 251700258 | Плита перекрытия | |
| 12 | 251700259 | Плита перекрытия | |
| 13 | 801902761 | Сиденье в сборе | |
| 14 | 251700241 | Задний башмак II | |
| 14 | 251700242 | Задний башмакШ | |
| 15 | 805000043 | Болт М10х30 | |
| 16 | 805300014 | Шайба 10 | |
| 17 | 805300017 | Шайба 10 | |
| 18 | 251700437 | Ручной регулятор | |
| 19 | 251702993 | Аппаратный стол в сборе | |
| 20 | 251700262 | Защитный кожух в сборе |
Содержащиеся в справочниках-каталогах запасные части и детали не предлагаются к продаже, а носят исключительно информационный характер