Каталог запасных частей к технике: XCMG LW300FN. Машина для сгребания сена 252601434
1
2
3
4
5
5
6
6
7
7
8
8
8
9
10
11
12
13
14
15
16
17
18
19
20
21
22
23
24
25
26
27
28
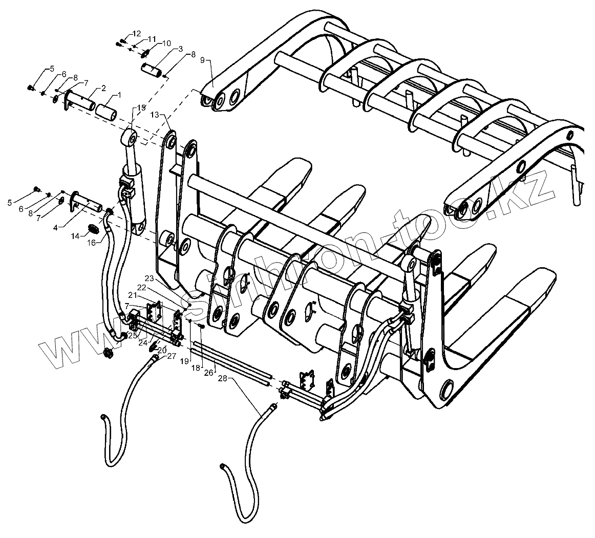
| Позиция на иллюстрации | Заводской номер детали | Название детали | |
|---|---|---|---|
| 1 | 250100403 | Втулка вала | |
| 2 | 250100357 | Вал штифта | |
| 3 | 250100356 | Вал штифта | |
| 4 | 250100358 | Вал штифта | |
| 5 | 805000022 | Болт М16х25 | |
| 6 | 805300011 | Шайба 16 | |
| 7 | 805300111 | Шайба 16 | |
| 8 | 801100336 | Масленка M10x1 | |
| 9 | 250100466 | Верхний корпус клещей | |
| 10 | 250100359 | Запорная планка | |
| 11 | 805300014 | Шайба 10 | |
| 12 | 805000727 | Болт М10х25 | |
| 13 | 252601575 | Нижний корпус клещей | |
| 14 | 803164271 | Блок фланцев | |
| 15 | 803004299 | Цилиндр захвата | |
| 16 | 252601583 | Резиновая труба в сборе | |
| 17 | 250100405 | Трубодержатель | |
| 18 | 805000716 | Болт М12х30 | |
| 19 | 805300018 | Шайба 12 | |
| 20 | 250100404 | U-образный болт | |
| 21 | 805300069 | Шайба 8 | |
| 22 | 805300010 | Шайба 8 | |
| 23 | 805200045 | Гайка М8 | |
| 24 | 252601372 | Стальная трубка | |
| 25 | 252601373 | Трехходовая стальная труба | |
| 26 | 252601584 | Резиновая труба в сборе | |
| 27 | 252601585 | Резиновая труба в сборе | |
| 28 | 252601586 | Резиновая труба в сборе |
Содержащиеся в справочниках-каталогах запасные части и детали не предлагаются к продаже, а носят исключительно информационный характер