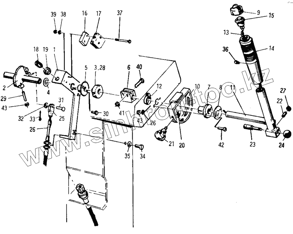
Каталог запасных частей к технике: XCMG Катки XD30, XD40. 3В1370 Система управления направлением движения
1
2
3
4
5
6
7
8
9
10
11
12
13
13
14
15
16
17
18
19
19
20
21
22
23
24
25
26
26
27
28
30
31
32
33
34
35
36
37
38
39
40
41
42
43
| Позиция на иллюстрации | Заводской номер детали | Название детали | |
|---|---|---|---|
| 1 | 203290 | Кронштейн | |
| 2 | 3В1395 | Вал | |
| 3 | 203255 | Кольцо | |
| 4 | С4-0200 | Шайба | |
| 5 | 203265 | Втулка | |
| 6 | 203250 | Муфта | |
| 7 | 203245 | Втулка | |
| 8 | 203240 | Шайба | |
| 9 | 404930 | Колпачок | |
| 10 | 405030 | Стопор | |
| 11 | YZC2-8. 1.3 | Ручка | |
| 12 | В2-0540 | Хомут шланга | |
| 13 | 404980 | Трос | |
| 14 | 203285 | Ручка | |
| 15 | KD2-23 | Выключатель | |
| 16 | 203230 | Пластина | |
| 17 | 125-10N1 | Выключатель | |
| 18 | 203275 | Пружинный шариковый фиксатор | |
| 19 | С3-0575 | Гайка | |
| 20 | 404990 | Стопорный хомут | |
| 21 | 405000 | Барашковый винт | |
| 22 | 405010 | Стопорный винт | |
| 23 | 404950 | Штифт | |
| 24 | Ручка | Ручка | |
| 25 | 203260 | Хомут | |
| 26 | С4-3800 | Шайба | |
| 27 | С3-0060 | Nut | |
| 28 | С2-4720 | Болт | |
| 30 | С0-1760 | Bolt | |
| 31 | С6-2760 | Вал | |
| 32 | С4-3820 | Шайба | |
| 33 | С6-4140 | Шплинт | |
| 34 | 404940 | Винт | |
| 35 | В8-1020 | Washer | |
| 36 | С2-0140 | Болт | |
| 37 | С2-0260 | Болт | |
| 38 | С4-3740 | Шайба | |
| 39 | С3-0240 | Гайка | |
| 40 | С0-0240 | Болт | |
| 41 | С3-2940 | Гайка | |
| 42 | С2-0720 | Болт | |
| 43 | С3-0300 | Гайка |
Содержащиеся в справочниках-каталогах запасные части и детали не предлагаются к продаже, а носят исключительно информационный характер