Вернуться на главную
Поиск
Каталоги запчастей к технике
Спецтехника
XCMG
Катки XD30, XD40
3В1315 Цилиндр рулевого управления
Каталог запасных частей к технике: XCMG Катки XD30, XD40. 3В1315 Цилиндр рулевого управления
zoom-in
zoom-out
enlarge
shrink
circle-right
circle-left
file-text2
info
cart
Тип техники
Не выбрано
Легковые автомобили
Грузовые автомобили и прицепы
Автобусы
Сельхозтехника
Спецтехника
Двигатели
Мототехника
Марка
Не выбрано
Ammann
BOMAG
CARMIX
CASE IH
Changlin
ChengGong
Dimex
Doosan
DYNAPAC
Foton
HAMM
Hidromek
Hitachi
Hyundai
JCB
JLG
John Deere
Komatsu
LIEBHERR
LiuGong
Lonking (LongGong)
Luneng
MANITOU
Mitsuber
New Holland
PENGPU
RM-Terex
SANY
SDLG
SEM
Shantui
Shehwa HBXG
Soosan
TIGARBO
VOGELE
Volvo
WAY
WIRTGEN
XCMG
XGMA
Xiamen
YTO
Yuchai
Zoomlion
Автокран
АЗСМ
Алтайлесмаш
Амкодор
АОМЗ
Атек
АТЗ
Балканкар Рекорд
БелАЗ
Беловеж
Борекс
Брянский Арсенал
Булат
ВЭКС
ГАЗ
Геомаш
Гидромаш
Донекс
Дормаш
Дормашина
Дорэлектромаш
ДЭЗ
ЕлАЗ
ЗЗГТ
Ижнефтемаш
Канаш-электрокар
КЗКТ
ККЗ
Клевер
Клинцовский автокрановый завод
КМЗ
КМЗ 1 Мая
Ковровец
Коммаш
Кранэкс
КЭЗ
КЭМЗ
ЛЗА
МАЗ
МЗИК
МЗКМ
МЗКТ
Михневский РМЗ
МоАЗ
Мозырский МЗ
МТЗ
ОЗП
Онежец
ПАО "ТЗА"
ППС Детва
Промтрактор
ПТЗ
Раскат
СпецАгрегат
ТВЭКС
ТТМ
УВЗ
Угличмаш
УЗТМ
ХТЗ
ЧЗКМ
ЧСДМ
ЧТЗ
ЭКСКО
ЭКСМАШ
ЮрМаш
Модель
Не выбрано
500KN, 500KSN (2013)
DT-140B (2010)
LW-166 (2008)
LW-541F (2010)
LW300FN (2013)
LW300KN (2013)
LW321F (2010)
QY25K (2010)
QY25K5-I (2009)
QY30K5-I (2009)
QY30KH (2009)
QY30KL (2009)
QY30KT5 (2009)
QY50K (2010)
QY50K (вариант) (2010)
QY65K (2010)
QY70K (2010)
QY70K (вариант) (2010)
WZ30-25 (2008)
WZ30-25 (англ.) (2008)
XCT25L4_S (2019)
XCT25L5_S (2019)
XE150D (2011)
XE230 (2011)
XE80 (2012)
XS143 (2017)
XS160 (XS190) (2010)
XSM218 (XSM220) (2010)
XSM218, XSM220 (2010)
XZ16K-XZ50K (2010)
XZ200 (2014)
XZ320 (2012)
XZ360E (2016)
XZ500 (2012)
XZ65K (2010)
XZ680A (2014)
YL16 (YL20) (2008)
YZC7 (2010)
ZL30BR (2014)
ZL30G (2008)
ZL30H (2012)
ZL50G (2008)
Автогрейдер-GR135 (2012)
ГНБ XZ-180 (2012)
Катки XD30, XD40 (2008)
Раб. оборуд. грейдеров GR (2010)
Схема
>
Не выбрано
3В0055 Передняя рама
3В0075 Задняя рама
Тяга рулевого механизма
3В0010 Барабан
3В0015 Скребок
3В0600 Оросительная установка
3В0045 Платформа оператора
3В0025 Верхняя секция
3В1380, 3В1395 Трос дроссельной заслонки, трос рычага направления движения
3В0055 Электрическая система
3В1375 органы управления и контроля
3В1370 Система управления направлением движения
3В1320 Панель приборов
3В0760, 3В0020 Система воздухозабора, система выхлопа отработанных газов
3В0780 Топливная система
3В0785 Коробка передач
3В1085 Гидравлическая двигательная установка
3В1090 Гидравлическая вибрационная система
3В1095 Гидравлическая система рулевого управления
3В1315 Цилиндр рулевого управления
3В1100 Гидравлическая тормозная система
3В1595 Противоугонное защитное устройство
3В0050 Маркировка и информационные таблички
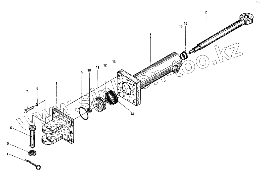
1
2
3
4
5
6
7
8
9
10
11
12
13
14
15
16
Позиция на иллюстрации
Заводской номер детали
Название детали
1
Цилиндр
Цилиндр
2
Поршень цилиндра
Поршень цилиндра
3
Крышка
Задняя крышка
4
Шплинт
Шплинт
5
Шайба
Шайба
6
Вал
Вал
7
Болт
Болт
8
Шайба
Шайба
9
Кольцо
Кольцо
10
Гайка
Гайка
11
Поршень
Поршень
12
Направляющее кольцо
Направляющее кольцо
13
Кольцо
Кольцо
14
Направляющее кольцо
Направляющее кольцо
15
Маслосъемное кольцо
Маслосъемное кольцо
16
Кольцо
Кольцо
Содержащиеся в справочниках-каталогах запасные части и детали не предлагаются к продаже, а носят исключительно информационный характер
Дополнительная информация
×
Название:
Номер:
Примечание: