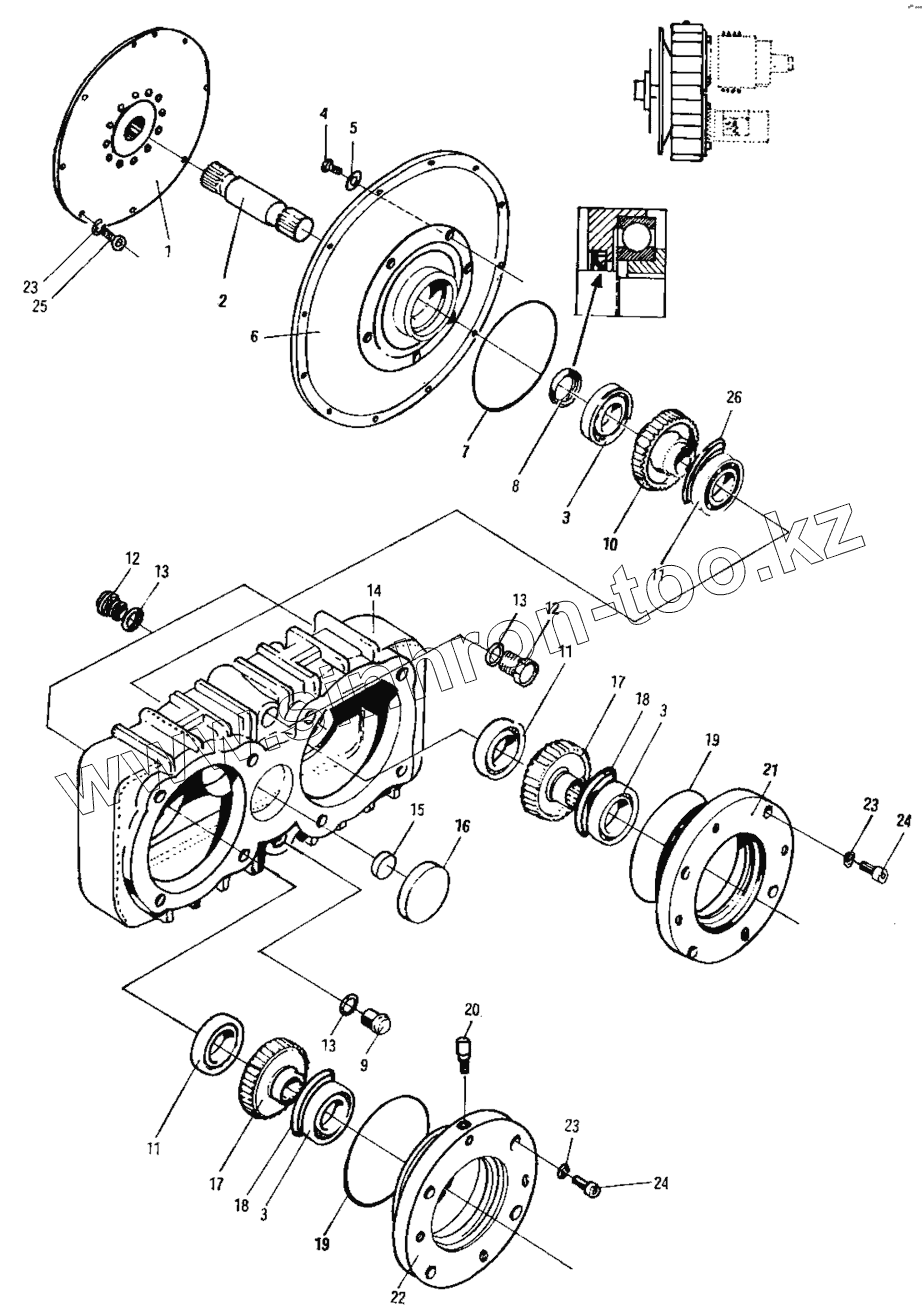
Каталог запасных частей к технике: XCMG Катки XD30, XD40. 3В0785 Коробка передач
1
2
3
3
3
4
5
6
7
8
9
10
11
11
11
12
12
13
13
13
14
15
16
17
17
18
18
19
19
20
21
22
23
23
23
24
24
25
26
| Позиция на иллюстрации | Заводской номер детали | Название детали | |
|---|---|---|---|
| 1 | 3В0945 | Ведущий диск | |
| 2 | 3В0950 | Шлицевой вал | |
| 3 | С9-1470 | Подшипник | |
| 4 | С0-0720 | Bolt | |
| 5 | С4-3240 | Washer | |
| 6 | 3В0940 | Крышка маховика | |
| 7 | А5-1600 | Кольцо | |
| 8 | А5-3440 | Уплотнение | |
| 9 | 3В0951 | Заглушка | |
| 10 | 3В0915 | Ведущее зубчатое колесо | |
| 11 | С9-1445 | Подшипник | |
| 12 | 204230 | Заглушка | |
| 13 | А5-4190 | Уплотнительное кольцо | |
| 14 | 3В0935 | Коробка передач | |
| 15 | 3В0920 | Заглушка | |
| 16 | 3В0905 | Крышка | |
| 17 | 3В0900 | Подшипник | |
| 18 | 3В0930 | Регулировочная шайба | |
| 19 | А5-1560 | Кольцо | |
| 20 | В8-3050 | Filter plug | |
| 21 | 3В0895 | Гнездо подшипника | |
| 22 | 3В0925 | Гнездо подшипника | |
| 23 | С4-3220 | Шайба | |
| 24 | С2-3680 | Болт | |
| 25 | С0-0300 | Bolt | |
| 26 | 3В0910 | Регулятор |
Содержащиеся в справочниках-каталогах запасные части и детали не предлагаются к продаже, а носят исключительно информационный характер