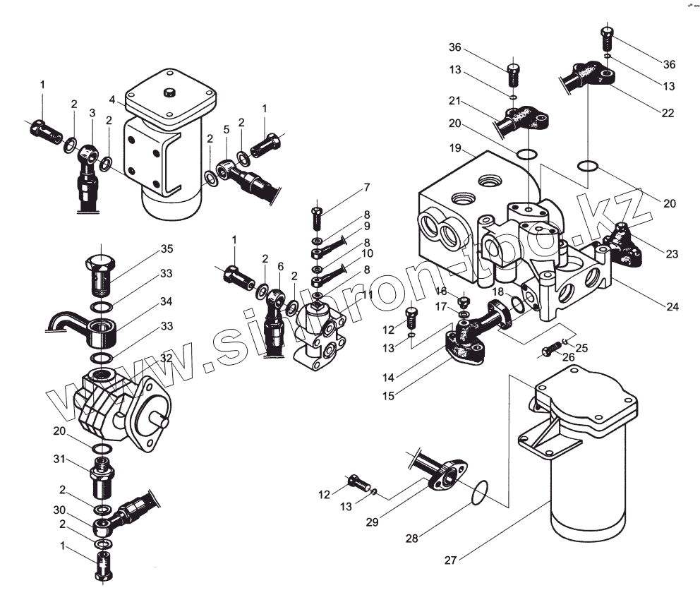
Каталог запасных частей к технике: XCMG DT-140B. 570018 Гидравлическая линия рулевого управления
1
1
1
1
2
2
2
2
2
2
2
2
3
4
5
6
7
8
8
8
9
10
11
12
12
13
13
13
13
14
15
16
17
18
19
20
20
20
21
22
23
24
25
26
27
28
29
30
31
32
33
33
34
35
36
36
| Позиция на иллюстрации | Заводской номер детали | Название детали | |
|---|---|---|---|
| 1 | 573560 | МАСЛЯНАЯ ЗАГЛУШКА | |
| 2 | JB1002-77 | ШАЙБА | |
| 3 | 570361 | ШЛАНГ | |
| 4 | 570322 | ФИЛЬТР ТОНКОЙ ОЧИСТКИ | |
| 5 | 570321 | ШЛАНГ | |
| 6 | 570332 | УЗЕЛ ШЛАНГА | |
| 7 | 573573 | БОЛТ | |
| 8 | JB1002-77 | ШАЙБА | |
| 9 | 570327 | МАСЛЯНАЯ ТРУБА I | |
| 10 | 570326 | МАСЛЯНАЯ ТРУБА II | |
| 11 | 570328 | ОБРАТНЫЙ КЛАПАН | |
| 12 | GB5783-86 | Болт | |
| 13 | GB93-76 | Шайба | |
| 14 | 570331 | СОЕДИНЕНИЕ, ЛЕВОЕ | |
| 15 | 573571 | БУМАЖНАЯ ПРОКЛАДКА | |
| 16 | 573572 | МАСЛЯНАЯ ЗАГЛУШКА | |
| 17 | JB1002-77 | ШАЙБА | |
| 18 | GB1235-76 | Кольцо | |
| 19 | 570323 | КЛАПАН РУЛЕВОГО УПРАВЛЕНИЯ | |
| 20 | GB1235-76 | Кольцо | |
| 21 | 570329 | ВЫХОДНАЯ МАСЛЯНАЯ ТРУБА | |
| 22 | 570328 | ОБРАТНЫЙ КЛАПАН | |
| 23 | 570352 | СОЕДИНЕНИЕ, ПРАВОЕ | |
| 24 | 570324 | РЕДУКЦИОННЫЙ КЛАПАН | |
| 25 | GB93-76 | Шайба | |
| 26 | GB5783-76 | БОЛТ M10x30 | |
| 27 | 570322 | ФИЛЬТР ТОНКОЙ ОЧИСТКИ | |
| 28 | GB1235-76 | Кольцо | |
| 29 | 570317 | ТРУБА НИЗКОГО ДАВЛЕНИЯ | |
| 30 | 570316 | ШЛАНГ | |
| 31 | 573574 | СОЕДИНЕНИЕ | |
| 32 | GBF-E32 | ШЕСТЕРЕННЫЙ НАСОС | |
| 33 | JB1002-77 | ШАЙБА | |
| 34 | 570315 | ТРУБА НИЗКОГО ДАВЛЕНИЯ | |
| 35 | 573563 | СОЕДИНИТЕЛЬНЫЙ БОЛТ ТРУБЫ НИЗКОГО ДАВЛЕНИЯ | |
| 36 | GB5783-86 | Болт |
Содержащиеся в справочниках-каталогах запасные части и детали не предлагаются к продаже, а носят исключительно информационный характер