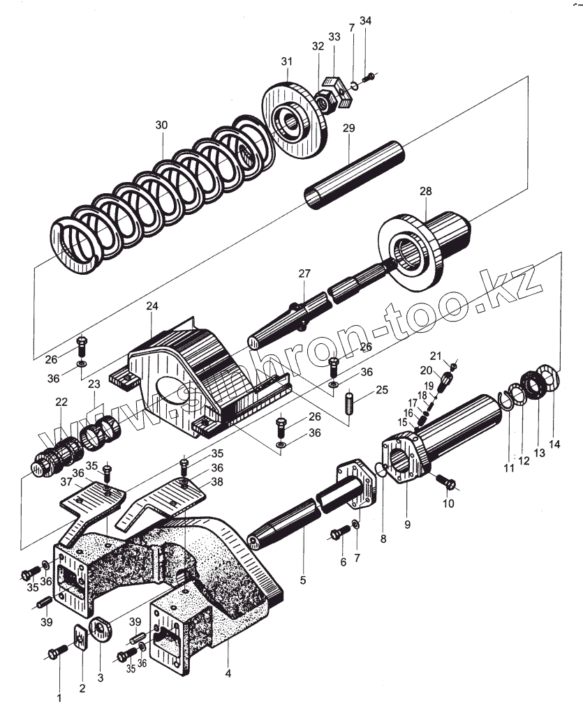
Каталог запасных частей к технике: XCMG DT-140B. 320239 Левый натяжитель гусеницы, 320238 правый натяжитель гусеницы
1
2
3
4
5
6
7
7
8
9
9
10
11
12
13
14
15
16
17
18
19
20
21
22
23
24
25
26
26
26
27
28
29
30
31
32
33
34
35
35
35
35
36
36
36
36
36
36
36
37
38
39
39
| Позиция на иллюстрации | Заводской номер детали | Название детали | |
|---|---|---|---|
| 1 | GB5783-86 | Болт | |
| 2 | 323594 | СТОПОРНАЯ ПРОКЛАДКА | |
| 3 | 323593 | ПРИЖИМНАЯ ПЛАСТИНА | |
| 4 | 320256 | СВАРНОЙ КОНЕЦ ВИЛКИ | |
| 5 | 320244 | ПОДЪЕМНЫЙ ШТОК | |
| 6 | GB5781-86 | Болт | |
| 7 | GB93-87 | Шайба 12 | |
| 8 | GB1235-76 | Кольцо | |
| 9 | 320245 | ЦИЛИНДР, ЛЕВЫЙ | |
| 9 | 320246 | ЦИЛИНДР, ПРАВЫЙ | |
| 10 | 323588 | МАСЛЯНАЯ ЗАГЛУШКА | |
| 11 | GB894-86 | КОНТРОВОЧНОЕ КОЛЬЦО 48 | |
| 12 | 323575 | ШАЙБА, МАЛАЯ | |
| 13 | 323576 | УПЛОТНИТЕЛЬНОЕ КОЛЬЦО | |
| 14 | 323577 | ШАЙБА | |
| 15 | 323724 | ПРОКЛАДКА | |
| 16 | 323608 | ЗАГЛУШКА | |
| 17 | 323607 | ПРОКЛАДКА | |
| 18 | 323606 | ПРУЖИНА | |
| 19 | GB308-84 | СТАЛЬНОЙ ШАР 6G1000 | |
| 20 | 323609 | КОРПУС МАСЛЕНКИ | |
| 21 | GB1152-79 | Заглушка для смазки | |
| 22 | 323571 | ПОРШЕНЬ | |
| 23 | 323573 | МУФТА ПОРШНЯ | |
| 24 | 320243 | СУППОРТ | |
| 25 | GB119-86 | Штырь | |
| 26 | GB5783-86 | Болт | |
| 27 | 323582 | ТОЛКАТЕЛЬ | |
| 28 | 320248 | ПЕРЕДНЕЕ СЕДЛО ПРУЖИНЫ | |
| 29 | 323584 | ОГРАНИЧИВАЮЩАЯ ВТУЛКА | |
| 30 | 323585 | ОТКАТНАЯ ПРУЖИНА, БОЛЬШАЯ | |
| 31 | 323586 | ЗАДНЕЕ СЕДЛО ПРУЖИНЫ | |
| 32 | GB6171-86 | Гайка | |
| 33 | 323587 | СТОПОРНАЯ ШАЙБА | |
| 34 | GB5783-86 | Болт | |
| 35 | GB5783-86 | Болт | |
| 36 | GB93-87 | Шайба 12 | |
| 37 | 320253 | СВАРНОЙ ПРАВЫЙ СКРЕБОК | |
| 38 | 320252 | СВАРНОЙ ЛЕВЫЙ СКРЕБОК | |
| 39 | GB119-86 | Штырь |
Содержащиеся в справочниках-каталогах запасные части и детали не предлагаются к продаже, а носят исключительно информационный характер