Вернуться на главную
Поиск
Каталоги запчастей к технике
Спецтехника
XCMG
500KN, 500KSN
Система централизованного измерения давления LW500KN
Каталог запасных частей к технике: XCMG 500KN, 500KSN. Система централизованного измерения давления LW500KN
zoom-in
zoom-out
enlarge
shrink
circle-right
circle-left
file-text2
info
cart
Тип техники
Не выбрано
Легковые автомобили
Грузовые автомобили и прицепы
Автобусы
Сельхозтехника
Спецтехника
Двигатели
Мототехника
Марка
Не выбрано
Ammann
BOMAG
CARMIX
CASE IH
Changlin
ChengGong
Dimex
Doosan
DYNAPAC
Foton
HAMM
Hidromek
Hitachi
Hyundai
JCB
JLG
John Deere
Komatsu
LIEBHERR
LiuGong
Lonking (LongGong)
Luneng
MANITOU
Mitsuber
New Holland
PENGPU
RM-Terex
SANY
SDLG
SEM
Shantui
Shehwa HBXG
Soosan
TIGARBO
VOGELE
Volvo
WAY
WIRTGEN
XCMG
XGMA
Xiamen
YTO
Yuchai
Zoomlion
Автокран
АЗСМ
Алтайлесмаш
Амкодор
АОМЗ
Атек
АТЗ
Балканкар Рекорд
БелАЗ
Беловеж
Борекс
Брянский Арсенал
Булат
ВЭКС
ГАЗ
Геомаш
Гидромаш
Донекс
Дормаш
Дормашина
Дорэлектромаш
ДЭЗ
ЕлАЗ
ЗЗГТ
Ижнефтемаш
Канаш-электрокар
КЗКТ
ККЗ
Клевер
Клинцовский автокрановый завод
КМЗ
КМЗ 1 Мая
Ковровец
Коммаш
Кранэкс
КЭЗ
КЭМЗ
ЛЗА
МАЗ
МЗИК
МЗКМ
МЗКТ
Михневский РМЗ
МоАЗ
Мозырский МЗ
МТЗ
ОЗП
Онежец
ПАО "ТЗА"
ППС Детва
Промтрактор
ПТЗ
Раскат
СпецАгрегат
ТВЭКС
ТТМ
УВЗ
Угличмаш
УЗТМ
ХТЗ
ЧЗКМ
ЧСДМ
ЧТЗ
ЭКСКО
ЭКСМАШ
ЮрМаш
Модель
Не выбрано
500KN, 500KSN (2013)
DT-140B (2010)
LW-166 (2008)
LW-541F (2010)
LW300FN (2013)
LW300KN (2013)
LW321F (2010)
QY25K (2010)
QY25K5-I (2009)
QY30K5-I (2009)
QY30KH (2009)
QY30KL (2009)
QY30KT5 (2009)
QY50K (2010)
QY50K (вариант) (2010)
QY65K (2010)
QY70K (2010)
QY70K (вариант) (2010)
WZ30-25 (2008)
WZ30-25 (англ.) (2008)
XCT25L4_S (2019)
XCT25L5_S (2019)
XE150D (2011)
XE230 (2011)
XE80 (2012)
XS143 (2017)
XS160 (XS190) (2010)
XSM218 (XSM220) (2010)
XSM218, XSM220 (2010)
XZ16K-XZ50K (2010)
XZ200 (2014)
XZ320 (2012)
XZ360E (2016)
XZ500 (2012)
XZ65K (2010)
XZ680A (2014)
YL16 (YL20) (2008)
YZC7 (2010)
ZL30BR (2014)
ZL30G (2008)
ZL30H (2012)
ZL50G (2008)
Автогрейдер-GR135 (2012)
ГНБ XZ-180 (2012)
Катки XD30, XD40 (2008)
Раб. оборуд. грейдеров GR (2010)
Схема
>
Не выбрано
Перечень деталей периодического техобслуживания (для двигателя WEICHAI) LW500KN
Перечень деталей периодического техобслуживания (для двигателя SHANGCHAI) LW500KN
Сборочный чертеж LW500KN
Система двигателя LW500KN
Топливный бак в сборе LW500KN
Газовая педаль в сборе LW500KN
Радиатор в сборе (800350007, 101302) LW500KN
Магистраль радиатора гидравлического масла LW500KN
Магистраль радиатора масла двойного переключения LW500KN
Система двойного переключения LW500KN
Опора в сборе LW500KN
Монтаж фильтра LW500KN
Монтаж ведущего моста и передаточного вала LW500KN
Передний передаточный вал (252900463) LW500KN
Промежуточный передаточный вал (252900464) LW500KN
Задний передаточный вал (252900465) LW500KN
Обод колеса (800302356) LW500KN
Системы тележки LW500KN
Передняя рама LW500KN
Заливная труба передней рамы в сборе LW500KN
Задняя рама LW500KN
Рабочая гидросистема LW500KN
Рабочая гидросистема (252907398) LW500KSN
Рабочая гидросистема LW500KN
Рабочая гидросистема (252901307) LW500KSN
Гидросистема поворота LW500KN
Гидросистема поворота (252907097) LW500KSN
Серво-гидросистема LW500KN
Серво-гидросистема (252901512) LW500KSN
Серво-гидросистема (252901306) LW500KSN
Рабочая гидравлическая система (252907549) LW500KSN
Рабочая гидравлическая система (252901307) LW500KSN
Трехсекционная сервогидросистема SL
Трехэлементная гидравлическая магистраль SL
Система централизованного измерения давления LW500KN
Гидробак LW500KN
Цилиндр поворотного ковша LW500KN
Масляный цилиндр левой стрелы (803013063) LW500KN
Маслоцилиндр правой стрелы(803013064) LW500KN
Левый, правый поворотный гидроцмлиндр LW500KN
Клапан-ограничитель LW500KN
Увеличительный клапан расхода LW500KN
Распределительный клапан GDF-32 LW500KN
Рабочий рычажный механизм LW500KN
Ковш-лопата стандартной компоновки (3.0) 253000506 LW500KN
Ковш-лопата стандартной компоновки (2.7) 253000538 LW500KN
Кошв для пород (зубья 3.0) 253000540 LW500KN
Ковш-лопата легкого материала (3.5) 253000542 LW500KN
Ковш-лопата легкого материала (4.5) 253000543 LW500KN
Кошв для пород (Зубья сварочной втулки гнезда 3.0) 252109208 LW500KN
Ковш-лопата легкого материала (4.0) 252904851 LW500KN
Ковш-лопата легкого материала (5.0) 252904836 LW500KN
Ковш-лопата (Модель рудничного типа 2.5) 252110032 LW500KN
Тормозная система LW500KN
Тормозная система (Альпийски-арктический тип) LW500KN
Воздухосборник LW500KN
Контроллер тормоза LW500KN
Тормозный клапан ручного управления в сборе LW500KN
Тормозная магистраль моста LW500KN
Компинированный клапан масловодоотделителя (860110632) LW500KN
Сушительный клапан в сборе (252904515) LW500KN
Воздушный насос форсажа (800901159, 860117735) LW500KN
Воздушный насос форсажа (800902676, 800902677) LW500KN
Кабина LW500KN (1)
Кабина LW500KN (2)
Электросистема (252907130) LW500KN
Капот машины LW500KN
Система вентиляции LW500KN
Система кондиционера LW500KN
Выпариватель в сборе (CDKT 87II -010) LW500KN
Монтаж компрессора
Монтаж компрессора (SHANGCHAI) LW500KN
Сопроводительный инструмент LW500KN
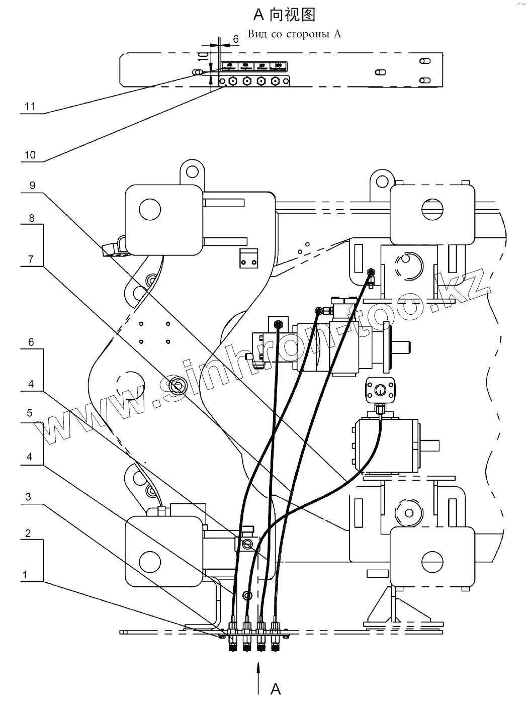
1
2
3
4
4
5
6
6
7
8
9
10
11
Позиция на иллюстрации
Заводской номер детали
Название детали
1
805000018
Болт М8х20
2
805300010
Шайба 8
3
252110311
Манометрическое соединение в сборе
4
252906068
Манометрический провод
5
805002295
Соединение
6
803164245
Соединение
7
252906069
Манометрический провод
8
803166753
Соединение
9
252906070
Манометрический провод
10
252906067
Установочная планка
11
252906072
Маркировка измерения давления
Содержащиеся в справочниках-каталогах запасные части и детали не предлагаются к продаже, а носят исключительно информационный характер
Дополнительная информация
×
Название:
Номер:
Примечание: