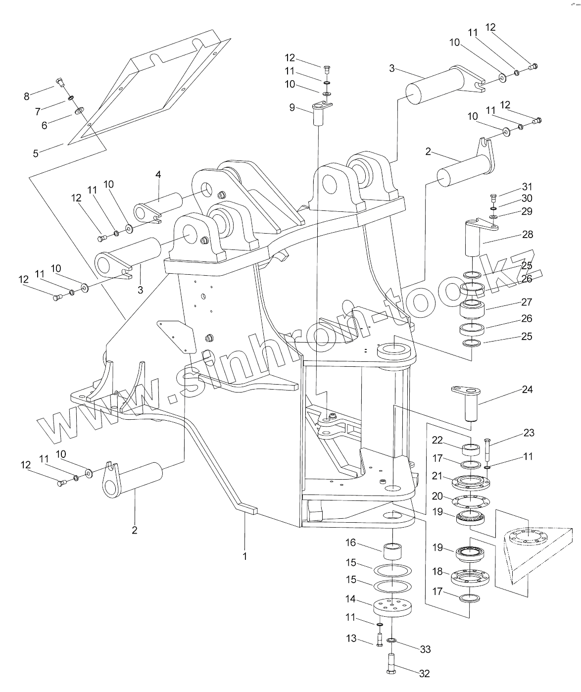
Каталог запасных частей к технике: XCMG 500KN, 500KSN. Передняя рама LW500KN
1
2
2
3
3
4
5
6
7
8
9
10
10
10
10
10
10
11
11
11
11
11
11
11
11
12
12
12
12
12
12
13
14
15
15
16
17
17
18
19
19
20
21
22
23
24
25
25
26
26
27
28
29
30
31
32
33
| Позиция на иллюстрации | Заводской номер детали | Название детали | |
|---|---|---|---|
| 1 | 252900508 | Передняя рама | |
| 2 | 252100574 | Палец цилиндра стрелы - передней рамы | |
| 3 | 252904920 | Стрела - передней рамы | |
| 4 | 252900387 | Палец опрокидывающего коробка - передней рамы | |
| 5 | 252900552 | Передний капот | |
| 6 | 805300017 | Шайба 10 | |
| 7 | 805300014 | Шайба 10 | |
| 8 | 805000714 | Болт М10х20 | |
| 9 | 251400276 | Шворень | |
| 10 | 805300111 | Шайба 16 | |
| 11 | 805300011 | Шайба 16 | |
| 12 | 805000022 | Болт М16х25 | |
| 13 | 805000281 | Bolt | |
| 14 | 252903800 | Установочная планка | |
| 15 | 252900351 | Регулирующая шайба | |
| 16 | 252900352 | Нижняя втулка | |
| 17 | 803164083 | Уплотнительное кольцо | |
| 18 | 252900353 | Крышка нижнего подшипника | |
| 19 | 800500278 | Подшипник | |
| 20 | 251400267 | Регулирующая шайба | |
| 21 | 252900354 | Крышка верхнего подшипника | |
| 22 | 252900355 | Верхняя втулка | |
| 23 | 805000217 | Болт М16х100 | |
| 24 | 252903797 | Нижний шарнирный палец | |
| 25 | 803164070 | Уплотнительное кольцо | |
| 26 | 252900754 | Сепаратор подшипника | |
| 27 | 800511235 | Откидной подшипник | |
| 28 | 252900390 | Верхний шарнирный палец | |
| 29 | 250400150 | Шайба | |
| 30 | 805300023 | Шайба 20 | |
| 31 | 805000281 | Bolt | |
| 32 | 252903801 | Болт | |
| 33 | 805300048 | Washer |
Содержащиеся в справочниках-каталогах запасные части и детали не предлагаются к продаже, а носят исключительно информационный характер