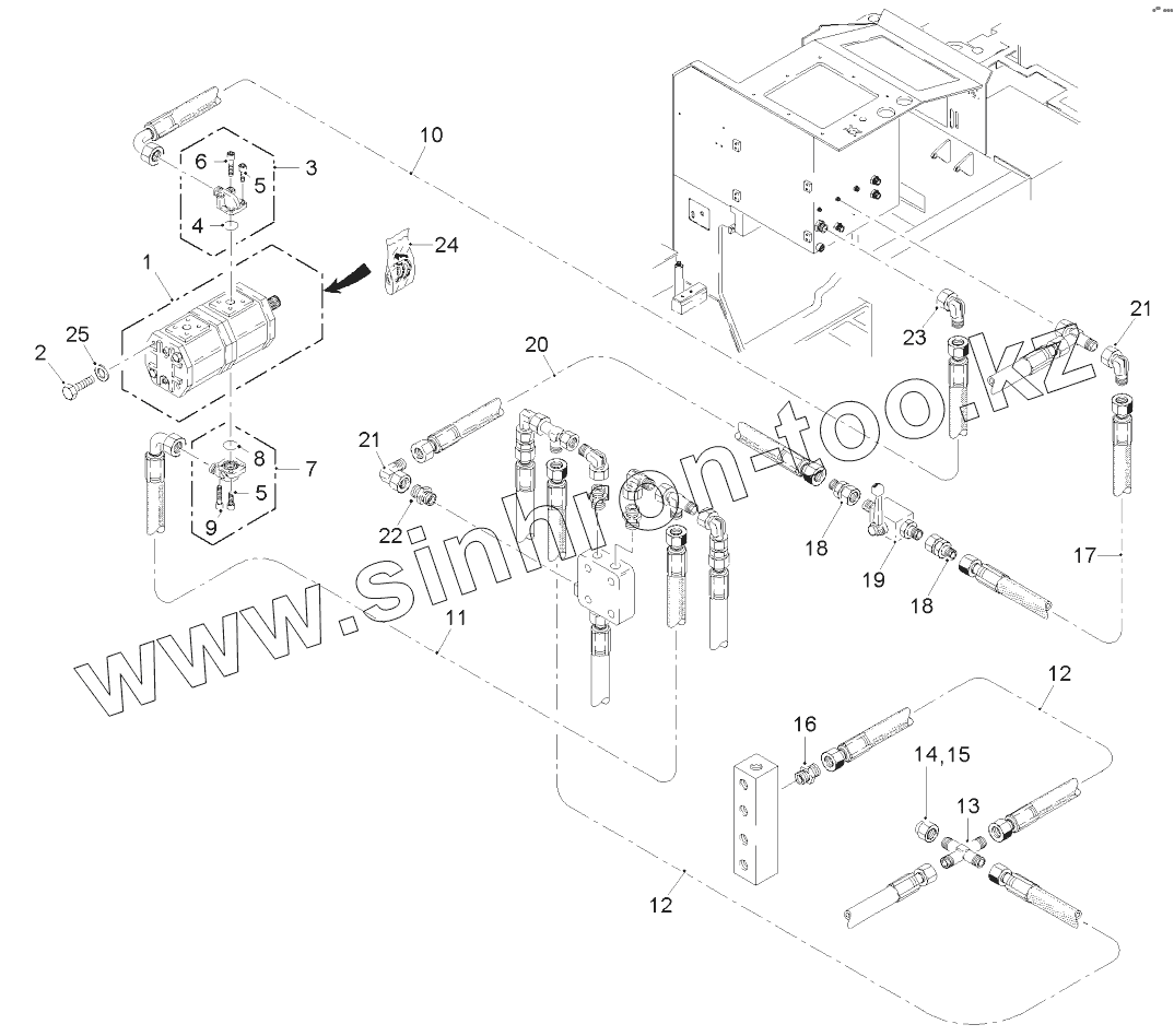
Каталог запасных частей к технике: WIRTGEN W600DC. OIL FEED - CONVEYOR DRIVE
1
2
3
4
5
5
6
7
8
9
10
11
12
12
13
14
15
16
17
18
18
19
20
21
21
22
23
24
25
| Позиция на иллюстрации | Заводской номер детали | Название детали | |
|---|---|---|---|
| 1 | 96368 | TANDEM PUMP | |
| 2 | 131759 | SCREW | |
| 3 | 11062 | ANGLE FLANGE SCREWING | |
| 4 | 10894 | O-RING SEAL | |
| 5 | 10895 | SCREW | |
| 6 | 6112 | SCREW | |
| 7 | 41356 | ANGLE FLANGE SCREWING | |
| 8 | 10917 | O-RING SEAL | |
| 9 | 6111 | SCREW | |
| 10 | 1662 | HYDRAULIC HOSE | |
| 11 | 104512 | HYDRAULIC HOSE | |
| 12 | 73207 | HYDRAULIC HOSE | |
| 13 | 1125 | EQUAL TEE | |
| 14 | 3367 | CAP NUT | |
| 15 | 3358 | DUMMY PLUG | |
| 16 | 2761 | MALE STUD COUPLING | |
| 17 | 68177 | HYDRAULIC HOSE | |
| 18 | 5047 | REDUCING COUPLING | |
| 19 | 1912 | BALL-CLOSURE COCK | |
| 20 | 81843 | HYDRAULIC HOSE | |
| 21 | 2888 | ADJUSTABLE MALE STUD ELBOW | |
| 22 | 4998 | MALE STUD COUPLING | |
| 23 | 1119 | ADJUSTABLE MALE STUD ELBOW | |
| 24 | 39302 | SEALING KIT CPL. | |
| 25 | 5274 | WASHER |
Содержащиеся в справочниках-каталогах запасные части и детали не предлагаются к продаже, а носят исключительно информационный характер