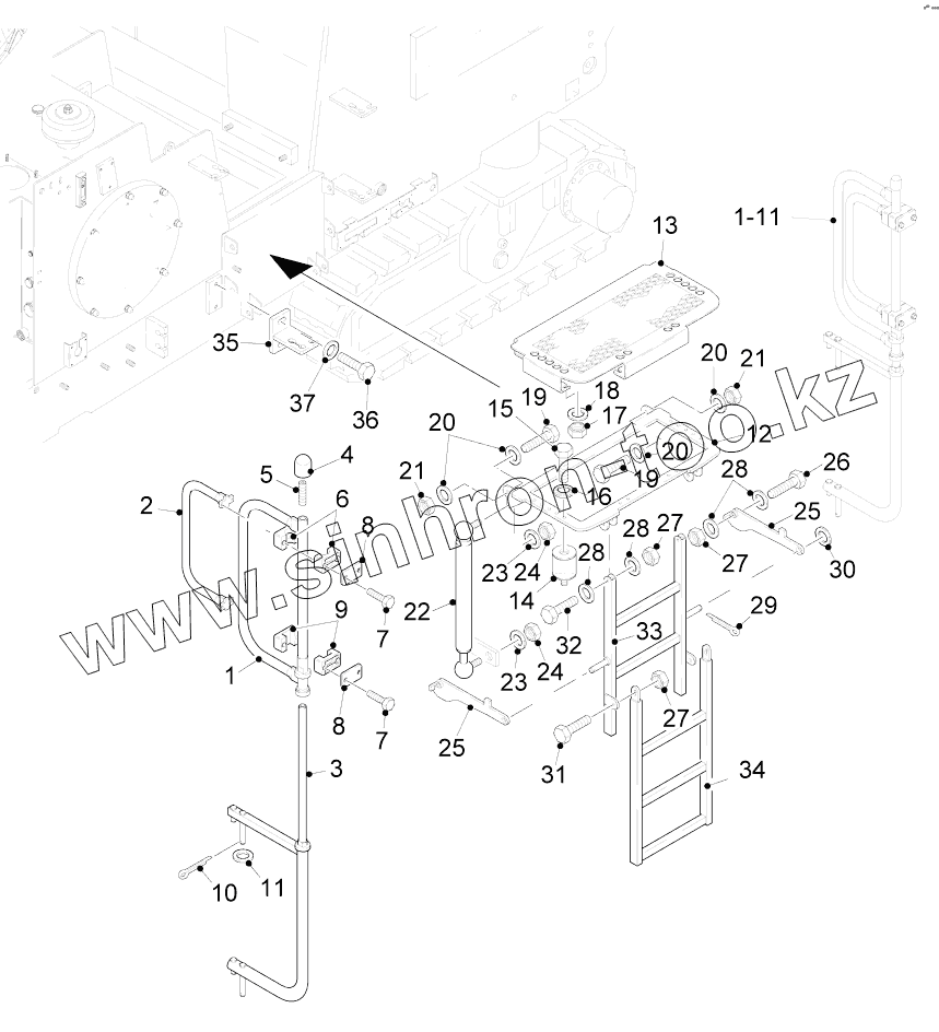
Каталог запасных частей к технике: WIRTGEN W1500. LADDER LEFT/RIGHT
1
1
2
3
4
5
6
7
7
8
8
9
10
11
11
12
13
14
15
16
17
18
19
19
20
20
20
21
21
22
23
23
24
24
25
25
26
27
27
27
28
28
28
29
30
31
32
33
34
35
36
37
| Позиция на иллюстрации | Заводской номер детали | Название детали | |
|---|---|---|---|
| 1 | 115605 | HAND-RAIL | |
| 2 | 119875 | HAND-RAIL | |
| 3 | 115523 | HAND-RAIL | |
| 4 | 119961 | BALL-HEAD | |
| 5 | 69062 | THREADED PIN | |
| 6 | 4114 | PIPE CLIP | |
| 7 | 5950 | SCREW | |
| 8 | 17672 | COVER PLATE | |
| 9 | 56028 | PIPE CLIP | |
| 10 | 13560 | SPLIT PIN | |
| 11 | 5131 | WASHER | |
| 12 | 140149 | STEP | |
| 13 | 140146 | STEP | |
| 14 | 101058 | SILENTBLOC | |
| 15 | 4179 | SCREW | |
| 16 | 5208 | WASHER | |
| 17 | 12247 | HEXAGON NUT | |
| 18 | 51957 | WASHER | |
| 19 | 4220 | SCREW | |
| 20 | 5274 | WASHER | |
| 21 | 5269 | HEXAGON NUT | |
| 22 | 139877 | GAS SPRING | |
| 23 | 5206 | WASHER | |
| 24 | 12247 | HEXAGON NUT | |
| 25 | 140153 | SLEWING BOW | |
| 26 | 4213 | SCREW | |
| 27 | 5269 | HEXAGON NUT | |
| 28 | 5274 | WASHER | |
| 29 | 9851 | SPLIT PIN | |
| 30 | 5158 | WASHER | |
| 31 | 4222 | SCREW | |
| 32 | 4213 | SCREW | |
| 33 | 134315 | LADDER | |
| 34 | 142417 | LADDER | |
| 35 | 143189 | SUPPORT | |
| 36 | 4262 | SCREW | |
| 37 | 39994 | WASHER |
Содержащиеся в справочниках-каталогах запасные части и детали не предлагаются к продаже, а носят исключительно информационный характер