Вернуться на главную
Поиск
Каталоги запчастей к технике
Спецтехника
WIRTGEN
W1000L
CUTT.DRUM UNIT-SIDE PLATES
Каталог запасных частей к технике: WIRTGEN W1000L. CUTT.DRUM UNIT-SIDE PLATES
zoom-in
zoom-out
enlarge
shrink
circle-right
circle-left
file-text2
info
cart
Тип техники
Не выбрано
Легковые автомобили
Грузовые автомобили и прицепы
Автобусы
Сельхозтехника
Спецтехника
Двигатели
Мототехника
Марка
Не выбрано
Ammann
BOMAG
CARMIX
CASE IH
Changlin
ChengGong
Dimex
Doosan
DYNAPAC
Foton
HAMM
Hidromek
Hitachi
Hyundai
JCB
JLG
John Deere
Komatsu
LIEBHERR
LiuGong
Lonking (LongGong)
Luneng
MANITOU
Mitsuber
New Holland
PENGPU
RM-Terex
SANY
SDLG
SEM
Shantui
Shehwa HBXG
Soosan
TIGARBO
VOGELE
Volvo
WAY
WIRTGEN
XCMG
XGMA
Xiamen
YTO
Yuchai
Zoomlion
Автокран
АЗСМ
Алтайлесмаш
Амкодор
АОМЗ
Атек
АТЗ
Балканкар Рекорд
БелАЗ
Беловеж
Борекс
Брянский Арсенал
Булат
ВЭКС
ГАЗ
Геомаш
Гидромаш
Донекс
Дормаш
Дормашина
Дорэлектромаш
ДЭЗ
ЕлАЗ
ЗЗГТ
Ижнефтемаш
Канаш-электрокар
КЗКТ
ККЗ
Клевер
Клинцовский автокрановый завод
КМЗ
КМЗ 1 Мая
Ковровец
Коммаш
Кранэкс
КЭЗ
КЭМЗ
ЛЗА
МАЗ
МЗИК
МЗКМ
МЗКТ
Михневский РМЗ
МоАЗ
Мозырский МЗ
МТЗ
ОЗП
Онежец
ПАО "ТЗА"
ППС Детва
Промтрактор
ПТЗ
Раскат
СпецАгрегат
ТВЭКС
ТТМ
УВЗ
Угличмаш
УЗТМ
ХТЗ
ЧЗКМ
ЧСДМ
ЧТЗ
ЭКСКО
ЭКСМАШ
ЮрМаш
Модель
Не выбрано
W1000L (2017)
W1500 (2008)
W1900 (2008)
W200 (2018)
W600DC (2017)
Схема
>
Не выбрано
CHASSIS / COVERS
LIGHTING / WARNING DEVICE
OPERATING INSTRUCTIONS/WARNING LEFT
OPERATING INSTRUCTIONS/WARNING RIGHT
CUTT.DRUM UNIT-STICKERS
CONTROL DESK
CONTROL UNIT MOUNTING PLATE
CONTROL PANEL, RH
COVERS
TERMINAL BOX OPERATORS`STAND
OPERATOR'S STATION WITH LADDER
OPERATOR'S STAT.WITHOUT LADDER
DRIVER'S SEAT
PROTECTIVE ROOF
ELECTRICAL DRIVEN CANOPY
MIRROR
DRIVE/MILL.DRUM FB400/500/600
DRIVE/MILL.DRUM
COUPLING
BELT TENSIONER UNIT
DRUM SUSPENSION FB400/500/600
DRUM SUSPENSION FB1000/FT250
SIDE PLATE FB300/400/500/600
SIDE PLATE FB300/400/500/600
SIDE PLATE FB1000/FT250
SIDE PLATE FB1000/FT250
SCRAPER FB600
SCRAPER FB300
SCRAPER FB400
SCRAPER FB500
SCRAPER BLADE
DRUM FB400/500/600 HT1
DRUM FB300/400/500/600 HT3
DRUM FB300 HT11 LA15 AW2
DRUM FB400 HT11 LA15 AW2
DRUM FB500 HT11 LA15 AW2
DRUM FB600 HT11 LA15 AW2
DRUM FB1000 HT1
DRUM FB1000 HT3
DRUM FB1000 HT11 LA15 AW2
FORM CUTTER FB80 HT2
CUTTING DRUM UNIT-BASIC
CUTTING DRUM UNIT-DRIVE
CUTTING DRUM UNIT
CUTT.DRUM UNIT-SIDE PLATES
CUTT.DRUM UNIT-SIDE PLATES
CUTTING DRUM UNIT-SCRAPER
CUTT.DRUM UNIT-CONVEYOR SLEW.
CUTT.DRUM UNIT-DISCAR.CONVEYOR
CUTT.DRUM UNIT-BRIDGE CONVEYOR
CUTT.DRUM UNIT-SUPP.WHEEL EXT.
CUTT.DRUM UNIT-SUPP.WHEEL EXT.
CUTT.DRUM UNIT-ELECTRIC.SYST.
ASSEMBLY AID
ENGINE/ANCILLARY PARTS
AIR INTAKE / EXHAUST SILENCER
COOLER / COOLING SYSTEM
COVER HOOD / SOUND PROOFING
FUEL SUPPLY
ADVANCE DRIVE - OIL SUPPLY
OIL FEED - CONVEYOR DRIVE
OIL FEED - CYLINDER FUNCTIONS
RETURN FLOWS
BATTERY/STARTER/ALTERNATOR
TERMINAL BOX
HEIGHT ADJUSTMENT REAR
PUMP CONNECTORS 3/4-WHEEL
ADVANCE DRIVE FRONT 3-WHEEL
ADVANCE DRIVE FRONT 4-WHEEL
ADVANCE DRIVE REAR 3/4-WHEEL
SWITCHING SYSTEM 3-WHEEL
SWITCHING SYSTEM 4-WHEEL
BRAKE SYSTEM 3/4-WHEEL
STEERING 3-WHEEL
STEERING 4-WHEEL
CONVEYOR DRIVE
DISCHARGE CONVEYOR - SUPPORT
DISCHARGE CONVEYOR - UP / DOWN
DISCHARGE CONVEYOR, SLEW
DISCHARGE CONVEYOR
DISCHARGE CONVEYOR - COVERS
FOLDING CONVEYOR
FOLDING CONVEYOR - COVER
TRANSVERSE CONVEYOR - DRIVE
TRANSVERSE CONVEYOR
TRANSV.CONV.- MATERIAL PICK-UP
TRANSVERSE CONV.- ANCILL.PARTS
LEVELLING UNIT - STANDARD
LEVELLING UNIT - OPTION
LEVELLING UNIT RIGHT - OPTION
LATERAL TILT
WATER SYSTEM
JACK HAMMER
ADD.HYDRAULIC CONNECTOR
LIGHTING / WARNING DEVICE
LIGHTING / WARNING DEVICE
CONTROL UNIT
FILTER INSERTS-ENGINE
FILTER INSERTS-HYDRAULICS
FILTER INSERTS-HYDRAULICS
TOOLS
KEYS SET
DRESSER UNIT-MOVABLE BEARING
HYDRAULIC ACCESSORIES
O-RING SET
OIL DIAGNOSTIC SET NO.3
MALETA DE MEDICION HIDRAULICA
SERVICE MASTER TEST KIT
VACUUM-PUMP
ELECTRICAL SERVICE CASE
ELECTR.MEASURING/TOOLS CASE
SERVICE SET - BELT REPAIR
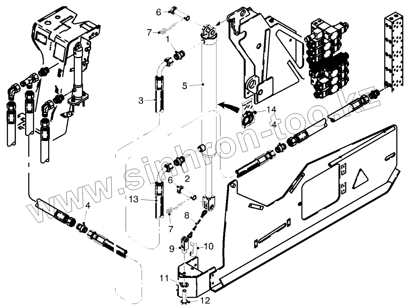
1
2
3
4
4
5
6
6
7
7
8
9
10
11
12
13
14
Позиция на иллюстрации
Заводской номер детали
Название детали
1
78043
MALE STUD COUPLING
2
72625
THROTTLE CONNECTOR
3
31418
HYDRAULIC HOSE
4
2886
STRAIGHT COUPLING
5
3266
HYDRAULIC CYLINDER
6
1322
BOLT
7
7535
SPRING PIN
8
54780
WIRE ROPE
9
19403
FORK HEAD
10
51402
PIN CLIP
11
4829
WASHER
12
4301
SCREW
13
17118
HYDRAULIC HOSE
14
6394
SET OF SEALS
Содержащиеся в справочниках-каталогах запасные части и детали не предлагаются к продаже, а носят исключительно информационный характер
Дополнительная информация
×
Название:
Номер:
Примечание: