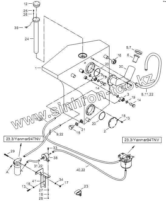
Каталог запасных частей к технике: WAY LOCUST L-752. Топливная система
1
2
3
3
5
6
7
8
9
10
11
12
13
13
13
14
14
15
16
17
18
18
18
18
19
19
20
20
21
22
22
22
22
22
23
24
25
26
27
28
29
30
31
33
34
38
39
40
41
| Позиция на иллюстрации | Заводской номер детали | Название детали | |
|---|---|---|---|
| 1 | 07050001 | ТОПЛИВНЫЙ БАК | |
| 2 | 07050003 | КРЫШКА | |
| 3 | 00050052 | ТРУБОПРОВОД | |
| 5 | 00050037 | ЗАТВОР | |
| 6 | 07050007 | СЕТКА | |
| 7 | 00050036 | УПЛОТНЕНИЕ | |
| 8 | 00263011 | ПРУЖИНА | |
| 9 | 07050011 | ШЛАНГ | |
| 10 | 07050011 | ШЛАНГ | |
| 11 | 07050011 | ШЛАНГ | |
| 12 | 07050014 | ЗАТВОР | |
| 13 | 00031048 | БОЛТ | |
| 14 | 00050062 | БОЛТ | |
| 15 | 07050020 | ПРОБКА | |
| 16 | 07050021 | ГАЙКА | |
| 17 | 00020016 | ГАЙКА | |
| 18 | 00031055 | ПРОКЛАДКА | |
| 19 | 00083008 | УПЛОТНИТЕЛЬНОЕ КОЛЬЦО | |
| 20 | 07050028 | УПЛОТНИТЕЛЬНОЕ КОЛЬЦО | |
| 21 | 00062033 | УПЛОТНИТЕЛЬНОЕ КОЛЬЦО | |
| 22 | 01050013 | ХОМУТ | |
| 23 | 07050031 | ЗАПОНКА | |
| 24 | 07050032 | ДАТЧИК УРОВНЯ | |
| 25 | 07051025 | БОЛТ | |
| 26 | 00111035 | ПРОКЛАДКА | |
| 27 | 00020012 | ПРОКЛАДКА | |
| 28 | 00081060 | ГАЙКА | |
| 29 | 01050016 | БОЛТ | |
| 30 | 07050038 | КРЫШКА | |
| 31 | 07050011 | ШЛАНГ | |
| 33 | 00101038 | БОЛТ | |
| 34 | 00020019 | ПРОКЛАДКА | |
| 38 | 07233020 | ПОДКАЧИВАЮЩИЙ НАСОС | |
| 39 | 11050032 | ВКЛЮЧЕНИЕ ДАТЧИКА | |
| 40 | 07050011 | ШЛАНГ | |
| 41 | 07051041 | КОНСОЛЬ |
Содержащиеся в справочниках-каталогах запасные части и детали не предлагаются к продаже, а носят исключительно информационный характер