Каталог запасных частей к технике: WAY LOCUST L-752. Двигатель с принадлежностями
1
2
3
4
5
6
7
7
8
8
9
9
10
10
11
12
13
14
15
15
15
16
18
19
20
21
22
23
24
25
26
27
28
29
30
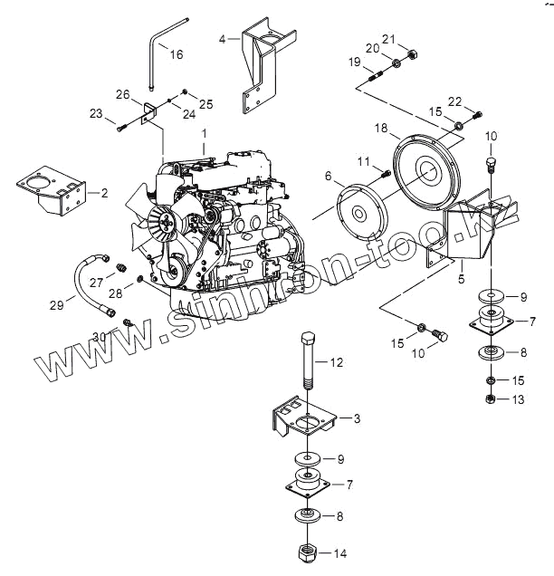
| Позиция на иллюстрации | Заводской номер детали | Название детали | |
|---|---|---|---|
| 1 | 07174001 | ДВИГАТЕЛЬ | |
| 2 | 07171002 | КОНСОЛЬ ЛЕВАЯ | |
| 3 | 07171003 | КОНСОЛЬ ПРАВАЯ | |
| 4 | 07171004 | КОНСОЛЬ КОРОБКИ ЛЕВАЯ | |
| 5 | 07171005 | КОНСОЛЬ КОРОБКИ ПРАВАЯ | |
| 6 | 07171023 | МУФТА | |
| 7 | 01071014 | РЕЗИНОВАЯ РУЖИНА | |
| 8 | 01071022 | ДИСК | |
| 9 | 01071006 | ДИСК | |
| 10 | 00085020 | БОЛТ | |
| 11 | 09020028 | БОЛТ | |
| 12 | 00211012 | БОЛТ | |
| 13 | 00173005 | ГАЙКА | |
| 14 | 01071013 | ГАЙКА | |
| 15 | 00020029 | ПРОКЛАДКА | |
| 16 | 07174016 | ЩУП | |
| 17 | 00211019 | КЛАПАН | |
| 18 | 00211025 | ФЛАНЕЦ | |
| 19 | 00211026 | ШТИФТ | |
| 20 | 00211027 | ПРОКЛАДКА | |
| 21 | 00211028 | ГАЙКА | |
| 22 | 00061070 | БОЛТ | |
| 23 | 00063045 | БОЛТ | |
| 24 | 00020019 | ПРОКЛАДКА | |
| 25 | 01061006 | ГАЙКА | |
| 26 | 07174026 | ЗАПОНКА | |
| 27 | 07174027 | ШТУЦЕР | |
| 28 | 00223010 | ПРОКЛАДКА | |
| 29 | 11171030 | ШЛАНГ | |
| 30 | 07174030 | ПРОБКА |
Содержащиеся в справочниках-каталогах запасные части и детали не предлагаются к продаже, а носят исключительно информационный характер