Каталог запасных частей к технике: WAY LOCUST L-1203. Привод хода левый
1
1
2
3
4
4
5
6
7
8
8
9
10
10
11
12
13
14
15
16
17
18
19
20
21
22
23
24
25
26
27
28
29
30
30
31
32
33
34
35
35
36
37
38
39
40
41
41
42
43
44
44
45
46
46
47
48
49
50
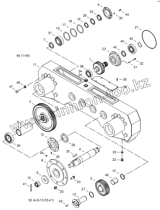
| Позиция на иллюстрации | Заводской номер детали | Название детали | |
|---|---|---|---|
| 1 | 08033001 | ШЕСТЕРНЯ | |
| 2 | 08031003 | КОЛЕСО | |
| 3 | 08033003 | КОЛЕСО | |
| 4 | 08031026 | ВАЛ | |
| 5 | 08031008 | КРЫШКА | |
| 6 | 08033006 | РАСПОРКА | |
| 7 | 08033007 | КОЛЬЦО | |
| 8 | 08031027 | ФЛАНЕЦ | |
| 9 | 08031030 | ШАЙБА | |
| 10 | 08031029 | ГАЙКА | |
| 11 | 08034011 | КОРПУС КОРОБКИ ЛЕВЫЙ | |
| 12 | 08031007 | КРЫШКА | |
| 13 | 08033013 | ВАЛ | |
| 14 | 08033014 | КРЫШКА ЛЕВАЯ | |
| 15 | 08033015 | КОЛЬЦО | |
| 16 | 08033016 | ШАЙБА | |
| 17 | 08033017 | ШАЙБА | |
| 18 | 08033018 | ШАЙБА | |
| 19 | 08033019 | ШАЙБА | |
| 20 | 00031027 | БОЛТ | |
| 21 | 07061032 | КОЛЬЦО | |
| 22 | 00075015 | ПРОБКА | |
| 23 | 07033010 | КРЫШКА ЛЕВАЯ | |
| 24 | 07033023 | ПРОБКA | |
| 25 | 06100009 | ГАЙКА | |
| 26 | 08033026 | ШАЙБА | |
| 27 | 07033026 | КОЛЬЦО | |
| 28 | 08031015 | САЛЬНИК | |
| 29 | 00031028 | ГАЙКА | |
| 30 | 00020029 | ПРОКЛАДКА | |
| 31 | 00176005 | ШАЙБА | |
| 32 | 08033032 | ГАЙКА | |
| 33 | 00066014 | КОЛЬЦО | |
| 34 | 00066016 | УПЛОТНИТЕЛЬНОЕ КОЛЬЦО | |
| 35 | 08031028 | ШПОНКА | |
| 36 | 07120031 | БОЛТ | |
| 37 | 08031013 | ПОДШИПНИК | |
| 38 | 00042033 | ПОДШИПНИК | |
| 39 | 08031014 | ПОДШИПНИК | |
| 40 | 07031017 | ПОДШИПНИК | |
| 41 | 07412011 | ШПЛИНТ | |
| 42 | 07033021 | САЛЬНИК | |
| 43 | 07062069 | БОЛТ | |
| 44 | 09171029 | ГАЙКА | |
| 45 | 07033038 | СТОПОРНОЕ КОЛЬЦО | |
| 46 | 07033016 | ВТУЛКА | |
| 47 | 00211036 | ГАЙКА | |
| 48 | 00171024 | ШАЙБА | |
| 49 | 08034049 | КОРОБКА ПЕРЕДАЧ ЛЕВАЯ | |
| 50 | 08031005 | ВТОРИЧНЫЙ ВАЛ |
Содержащиеся в справочниках-каталогах запасные части и детали не предлагаются к продаже, а носят исключительно информационный характер