Каталог запасных частей к технике: WAY LOCUST L-1203. Электрооборудование рамы
1
2
3
4
5
5
6
6
7
8
10
11
11
12
13
14
14
15
15
16
17
18
20
22
22
23
24
25
25
26
26
27
28
28
29
29
30
31
31
31
32
34
35
35
35
36
37
38
39
39
40
41
42
44
45
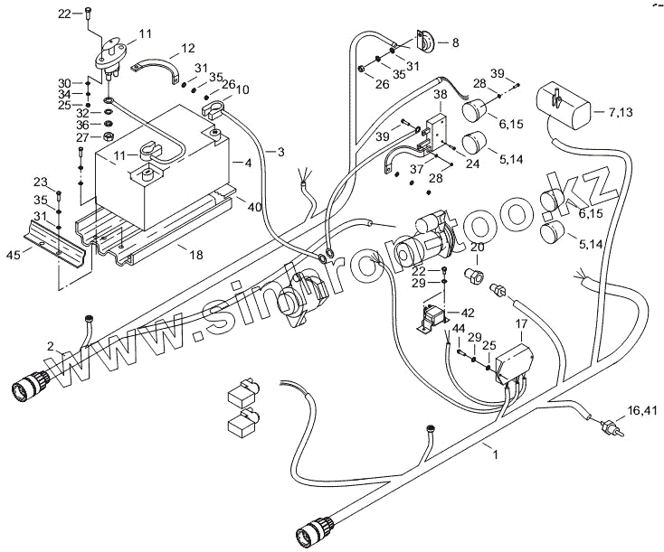
| Позиция на иллюстрации | Заводской номер детали | Название детали | |
|---|---|---|---|
| 1 | 08101001 | ПУЧОК РАМЫ | |
| 2 | 08101002 | ПУЧОК РАМЫ | |
| 3 | 08101003 | СВОБОДНЫЕ ПРОВОДА | |
| 4 | 07101004 | АККУМУЛЯТОР | |
| 5 | 08101005 | ЗАДНИЙ СВЕТ КРАСНЫЙ | |
| 6 | 08101006 | ЗАДНИЙ СВЕТ ЖОЛТЫЙ | |
| 7 | 07101006 | ФАРА | |
| 8 | 00101021 | ГУДОК | |
| 9 | 00101009 | ВЫКЛЮЧАТЕЛЬ МАССЫ | |
| 10 | 07101009 | КЛЕМА АККУМУЛЯТОРА | |
| 11 | 07101025 | КЛЕММА АККУМУЛЯТОРА | |
| 12 | 00101025 | ПОЯС МАССЫ | |
| 13 | 00254035 | ЛАМПОЧКА | |
| 14 | 00252032 | ЛАМПОЧКА | |
| 15 | 00111026 | ЛАМПОЧКА | |
| 16 | 07101014 | ДАТЧИК ТЕМПЕРАТУРЫ | |
| 17 | 00106066 | РЕЛЕ | |
| 18 | 07101016 | ДЕРЖАТЕЛЬ АККУМУЛЯТОРА | |
| 20 | 07101029 | ШТУЦЕР | |
| 21 | 08101021 | БОЛТ | |
| 22 | 08101022 | БОЛТ | |
| 23 | 00064046 | БОЛТ | |
| 24 | 08101024 | БОЛТ | |
| 25 | 00081060 | ГАЙКА | |
| 26 | 00020016 | ГАЙКА | |
| 27 | 00050011 | ГАЙКА | |
| 28 | 00031049 | ГАЙКА | |
| 29 | 08101029 | ПРОКЛАДКА | |
| 30 | 00020012 | ПРОКЛАДКА | |
| 31 | 00020018 | ПРОКЛАДКА | |
| 32 | 00083021 | ПРОКЛАДКА | |
| 33 | 00081064 | ПРОКЛАДКА | |
| 34 | 00031055 | ПРОКЛАДКА | |
| 35 | 00020019 | ПРОКЛАДКА | |
| 36 | 00020029 | ПРОКЛАДКА | |
| 37 | 00031052 | ПРОКЛАДКА | |
| 38 | 00101010 | РОЗЕТКА АККУМУЛЯТОРА | |
| 39 | 00120033 | БОЛТ | |
| 40 | 07101033 | РЕЗИНА | |
| 41 | 00083008 | УПЛОТНИТЕЛЬНОЕ КОЛЬЦО | |
| 42 | 08101042 | РЕЛЕ | |
| 43 | 07101021 | ГАЙКА | |
| 44 | 01050014 | БОЛТ | |
| 45 | 08101045 | СТОПОР |
Содержащиеся в справочниках-каталогах запасные части и детали не предлагаются к продаже, а носят исключительно информационный характер