Вернуться на главную
Поиск
Каталоги запчастей к технике
Спецтехника
Volvo
BL70
11891283,11891289, 11891389, 11891390 Differential. Rear
Каталог запасных частей к технике: Volvo BL70. 11891283,11891289, 11891389, 11891390 Differential. Rear
zoom-in
zoom-out
enlarge
shrink
circle-right
circle-left
file-text2
info
cart
Тип техники
Не выбрано
Легковые автомобили
Грузовые автомобили и прицепы
Автобусы
Сельхозтехника
Спецтехника
Двигатели
Мототехника
Марка
Не выбрано
Ammann
BOMAG
CARMIX
CASE IH
Changlin
ChengGong
Dimex
Doosan
DYNAPAC
Foton
HAMM
Hidromek
Hitachi
Hyundai
JCB
JLG
John Deere
Komatsu
LIEBHERR
LiuGong
Lonking (LongGong)
Luneng
MANITOU
Mitsuber
New Holland
PENGPU
RM-Terex
SANY
SDLG
SEM
Shantui
Shehwa HBXG
Soosan
TIGARBO
VOGELE
Volvo
WAY
WIRTGEN
XCMG
XGMA
Xiamen
YTO
Yuchai
Zoomlion
Автокран
АЗСМ
Алтайлесмаш
Амкодор
АОМЗ
Атек
АТЗ
Балканкар Рекорд
БелАЗ
Беловеж
Борекс
Брянский Арсенал
Булат
ВЭКС
ГАЗ
Геомаш
Гидромаш
Донекс
Дормаш
Дормашина
Дорэлектромаш
ДЭЗ
ЕлАЗ
ЗЗГТ
Ижнефтемаш
Канаш-электрокар
КЗКТ
ККЗ
Клевер
Клинцовский автокрановый завод
КМЗ
КМЗ 1 Мая
Ковровец
Коммаш
Кранэкс
КЭЗ
КЭМЗ
ЛЗА
МАЗ
МЗИК
МЗКМ
МЗКТ
Михневский РМЗ
МоАЗ
Мозырский МЗ
МТЗ
ОЗП
Онежец
ПАО "ТЗА"
ППС Детва
Промтрактор
ПТЗ
Раскат
СпецАгрегат
ТВЭКС
ТТМ
УВЗ
Угличмаш
УЗТМ
ХТЗ
ЧЗКМ
ЧСДМ
ЧТЗ
ЭКСКО
ЭКСМАШ
ЮрМаш
Модель
Не выбрано
BL60
BL61
BL61 Plus
BL70
BL71
BL71 Plus
BL71B
Схема
>
Не выбрано
PRODUCT SIGN PLATE
Engine
11883246, 11885148, 11887320 Cylinder head
11883246, 11885148, 11887320 Cylinder block
11883246, 11885148, 11887320 Crankcase ventilation
11883246, 11885148, 11887320 Pistons
11883246, 11885148, 11887320 Valve mechanism
11883246, 11885148, 11887320 Timing gear casing and gears
11883246, 11885148, 11887320 Crankshaft and related parts
11883246, 11885148, 11887320 Flywheel housing
11883246, 11885148, 11887320 Oil sump
11883246, 11885148, 11887320 Engine mounting
Engine mounting
11883246, 11885148, 11887320 Lubricating oil system
11883246, 11885148, 11887320 Oil filter
11883246, 11885148, 11887320 Oil cooler
11883246, 11885148, 11887320 Fuel pump
Fuel tank, fuel pipes
11883246, 11885148, 11887320 Fuel injection pump with fitting parts
11883246, 11885148, 11887320 Regulator
11883246, 11885148, 11887320 Fuel lines and injectors
11883246, 11885148, 11887320 Inlet manifold and exhaust manifold
Exhaust system, silencer
11883246, 11885148, 11887320 Turbocharger with fitting parts
Air filter with fitting parts
Air filter
Cooling system
Cooling system incl. expansion tank
Radiator with fitting parts
11883246, 11885148, 11887320 Water pump and thermostat housing
Fan and installation components
11883246, 11885148, 11887320 Belt transmission
11891429, 11891430 Engine oil preheating
11880002, 11294005 E PROD, 11294005 L PROD, 11298196, 11298198 Regulator control
11294005, 11298198 Hand throttle
11883246, 11885148 Shutdown device
11882593, 11891392, 11882594, 11891391 Battery box with fitting parts
Alternator with assembling details
Starter motor with assembling details
11891291, 11891292 Work lights
11891014, 11880002, 11298196, 11298198 Direction indicator
Inner lamp
11880002, 11891014, 11891377 Horn
11891261, 11891262 Rotating beacon
11298012, 11298028, 11298196, 11298203 Windshield wiper, front
11298028, 11298196 Windshield wiper, rear
11298028, 11298012, 11298196, 11298203 Windshield washer
11882593 (SINGLE), 11882594 (DOUBLE), 11891392 (SINGLE), 11891391 (DOUBLE) Battery cable and main switch
Cable harness, engine
11891209, 11891224 Cable harness, transmission.
11891255 Cable harness, transmission.
SER NO -10704 Cable Harness Lighting Cab Ext.
Cable Harness cab int. roof
11298196, 11298198, SER NO 10705- Cable Harness cab int. roof
Cable harness chassis
Cable harness rear valve block
Other cables
SER NO -10704 Cable harness, panel
11891209, 11891224, SER NO 10705- Cable harness, panel
11891255 Cable harness, panel
SER NO -10704 Cable harness, control panel right
11891209, 11891224 Cable harness, control panel right
11891255 Cable harness, control panel right
11298028, 11298196 Cable harness heater and air conditioning
11891333 Cable harness, hand tool hydraulic
11891506, 11891507, 11891508, 11891509, 11891510, 11891511 Cable harness, Pilot Excavator Controls
11891238 Cable harness, Loader Quick Attach
11891209, 11891255, 11891506, 11891507, 11891508, 11891509, 11891510, 11891511 Electrical distribut.unit and control unit
11891278, 11891279, 11891280, 11880002, 11891209, 11891224 Instruments panel
Switch
11891332 Anti-theft Kit
STD, 11891090 Foot switch and electric power outlet
Torque converter with fitting parts
11891209 Hydraulic transmission with fitting parts
11887380, 11891209 S/N 11145 - Hydraulic transmission with fitting parts
11890339, 11887379, 11891224 Hydraulic transmission with fitting parts
11890341, 11888337, 11891255 Hydraulic transmission with fitting parts
11891255 S/N 11145 - Hydraulic transmission with fitting parts
11891209 S/N - 11144, 11891255 S/N - 11144, 11891255 S/N 11145 -, 11891209 S/N 11145 - Oil filler and dipstick
11890339, 11887379, 11891224 Oil filler and dipstick
11891209 S/N - 11144 Oil pump
11887380, 11891209 S/N 11145 - Oil pump
11890339, 11887379, 11891224 Oil pump
11891255 S/N - 11144 Oil pump
11891255 S/N 11145 - Oil pump
11891209 S/N - 11144 Clutch shaft forward/reverse
11897380, 11891209 S/N 11145 - Clutch shaft forward/reverse
11880339, 11887379, 11891224 Clutch shaft forward/reverse
11884310, 11890341, 11888337, 11887381, 11891255 Clutch shaft forward/reverse
11891209, 11891224 Reverse and primary shaft
11884310, 11890341, 11888337, 11887381, 11891255 Reverse and primary shaft
11891209 S/N - 11144 Secondary shaft
11887380, 11891209 S/N 11145 - Secondary shaft
11884310, 11890341, 11887381, 11888337, 11891255 Secondary shaft
11891209 Hydraulic clutch, 4wd
11887380, 11891209 S/N 11145 - Shaft, four wheel drive
11884310, 11890341, 11887381, 11888337, 11891255 Hydraulic clutch, 4wd
11891209 Gearshifting
11890339, 11887379, 11891224 Gearshifting
11887380, 11891209 S/N 11145 - Gearshifting
11884310, 11890341, 11887381, 11888337, 11891255 Control valve
11891209, 11891224 S/N - 11144 Range selector valve
11891209, 11891224 S/N 11145 - Range selector valve
11891209 Solenoid valve 4wd
S/N - 11144, S/N 11145 -, 11891209 Gear selector, 4-wheel drive
S/N - 11144, S/N 11145 -, 11891224 Gear selector, 2-wheel drive
11891209, 11891255, 11891224 Gear box housing with fitting parts
11891209, 11891255, 11891224 Propeller shaft, mounting
11883171, 11886355, 11883170, 11888492, 11891224 2WD, 11891209, 11891224, 11891255 Propeller shaft
11883883, 11885275, 11884150, 11885845, 11891283, 11891289, 11891389, 11891390 Planet axles with fitting parts
11887363, 11887362, S/N 11145 - Planet axles with fitting parts
11883883, 11885275, 11887362 S/N 11145 -, 11891283, 11891289, 11891389, 11891390 Planetary axle, front
11883883, 11885275, 11891283, 11891289, 11891389, 11891390 Pinion
S/N 11145 - Pinion
11880002, 11891283, 11891289, 11891389, 11891390 Differential , front axle
S/N - 11144, S/N 11145 -, 11891283, 11891289, 11891389, 11891390 Drive axle
11880002, 11891283, 11891289, 11891389, 11891390 Wheel hub
11880002, 11891283, 11891289, 11891389, 11891390 Planetary gear
11884150, 11885845, 11891283, 11891289, 11891389, 11891390 Planet shaft, rear
S/N 11145 - Planet shaft, rear
11891283, 11891289, 11891389, 11891389 Pinion
S/N 11145 - Pinion
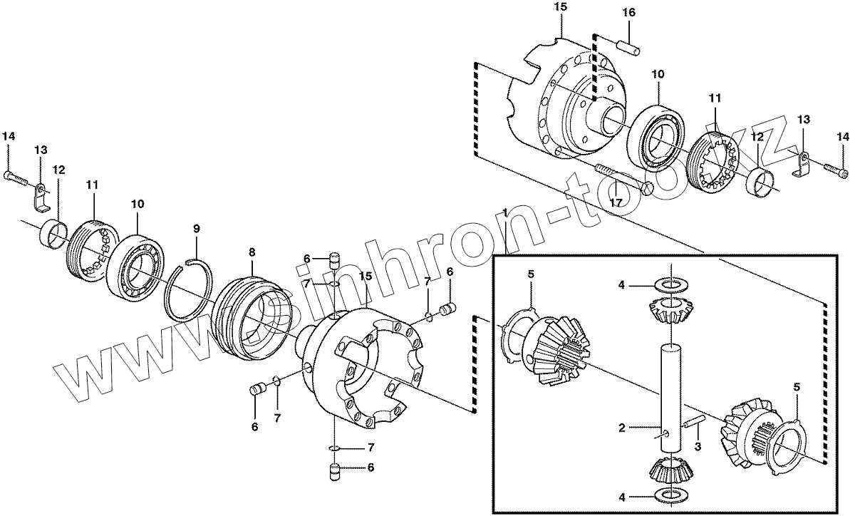
11891283,11891289, 11891389, 11891390 Differential. Rear
Differential. Rear
11891283, 11891289, 11891389, 11891390 Wheel hub
S/N 11145 - Hub reduction, rear axle
11884150, 11885845, 11891283, 11891289, 11891389, 11891390 Planetary gear
11891283, 11891289, 11891389, 11891390 Differential lock
S/N 11145 - Differential lock
11880002 S/N 11145 - Differential lock
11880002, 11891209, 11891224, 11891255 S/N - 11144, 11891255 S/N 11145 -, 11891224 S/N 11145 - Oil cooler, transmission
11884150, 11885845, 11891283, 11891289, 11891389, 11891390 Multi-disc brake, rear
S/N 11145 - Multi-disc brake, rear
11880002, 11891209, 11891224, 11891255, S/N - 11144 Wheel brake, rear
11880002, 11891209, 11891255, S/N 11145 - Wheel brake, rear
11294005, 11298196, 11298198, 11880002 Dual brake pedals
S/N - 11144 Hydraulic parking brake
S/N 11145 - Parking brake
11298159, 11880002, S/N 11145 - Parking brake
11298009, 11298010, 11880002, 11298021 Steering column with fitting parts
11891283, 11891289, 11891390 Steering system
S/N 11145 - Steering system
Control valve
Chassis
11891256 105 KG, 11891315 202+133 KG, 11891316 202+2X133 KG Counterweight
11891283 FRONT, 11891283 REAR, 11891289 FRONT, 11891289 REAR Wheel
11891267 FRONT, 11891267 REAR, 11891275 FRONT, 11891275 REAR Wheel
11294005, 11298196, 11298198, 11891255 Cab body: roof and floor panel.
FRONT, REAR Cab mounting block
11880002, 11298198, 11298196, 11298239 Engine hood
Radiator casing
11298028, 11298029, 11298196, 11298198 Mud guards
11891325 Fender, front
11298029, 11298198 Step handle canopy
Foot step
11298028, 11298196 Door with fitting parts
11294005, 11298013, 11298164, 11298166 Rear view mirror
11294005, 11298028, 11298196, 11298012, 11298203 Glass panes
11294005, 11298028, 11298196 Windows
11298018, 11298028 Interior components
11891099: S/N -10718, 11891100 Operator seat with fitting parts
11891216 S/N 10665-, 11891099 S/N 10719-, 11891217 S/N 10665-, 11891100 S/N 10871-, 11891110 S/N 10687- Operator's seat
11891216 S/N -10664, 11891099 S/N -10718, CLOTH SEATS FOR CABS Operator's seat
11891217 S/N -10664, 11891100 S/N -10870, ROPS Operator's seat
11891110 S/N -10686, CABS Operator's seat, heated, air suspensioned.
11298018, 11298028, 11298196 Heating system
11298018 Air ducts
11298028, 11298196 Air ducts
11298028, 11298196 Cab heater
11298028, 11298196, 11298018 Radiator and control
NEW, OLD, 11298028, 11298196 Cab heater with connectors
11298018 Air conditioning
11298018 Evaporator, assembly
11298018 Assembly hoses: Evaparator, receiver drier, condenser.
11294005, 11298028, 11880002, 11298032, 11298196, 11298198 Instrument panel
11891303, 11891488 Radio bracket
11298032 Vandalism kit
11294005, 11298028, 11298016, 11298198, 11298196 Interior components
S/N - 11144, S/N 11145 -, 11880002 Cover for servo valves
11891506, 11891507, 11891508, 11891509, 11891510, 11891511 Cover for Pilot Excavator Controls
SER NO -10640, EXCL 10637 Toolbox
SER NO 10641-, INCL 10637 Toolbox
11891152 Tool
Sign plates and decals
WARNING Decals
STD, 11891298, 11891324 Hydraulic oil tank
Hydraulic system, suction line, filter
S/N - 10602, S/N 10603 - 11144 Hydraulic system, return line
S/N 11145 - Hydraulic system, return line
S/N - 11144 Hydraulic oil cooler
S/N 11145 - Hydraulic oil cooler
Hydraulic system, feed line
11880002 S/N 11145 - Hydraulic system, feed line
11891090 Hydraulic system, hammer
11891375 Pipes for hammer attachment
Hydraulics loader (lift & tilt)
11891005, 11891065, 11891020 Hydraulic system extendible dipper arm
Hydraulic system, excavator
Hydraulic system, stabiliser legs
11891005, 11891020, 11880002 S/N - 11144, 11891208, 11891065, 11880002 S/N 11145 - Hydraulic system loader
11891005, 11891041, 11891022,11891441, S/N - 11144 Hydraulic system, excavator beam
11880002, S/N 11145 - Hydraulic system, boom
11891005, 11891041, 11891022, 11891441, S/N - 11144 Hydraulic system dipper arm
11880002, S/N 11145 - Hydraulic system dipper arm
11891022 Hydraulic system, bucket
11891041, 11891441, S/N - 11144 Hydraulic system, bucket
11880002, 11891041, 11891441, S/N 11145 - Hydraulic system, bucket
11891005, 11891022, 11891441 Hydraulic system extendible dipper arm
Hydraulic system, lock cylinder
11891065, 11891020, 11891005 Hydraulic system, combi-bucket
11891506, 11891507, 11891508, 11891509, 11891510, 11891511 Hydraulic system pilot excavator controls
11891208, 11891020, 11891005, 11891065 Loader controls
11891506, 11891509 Excavator Controls ISO
11891507, 11891510 Excavator Controls SAE
11891508, 11891511 Excavator Controls SAE/ISO
Valve body
11886146 Valve body
11988512 Inlet valve
11988513 Valve section
11988514, 11988515, 11988517, 11988518 Valve section
11715626, 11715627, 11715629, 11715630 Valve section
11988516 Valve section
11715628 Valve section
11988520 Valve section
11715632 Valve section
Pressure limiting valve
Hydraulic pump with fitting parts
SER NO -10657, EXCL 10656 Hydraulic pump
SER NO 10658-, INCL10656 Hydraulic pump
11891005, 11891020, Ser No -10766 11891208, 11891065, Serial no. 10906-10906, 10916 - 11891005 Servo valve
Ser No 10767- 11891208, 11891065, 11880002 S/N 11145 - Servo valve
11886631, 11886632, 11886633 Servo valve
11891113, 11891112 Controls
SER NO - 10476, 10478-10498, 10501-10502, 10511-10512, 10514-10516, 10518-10522, 10527-10535, 10539-10543, 10551-10553, 10562, 10578-10580, 10585-10602. 11891005, 11891065 Pedal
SER NO 10477, 10499-10500, 10503-10510, 10513, 10517, 10523-10526, 10536-10538, 10544-10550, 10554-10561, 10563-10577, 10581-10584, 10603 - 11891005, 11891065 Pedal
11891333 Optional hydraulic equipment
11891293 S/N - 11144 Boom suspension system
11891293 S/N - 11145 Boom suspension system
11891299 Attachment bracket, mechanical
11891335, 11891352, 11891361, 11891363 Hydraulic attachment bracket digger
11891352, 11891363 Hydraulic attachment bracket digger
11891335, 11891361 Hydraulic attachment bracket digger
11886515, 11887349, 11891335, 11891363 Hydraulic attachment bracket
11891335, 11891363 Hydraulic cylinder, quick attachment
11891238 Hydraulic attachment bracket
11891238 Hydraulic cylinder, quick attachment
11891238 Hydraulic attachment bracket
11891318 S/N - 11144, 11891319, 11891318 S/N 11145 -, 11891320 S/N 11145 - Bucket, straight with teeth
11891202, 11891091, 11891092, 11891321, 11891043 S/N 11145 - Bucket, straight with teeth
11891093, 11891192, S/N 11145 - Bucket, straight with teeth
11891321 S/N - 11144, 11891320 S/N - 11144, 11891043 S/N - 11144, (BACKHOE) Bucket, straight with teeth
11891194, 11891265, 11891264, (LOADER) Bucket, straight with teeth
11891295, 11891296 Bucket, straight lip without teeth
11891540, 11891565 Bucket, straight lip without teeth
11891018 EARLY PROD, 11891265, 11891282, 11891015 Multi-purpose bucket
11891018 LATE PROD, 11891265, 11891282, 11891015 Multi-purpose bucket
11891541 Multi-purpose bucket
11891018 (MULTI-PURPOSE BUCKET) Hydraulic cylinder
11891355, 11891356, 11891357, (BACKHOE) Bucket, straight with teeth
11891350 Transport bracket without front bucket
11891282, 11891176 Fork arm
11891017, 11891331, 11891546 Retainer for hammer
11891017 Hammer
11880002 S/N - 11144, 11891005 S/N - 11144, 11891020 S/N - 11144, 11891065 S/N - 11144 Lifting framework with assembly parts
11891561, 11891539 Pins for mounting bucket
11880002, S/N 11145 - Lifting framework with assembly parts
11883975, 11883976, 11891005, 11891020, 11891065 Hydraulic cylinder lifting
11885484, 11883977, 11891005, 11891020, 11891065, 11891208 Hydraulic cylinder Tilting
Swing system
Boom swing system
Swing cylinder
11884579, 11888096 S/N 11145 - Lock cylinder
S/N - 11144, S/N 11145 - Stabilisers
S/N - 10881, S/N 10882 - Stabiliser cylinder
11891329 S/N - 11144, 11891364, 11891365 Foot plate
11884737, 11886266 S/N - 11144, 11888239 S/N 11145 -, 11891022 Excavator boom, exendible dipper arm
S/N - 11144, S/N 11145 -, 11891041, 11891441 Boom and dipper arm
11891005, 11891041, 11891022, 11891441 Boom cylinder
11891005, 11891041, 11891022, 11891441 Dipper arm cylinder
SER NO -10643, SER NO 10644-, 11891022, 11891041, 11891441 Bucket cylinder
11891005, 11891022 Extendible dipper cylinder
1
2
3
4
4
5
5
6
6
6
6
7
7
7
7
8
9
10
10
11
11
12
12
13
13
14
14
15
15
16
17
Позиция на иллюстрации
Заводской номер детали
Название детали
1
VOE 11988596
Diff Pinion Set
2
VOE 11988598
Shaft
3
VOE 11988597
Pin
4
VOE 11988599
Thrust Washer
5
VOE 11709307
Drive Plate
6
VOE 11709308
Pin
7
VOE 11709309
O-ring
8
VOE 11709310
Sleeve
9
VOE 11988603
Ring
10
VOE 11988600
Bearing
11
VOE 11988601
Nut
12
VOE 11709315
Bushing
13
VOE 11988602
Lock Plate
14
VOE 11709312
Screw
15
VOE 11988604
Diff Housing
16
VOE 11709316
Pin
17
VOE 11709318
Screw
Содержащиеся в справочниках-каталогах запасные части и детали не предлагаются к продаже, а носят исключительно информационный характер
Дополнительная информация
×
Название:
Номер:
Примечание: