Вернуться на главную
Поиск
Каталоги запчастей к технике
Спецтехника
Volvo
BL61 Plus
Cable harness, transmission 11891077, 11895023
Каталог запасных частей к технике: Volvo BL61 Plus. Cable harness, transmission 11891077, 11895023
zoom-in
zoom-out
enlarge
shrink
circle-right
circle-left
file-text2
info
cart
Тип техники
Не выбрано
Легковые автомобили
Грузовые автомобили и прицепы
Автобусы
Сельхозтехника
Спецтехника
Двигатели
Мототехника
Марка
Не выбрано
Ammann
BOMAG
CARMIX
CASE IH
Changlin
ChengGong
Dimex
Doosan
DYNAPAC
Foton
HAMM
Hidromek
Hitachi
Hyundai
JCB
JLG
John Deere
Komatsu
LIEBHERR
LiuGong
Lonking (LongGong)
Luneng
MANITOU
Mitsuber
New Holland
PENGPU
RM-Terex
SANY
SDLG
SEM
Shantui
Shehwa HBXG
Soosan
TIGARBO
VOGELE
Volvo
WAY
WIRTGEN
XCMG
XGMA
Xiamen
YTO
Yuchai
Zoomlion
Автокран
АЗСМ
Алтайлесмаш
Амкодор
АОМЗ
Атек
АТЗ
Балканкар Рекорд
БелАЗ
Беловеж
Борекс
Брянский Арсенал
Булат
ВЭКС
ГАЗ
Геомаш
Гидромаш
Донекс
Дормаш
Дормашина
Дорэлектромаш
ДЭЗ
ЕлАЗ
ЗЗГТ
Ижнефтемаш
Канаш-электрокар
КЗКТ
ККЗ
Клевер
Клинцовский автокрановый завод
КМЗ
КМЗ 1 Мая
Ковровец
Коммаш
Кранэкс
КЭЗ
КЭМЗ
ЛЗА
МАЗ
МЗИК
МЗКМ
МЗКТ
Михневский РМЗ
МоАЗ
Мозырский МЗ
МТЗ
ОЗП
Онежец
ПАО "ТЗА"
ППС Детва
Промтрактор
ПТЗ
Раскат
СпецАгрегат
ТВЭКС
ТТМ
УВЗ
Угличмаш
УЗТМ
ХТЗ
ЧЗКМ
ЧСДМ
ЧТЗ
ЭКСКО
ЭКСМАШ
ЮрМаш
Модель
Не выбрано
BL60
BL61
BL61 Plus
BL70
BL71
BL71 Plus
BL71B
Схема
>
Не выбрано
Repair kits for engine
Engine
Cylinder head
Cylinder block
Crankcase ventilation
Pistons
Valve mechanism
Timing gear casing and gears
Crankshaft and related parts
Flywheel housing
Oil sump
Engine mounting
Engine suspension 11891077, 11891595, 11895023
Lubricating oil system
Oil filter
Oil cooler
Fuel tank with fitting parts
Fuel pump 11891566
Box 11891566
Fuel system
Fuel pump
Fuel injection pump with fitting parts
Regulator
Fuel lines and injectors
Inlet manifold and exhaust manifold
Exhaust system, silencer
Turbocharger with fitting parts
Air filter with fitting parts
Air filter
Air filter 11891529
Radiator with fitting parts
Expansion tank with fitting parts
Cooling system
Water pump and thermostat housing
Fan
Belt transmission
Engine heater 11891429, 11891430
Regulator control 11880101, 11298204, 11298208
Hand throttle
Shutdown device
Battery box with fitting parts
Alternator with assembling details
Starter motor with assembling details
Lighting
Work lights
Lighting, rear
License plate lamp 11891001
Position pointer and anchorage, license plate 11298034
Inner lamp
Horn
Rotating beacon
Windshield wiper, front 11298203, 11298204
Windshield wiper, rear 11298204, 11298203
Windshield washer
Battery cable and main switch
Cable harness, engine
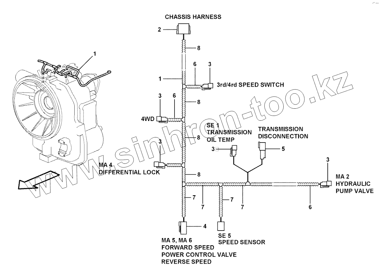
Cable harness, transmission 11891077, 11895023
Cable harness, transmission 11891595
Cable Harness Lighting Cab Ext. 11298204, 11298208
Cable Harness cab int. roof 11298204
Cable harness chassis
Cable harness rear valve block
Other cables
Cable harness, tail light 11891000, 11891002, 11891050, 11891248, 11891249
Cable harness, panel
Cable harness, panel 11891595
Cable harness, control panel right
Cable harness, control panel right 11891595
Cable harness heater and air conditioning 11298204
Cable harness, Loader Quick Attach 11891238
Electrical distribut.unit and control unit
Instrument panel
Switch
Anti-theft Kit 11891332
Foot switch and electric power outlet
Torque converter with fitting parts
Hydraulic transmission with fitting parts 11891595
Hydraulic transmission with fitting parts 11891077, 11895023
Oil filler and dipstick
Oil filler and dipstick 11891077, 11895023
Oil pump 11891595
Oil pump 11891077, 11895023
Clutch shaft forward/reverse 11891595
Clutch shaft forward/reverse 11891077, 11895023
Reverse and primary shaft 11891077, 11895023
Reverse and primary shaft
Secondary shaft 11891595
Secondary shaft 11891077, 11895023
Hydraulic clutch, 4wd 11891595
Axle, four-wheel drive 11891077, 11895023
Control valve 11891595
Gearshifting 11891077, 11895023
Range selector valve 11891077, 11895023
Solenoid valve 4wd 11891077, 11895023
Gear selector, 4-wheel drive 11891077, 11895023
Gear box housing with fitting parts
Propeller shaft 11891077, 11891595, 11895023
Propeller shaft, mounting 11891077, 11891595, 11895023
Planet axles with fitting parts
Front axle 11887361
Planetary axle, front 11891531
Pinion 11891531
Pinion 11887361
Differential , front axle 11887362
Differential , front axle 11887361
Drive axle 11887361
Drive axle 11887362
Wheel hub
Wheel hub 11887362
Planetary gear 11887362
Planet shaft, rear 11887363
Pinion 11887363
Differential. Rear 11887363
Hub reduction, rear axle 11887363
Differential lock
Differential lock
Oil cooler, transmission
Multi-disc brake, rear 11887363
Wheel brake, rear
Brake system 11298204, 11298208
Parking brake
Parking brake
Steering column with fitting parts
Steering system 11880101 (AX 11887361)
Steering system 11891531 (AX 11887362)
Control valve
Frame
Protecting plates 11891580
Counterweight
Wheel 11891531
Wheel 11891305
Wheel
Wheel
Cab body: roof and floor panel
Cab mounting block
Engine hood
Radiator casing
Splashguards, protective plates
Fender, front
Fenders 11298204, 11298208
Small rear fender 11891514
Foot step
Step handle canopy 11298208
Door with fitting parts 11298204
Rear view mirror
Glass panes
Windows 11298204
Interior components 11298233
Operator seat with fitting parts
Operator's seat
Operator's seat 11891110, 11888868
Air ducts 11298233
Air ducts 11298204
Cab heater 11298204
Radiator and control
Cab heater with connectors 11298204
Air conditioning 11298233
Evaporator, assembly 11298233
Assembly hoses: Evaparator, receiver drier, condenser 11298233
Instrument panel
Radio bracket
Vandalism kit 11298032
Interior components
Casing loader controls 11891415, 11895001, 11895000
Toolbox
Tool 11891152
Stop block holder 11891000, 11891050, 11891094
Toolbox 11891584
Sign plates and decals
Decals WARNING
Hydraulic oil tank
Hydraulic system, suction line, filter 11891077, 11891595, 11895023
Hydraulic system, return line
Hydraulic oil cooler
Hydraulic system, feed line
Hydraulic system, hammer
Pipes for hammer attachment 11891375
Hydraulic system, stabiliser legs
Hydraulics loader (lift & tilt)
Hydraulic system, excavator
Hydraulic system loader
Hydraulic system loader 11891594, 11895001
Hydraulic system, boom
Hydraulic system dipper arm
Hydraulic system, bucket
Hydraulic system extendible dipper arm
Hydraulic system, lock cylinder
Safety valve boom and dipper arm cylinder 11891150
Hydraulic system, combi-bucket 11891594, 11895001
Hydraulic system loader safety valves 11891151
Valve body
Valve body
Inlet valve
Magnet valve 11891455
Valve section
Valve section
Exhaust valve
Safety valve boom and dipper arm cylinder 11891150
Safety valve loader 11891151
Hydraulic pump 11891077, 11891595, 11895023
Controls
Loader controls
Pedal 11891417, 11895018, 11895019, 11895020, 11891273
Hydraulic system, sideshift
Optional hydraulic equipment 11891369
Boom suspension system 11891345
Attachment bracket, mechanical 11891299
Hydraulic attachment bracket digger 11891448, 11891449, 11891450, 11891451
Hydraulic attachment bracket digger
Hydraulic attachment bracket digger
Hydraulic attachment bracket 11891448, 11891450
Hydraulic attachment bracket 11891238
Hydraulic cylinder, quick attachment 11891238
Hydraulic attachment bracket 11891238
Bucket, straight with teeth
Bucket, straight with teeth
Bucket, straight with teeth
Bucket, straight lip without teeth
Bucket, straight lip without teeth
Multi-purpose bucket
Multi-purpose bucket 11891541
Multi-purpose bucket 11891423
Legal kit for Italy 11891002
Hydraulic cylinder 11891018
Transport bracket without front bucket 11891350
Fork arm
Retainer for hammer 11891017
Hammer 11891017
Forks (optional) 11891498, 11891504, 2805036
Hammer
Lifting framework with assembly parts
Lifting framework with assembly parts
Pins for mounting bucket
Mechanical self levelling tilt mechanism
Hydraulic cylinder, lifting
Hydraulic cylinder, tilt
Swing system
Boom swing system
Swing cylinder
Lock cylinder
Stabilisers
Stabiliser cylinder
Excavator boom, extendible dipper arm
Boom and dipper arm
Boom cylinder
Dipper arm cylinder
Extendible dipper cylinder 11891273
Switch3rd/4thgear
Switch3rd/4thgear
Four-wheeldrive
Four-wheeldrive
Difflockswitch
Difflockswitch
Gearselectorforwar
Gearselectorforwar
Speedsensor
Speedsensor
Hydraulicpumpvalv
Hydraulicpumpvalv
Disconnectortrans
Disconnectortrans
TransmissionTern
TransmissionTern
1
1
2
3
3
3
3
3
4
5
6
6
6
7
7
7
7
8
8
8
8
Позиция на иллюстрации
Заводской номер детали
Название детали
Switch3rd/4thgear
Switch3rd/4thgear
Switch 3rd/4th gear
Four-wheeldrive
Four-wheeldrive
Four-wheel drive
Difflockswitch
Difflockswitch
Difflock switch
Gearselectorforwar
Gearselectorforwar
Gear selector forwar
Speedsensor
Speedsensor
Speed sensor
Hydraulicpumpvalv
Hydraulicpumpvalv
Hydraulic pump valv
Disconnectortrans
Disconnectortrans
Disconnector trans
TransmissionTern
TransmissionTern
Transmission Tern
1
VOE11888412
Wire harness
2
VOE11709766
Connector
2
VOE874967
Key
3
VOE874955
Insulator
4
VOE874957
Housing
4
VOE874958
Key
5
VOE874954
Connector
6
VOE11170006
Hose
7
VOE4803746
Hose
8
VOE4803748
Hose
Содержащиеся в справочниках-каталогах запасные части и детали не предлагаются к продаже, а носят исключительно информационный характер
Дополнительная информация
×
Название:
Номер:
Примечание: