Вернуться на главную
Поиск
Каталоги запчастей к технике
Спецтехника
Volvo
BL61
Oil pump 11891076
Каталог запасных частей к технике: Volvo BL61. Oil pump 11891076
zoom-in
zoom-out
enlarge
shrink
circle-right
circle-left
file-text2
info
cart
Тип техники
Не выбрано
Легковые автомобили
Грузовые автомобили и прицепы
Автобусы
Сельхозтехника
Спецтехника
Двигатели
Мототехника
Марка
Не выбрано
Ammann
BOMAG
CARMIX
CASE IH
Changlin
ChengGong
Dimex
Doosan
DYNAPAC
Foton
HAMM
Hidromek
Hitachi
Hyundai
JCB
JLG
John Deere
Komatsu
LIEBHERR
LiuGong
Lonking (LongGong)
Luneng
MANITOU
Mitsuber
New Holland
PENGPU
RM-Terex
SANY
SDLG
SEM
Shantui
Shehwa HBXG
Soosan
TIGARBO
VOGELE
Volvo
WAY
WIRTGEN
XCMG
XGMA
Xiamen
YTO
Yuchai
Zoomlion
Автокран
АЗСМ
Алтайлесмаш
Амкодор
АОМЗ
Атек
АТЗ
Балканкар Рекорд
БелАЗ
Беловеж
Борекс
Брянский Арсенал
Булат
ВЭКС
ГАЗ
Геомаш
Гидромаш
Донекс
Дормаш
Дормашина
Дорэлектромаш
ДЭЗ
ЕлАЗ
ЗЗГТ
Ижнефтемаш
Канаш-электрокар
КЗКТ
ККЗ
Клевер
Клинцовский автокрановый завод
КМЗ
КМЗ 1 Мая
Ковровец
Коммаш
Кранэкс
КЭЗ
КЭМЗ
ЛЗА
МАЗ
МЗИК
МЗКМ
МЗКТ
Михневский РМЗ
МоАЗ
Мозырский МЗ
МТЗ
ОЗП
Онежец
ПАО "ТЗА"
ППС Детва
Промтрактор
ПТЗ
Раскат
СпецАгрегат
ТВЭКС
ТТМ
УВЗ
Угличмаш
УЗТМ
ХТЗ
ЧЗКМ
ЧСДМ
ЧТЗ
ЭКСКО
ЭКСМАШ
ЮрМаш
Модель
Не выбрано
BL60
BL61
BL61 Plus
BL70
BL71
BL71 Plus
BL71B
Схема
>
Не выбрано
Repair kits for engine
Engine
Cylinder head
Cylinder block
Crankcase ventilation
Pistons
Valve mechanism
Timing gear casing and gears
Crankshaft and related parts
Flywheel housing
Oil sump
Engine mounting 11891076, 11891077
Engine mounting
Lubricating oil system
Oil filter
Oil cooler
Fuel pump
Fuel tank, fuel pipes
Fuel injection pump with fitting parts
Regulator
Fuel lines and injectors
Inlet manifold and exhaust manifold
Exhaust system, silencer
Turbocharger with fitting parts
Air filter with fitting parts
Air filter
Cooling system
Cooling system incl. expansion tank
Radiator with fitting parts
Water pump and thermostat housing 11886395, 11887321
Fan and installation components
Belt transmission
Engine oil preheating
Regulator control
Hand throttle
Shutdown device
Battery box with fitting parts
Alternator with assembling details
Starter motor with assembling details
Lighting
Work lights
Lighting, rear
License plate lamp 11891001
Position pointer and anchorage, license plate 11298034
Inner lamp
Horn
Rotating beacon
Windshield wiper, front 11298203, 11298204
Windshield wiper, rear 11298204
Windshield washer
Battery cable and main swith
Cable harness, engine
Cable harness, transmission 11891076, 11891077
Cable Harness Lighting Cab Ext. 11298204, 11298208
Cable Harness cab int. roof
Cable harness chassis
Cable harness rear valve block
Other cables
Cable harness, tail light 11891000, 11891002, 11891050, 11891248, 11891249 S/N-10336
Cable harness, tail light 11891246, 11891247 SER NO -10020
Cable harness, tail light 11891246, 11891247 SER NO 10021-
Cable harness, tail light 11891000, 11891002, 11891050, 11891248, 11891249 S/N 10337-
Cable harness, panel SER NO -10020
Cable harness, panel
Cable harness, control panel right SER NO -10020
Cable harness, control panel right SER NO 10021-
Cable harness heater and air conditioning 11298204
Cable harness, hand tool hydraulic 11891333
Electrical distribut.unit and control unit
Instrument panel
Switch
Anti-theft Kit 11891332
Foot switch and electric power outlet
Torque converter with fitting parts
Hydraulic transmission with fitting parts 11891077
Hydraulic transmission with fitting parts 11891076
Hydraulic transmission with fitting parts 11891077 S/N 10627-
Oil filler and dipstick 11891077 S/N - 10626
Oil filler and dipstick 11891077 S/N 10627-
Oil filler and dipstick 11891076
Oil pump 11891077
Oil pump 11891076
Oil pump 11891077 S/N 10627-
Clutch shaft forward/reverse 11891077
Clutch shaft forward/reverse 11891077 S/N 10939 -
Clutch shaft forward/reverse 11891076
Reverse and primary shaft 11891076, 11891077
Secondary shaft 11891077 S/N-10626
Secondary shaft 11891077 S/N 10627-
Secondary shaft 11891076
Hydraulic clutch, 4wd 11891077
Shaft, four wheel drive 11891077 S/N 10627 -
Gearshifting 11891077
Gearshifting 11891077 S/N 10627-
Gearshifting 11891076
Range selector valve 11891076, 11891077 S/N - 10626
Range selector valve 11891076, 11891077 S/N 10627 -
Solenoid valve 4wd 11891077
Gear selector, 4-wheel drive 11891077
Gear selector, 2-wheel drive 11891076
Gear box housing with fitting parts
Propeller shaft, mounting
Propeller shaft
Planet axles with fitting parts
Planet axles with fitting parts S/N 10627-
Planetary axle, front 11891305
Planetary axle, front 11891531
Pinion 11891305
Pinion 11887361
Differential , front axle 11891305
Differential , front axle 11887361
Drive axle 11880004, 11891305
Wheel hub 11891305
Planetary gear 11891305
Front axle 11891306
Front axle 11891306, 11891496
Front axle 11880004
Wheel hub 11891306, 11891496
Planet shaft, rear 11891305, 11891306
Planet shaft, rear S/N 10627 -
Pinion 11891305, 11891306
Pinion S/N 10627 -
Differential. Rear 11891305, 11891306
Differential. Rear
Wheel hub 11891305, 11891306
Hub reduction, rear axle S/N 10627 -
Planetary gear 11891305, 11891306
Differential lock 11891305, 11891306
Differential lock S/N 10627-
Differential lock 11880004 S/N 10627 -
Oil cooler, transmission
Brake operation rear 11891305, 11891306
Multi-disc brake, rear 11891305, 11891306
Multi-disc brake, rear S/N 10627 -
Wheel brake, rear S/N - 10626
Wheel brake, rear S/N 10627 -
Brake system 1298204, 11298208
Parking brake S/N 10627 -
Parking brake
Steering column with fitting parts
Steering system 11891306, 11891496
Steering system 11880004 S/N 10627-
Steering system 11891305
Control valve
Frame
Counterweight
Wheel 11891531
Wheel 11891305, 11891306
Cab body: roof and floor panel
Cab mounting block
Engine hood
Radiator casing
Fenders 11298204, 11298208
Fender, front
Splashguards, protective plates
Step handle canop 11298208
Foot step
Door with fitting parts 11298204
Rear view mirror
Glass panes
Windows 11298204
Interior components 11298233
Operator seat with fitting parts
Operator's seat
Heating system 11298204
Air ducts 11298233
Air ducts 11298204
Cab heater 11298204
Radiator and control
Cab heater with connectors 11298204
Air conditioning 11298233
Evaporator, assembly 11298233
Assembly hoses: Evaparator, receiver drier, condenser. 11298233
Instrument panel
Radio bracket
Vandalism kit 11298032
Interior components
Casing loader controls
Toolbox
Tool 11891152
Stop block holder 11891000, 11891050, 11891094
Sign plates and decals
Decals WARNING
Hydraulic oil tank
Hydraulic system, suction line, filter 11891077
Hydraulic system, suction line, filter 11891076
Hydraulic system, return line S/N - 10626
Hydraulic system, return line S/N 10627-
Hydraulic oil cooler S/N - 10626
Hydraulic oil cooler S/N 10627-
Hydraulic system, feed line S/N - 10626
Hydraulic system, feed line S/N 10627 -
Hydraulic system, hammer
Pipes for hammer attachment 11891375
Hydraulic system, stabiliser legs
Hydraulics loader (lift & tilt)
Hydraulic system, excavator
Hydraulic system loader
Hydraulic system loader 11880004, S/N 10627 -
Hydraulic system loader 11891414, S/N 10627 -
Hydraulic system, boom 11891417, 11891418, S/N - 10626
Hydraulic system, boom 11880004, S/N 10627 -
Hydraulic system dipper arm 11891417, 11891418, S/N - 10626
Hydraulic system dipper arm 11880004, S/N 10627 -
Hydraulic system, bucket 11891417
Hydraulic system, bucket 11891418, S/N - 10626
Hydraulic system, bucket S/N 10627 -
Hydraulic system extendible dipper arm 11891417
Hydraulic system, lock cylinder S/N - 10626
Hydraulic system, lock cylinder S/N 10627 -
Hydraulic system, combi-bucket 11891414
Safety valve boom and dipper arm cylinder 11891150
Hydraulic system loader safety valves 11891151
Valve body
Inlet valve
Valve section
Valve section
Valve section
Valve body
Inlet valve
Magnet valve 11891455
Valve section
Valve section
Exhaust valve
Safety valve boom and dipper arm cylinder 11891150
Safety valve loader 11891151
Hydraulic pump 11891076, 11891077
Controls
Loader controls
Pedal 11891417
Hydraulic system, sideshift
Optional hydraulic equipment 11891369, S/N - 10626
Optional hydraulic equipment 11891369, S/N 10627 -
Boom suspension system 11891345 S/N - 10626
Boom suspension system 11891345 S/N 10627 -
Attachment bracket, mechanical 11891299
Hydraulic attachment bracket digger 11891448, 11891449, 11891450, 11891451
Hydraulic attachment bracket digger (11891351, 11891362)
Hydraulic attachment bracket digger
Hydraulic attachment bracket 11891448, 11891450
Hydraulic cylinder, quick attachment 11891448, 11891450
Bucket, straight with teeth (BACKHOE) S/N - 10626
Bucket, straight with teeth (BACKHOE) S/N 10627 -
Bucket, straight with teeth (BACKHOE) S/N - 10626
Bucket, straight with teeth (BACKHOE) S/N 10627 -
Bucket, straight with teeth (LOADER)
Bucket, straight lip without teeth
Bucket, straight lip without teeth
Multi-purpose bucket
Multi-purpose bucket 11891541
Legal kit for Italy 11891002
Hydraulic cylinder 11891018
Transport bracket without front bucket 11891350
Fork arm
Retainer for hammer
Hammer 11891017
Lifting framework with assembly parts
Pins for mounting bucket
Lifting framework with assembly parts 11880004, S/N 10627 -
Mechanical self levelling tilt mechanism 11891414, 11891415
Hydraulic cylinder, lifting 11891414, 11891415
Hydraulic cylinder 11891414, 11891415
Swing system
Boom swing system
Swing cylinder
Lock cylinder
Stabilisers
Stabiliser cylinder
Excavator boom, exendible dipper arm
Boom and dipper arm
Boom cylinder 11891417, 11891418
Dipper arm cylinder 11891417, 11891418
Bucket cylinder 11891417, 11891418
Extendible dipper cylinder 11891417
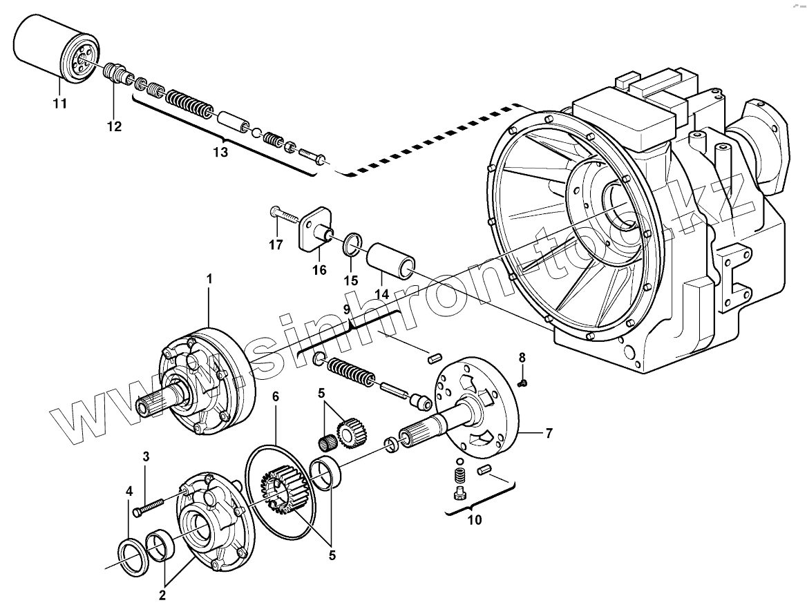
1
2
3
4
5
5
6
7
8
9
10
11
12
13
14
15
16
17
Позиция на иллюстрации
Заводской номер детали
Название детали
1
VOE11715039
Oil Pump
1
VOE11709045
Oil pump
2
PumpBody
Pump Body
3
VOE955302
Hexagon screw
4
VOE11712659
Seal
5
GearSet
Gear Set
6
VOE11709047
O-ring
7
Stator
Stator
8
VOE13947542
Screw
9
VOE11712940
Relief valve
10
VOE11712941
Converter Valve
11
VOE11709048
Oil Filter
12
VOE11709053
Nipple
13
VOE11709049
Valve Kit
14
VOE11709050
Oil Filter
15
VOE11709051
O-ring
16
VOE11709052
Cover
17
VOE13955294
Screw
Содержащиеся в справочниках-каталогах запасные части и детали не предлагаются к продаже, а носят исключительно информационный характер
Дополнительная информация
×
Название:
Номер:
Примечание: