Вернуться на главную
Поиск
Каталоги запчастей к технике
Спецтехника
Volvo
BL60
Oil pump 11891076
Каталог запасных частей к технике: Volvo BL60. Oil pump 11891076
zoom-in
zoom-out
enlarge
shrink
circle-right
circle-left
file-text2
info
cart
Тип техники
Не выбрано
Легковые автомобили
Грузовые автомобили и прицепы
Автобусы
Сельхозтехника
Спецтехника
Двигатели
Мототехника
Марка
Не выбрано
Ammann
BOMAG
CARMIX
CASE IH
Changlin
ChengGong
Dimex
Doosan
DYNAPAC
Foton
HAMM
Hidromek
Hitachi
Hyundai
JCB
JLG
John Deere
Komatsu
LIEBHERR
LiuGong
Lonking (LongGong)
Luneng
MANITOU
Mitsuber
New Holland
PENGPU
RM-Terex
SANY
SDLG
SEM
Shantui
Shehwa HBXG
Soosan
TIGARBO
VOGELE
Volvo
WAY
WIRTGEN
XCMG
XGMA
Xiamen
YTO
Yuchai
Zoomlion
Автокран
АЗСМ
Алтайлесмаш
Амкодор
АОМЗ
Атек
АТЗ
Балканкар Рекорд
БелАЗ
Беловеж
Борекс
Брянский Арсенал
Булат
ВЭКС
ГАЗ
Геомаш
Гидромаш
Донекс
Дормаш
Дормашина
Дорэлектромаш
ДЭЗ
ЕлАЗ
ЗЗГТ
Ижнефтемаш
Канаш-электрокар
КЗКТ
ККЗ
Клевер
Клинцовский автокрановый завод
КМЗ
КМЗ 1 Мая
Ковровец
Коммаш
Кранэкс
КЭЗ
КЭМЗ
ЛЗА
МАЗ
МЗИК
МЗКМ
МЗКТ
Михневский РМЗ
МоАЗ
Мозырский МЗ
МТЗ
ОЗП
Онежец
ПАО "ТЗА"
ППС Детва
Промтрактор
ПТЗ
Раскат
СпецАгрегат
ТВЭКС
ТТМ
УВЗ
Угличмаш
УЗТМ
ХТЗ
ЧЗКМ
ЧСДМ
ЧТЗ
ЭКСКО
ЭКСМАШ
ЮрМаш
Модель
Не выбрано
BL60
BL61
BL61 Plus
BL70
BL71
BL71 Plus
BL71B
Схема
>
Не выбрано
Repair kits for engine
Engine
Cylinder head
Cylinder block
Crankcase ventilation
Pistons
Valve mechanism
Timing gear casing and gears
Crankshaft and related parts
Flywheel housing
Oil sump
Engine mounting 11891076, 11891077
Engine mounting
Lubricating oil system
Oil filter
Oil cooler
Fuel pump
Fuel tank, fuel pipes
Fuel injection pump with fitting parts
Regulator
Fuel lines and injectors
Inlet manifold and exhaust manifold
Exhaust system, silencer
Turbocharger with fitting parts
Air filter with fitting parts
Air filter
Cooling system
Cooling system incl. expansion tank
Radiator with fitting parts
Water pump and thermostat housing 11886317, 11887318
Fan and installation components
Belt transmission
Engine oil preheating
Regulator control
Hand throttle
Shutdown device
Battery box with fitting parts
Alternator with assembling details
Starter motor with assembling details
Work lights
Direction indicator
Inner lamp 11298190
Horn
Rotating beacon
Windshield wiper, front 11298190, 11298203
Windshield wiper, rear 11298190
Windshield washer
Battery cable and main switch
Cable harness, engine
Cable harness, transmission. 11891076, 11891077
Cable Harness cab int. roof 11298189, 11298190
Cable harness chassis
Cable harness rear valve block
Other cables
Cable harness, panel SER NO -10361
Cable harness, panel SER NO 10362-
Cable harness, control panel right 11298189
Cable harness, control panel right 11298190, CAB SER NO -10430
Cable harness, control panel right 11298190 SER NO 10431-
Cable harness heater and air conditioning
Cable harness, hand tool hydraulic 11891333
Electrical distribut.unit and control unit
Instrument panel
Switch 11880001
Anti-theft Kit 11891332
Foot switch and electric power outlet
Torque converter with fitting parts
Hydraulic transmission with fitting parts 11891076
Hydraulic transmission with fitting parts 11891077
Hydraulic transmission with fitting parts 11891077 S/N 10939-
Oil filler and dipstick 11891076
Oil filler and dipstick 11891077 S/N - 10938
Oil filler and dipstick 11891077 S/N 10939-
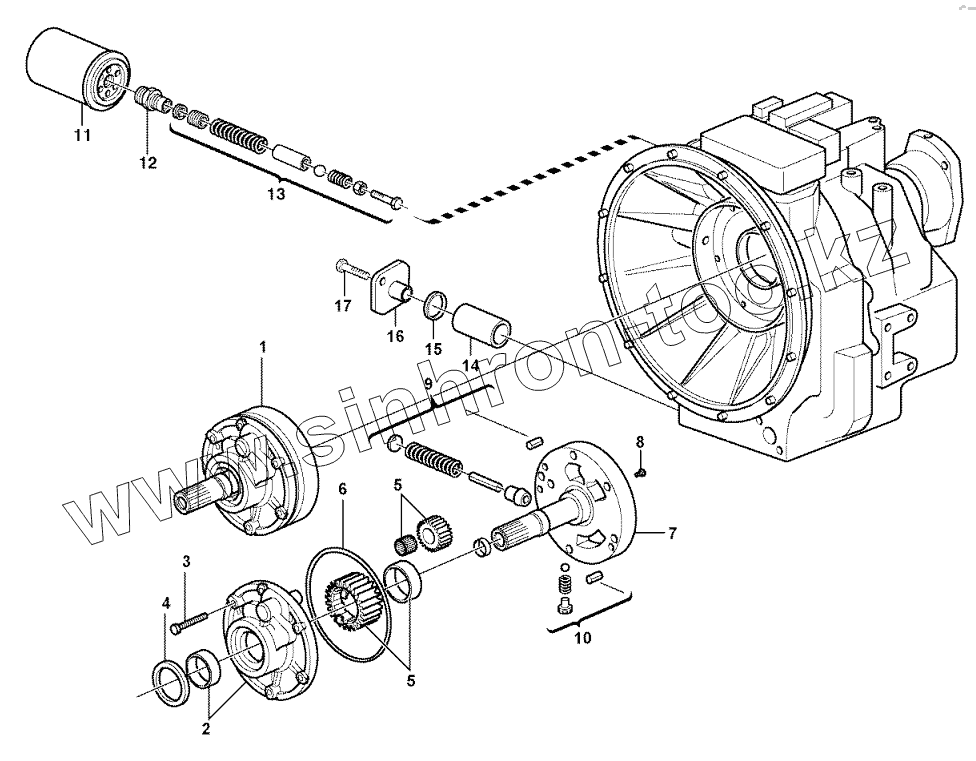
Oil pump 11891076
Oil pump 11891077
Oil pump 11891077 S/N 10939-
Clutch shaft forward/reverse 11891076
Clutch shaft forward/reverse 11891077 S/N 10939 -
Clutch shaft forward/reverse 11891077 S/N - 10938
Reverse and primary shaft 11891076, 11891077
Secondary shaft 11891076
Secondary shaft 11891077 S/N 10939-
Secondary shaft 11891077
Hydraulic clutch, 4wd 11891077
Shaft, four wheel drive 11891077 S/N 10939-
Gearshifting 11891076
Gearshifting 11891077 S/N 10939-
Gearshifting 11891077
Range selector valve 11891076, 11891077 S/N - 10938
Range selector valve 11891076, 11891077 S/N 10939 -
Solenoid valve 4wd 11891077
Gear selector, 4-wheel drive 11891077
Gear selector, 2-wheel drive 11891076
Gear box housing with fitting parts
Propeller shaft, mounting
Propeller shaft
Planet axles with fitting parts
Planet axles with fitting parts S/N 10939 -
Planetary axle, front 11891284, 11891286, 11891385, 11891387
Pinion 11891284, 11891286, 11891385, 11891387
Pinion 11887360
Differential , front axle 11891284, 11891286, 11891385, 11891387
Differential , front axle 11887360
Drive axle 11880001, 11891284, 11891286, 11891385, 11891387
Wheel hub 11891284, 11891286, 11891385, 11891387
Front axle 11891267, 11891275, 11891360, 11891386 S/N-10938
Front axle 11891267, 11891275, 11891360, 11891386 S/N 10939-
Front axle 11880001 S/N 10939-
Wheel hub 11891267, 11891275, 11891360, 11891386
Planet shaft, rear
Planet shaft, rear S/N 10939 -
Pinion
Pinion S/N 10939 -
Differential. Rear
Differential. Rear
Wheel hub
Hub reduction, rear axle S/N 10939-
Planetary gear
Differential lock
Differential lock 11887363 S/N 10939 -
Differential lock 11880001 S/N 10939 -
Oil cooler, transmission
Brake operation rear
Multi-disc brake, rear
Multi-disc brake, rear S/N 10939 -
Wheel brake, rear S/N-10938
Wheel brake, rear S/N 10939-
Dual brake pedals 11294005, 11298189, 11880001
Parking brake S/N 10939-
Parking brake
Steering column with fitting parts
Steering system 11891267, 11891275, 11891360, 11891386
Steering system 11880001 (1887360) S/N 10939 -
Steering system 11891284, 11891286, 11891385, 11891387
Control valve
Frame
Counterweight
Wheel
Wheel
Wheel
Wheel
Cab body: roof and floor panel
Cab mounting block
Engine hood
Radiator casing
Mud guards 11298189, 11298190
Step handle canopy
Foot step
Door with fitting parts 11298190
Rear view mirror
Glass panes 11298190, 11298203
Windows 11298190
Interior components 11298018
Operator seat with fitting parts, 11891099: S/N -10389, 11891100: S/N -10549, 11891110: S/N -10346, 11891216: S/N -10263, 11891217: S/N -10264, 11891376: S/N -10290
Operator's seat
Operator's seat 11891376 S/N 10291-
Operator's seat. Cloth Seats For Cabs. 11891216 S/N-10263, 11891099 S/N-10389
Operator's seat. Vinyl seat for ROPS. 11891217 S/N-10264, 11891100 S/N-10549
Operator's seat, heated, air suspensioned. 11891110 S/N-10346
Heating system 11298018, 11298190
Air ducts 11298018
Air ducts 11298028, 11298190
Cab heater 11298028, 11298190
Radiator and control 11298028, 11298018, 11298190
Cab heater with connectors 11298028, 11298190
Air conditioning 11298018
Evaporator, assembly 11298018
Assembly hoses: Evaparator, receiver drier, condenser. 11298018
Instrument panel
Radio bracket
Vandalism kit 11298170
Interior components
Casing loader controls
Toolbox
Tool 11891152
Sign plates and decals
WARNING
Hydraulic oil tank
Hydraulic system, suction line, filter 11891076
Hydraulic system, suction line, filter 11891077
Hydraulic system, return line S/N-10938
Hydraulic system, return line S/N 10939 -
Hydraulic oil cooler S/N - 10938
Hydraulic oil cooler S/N 10939 -
Hydraulic system, feed line S/N - 10938
Hydraulic system, feed line S/N 10939 -
Hydraulic system, hammer
Pipes for hammer attachment 11891375
Hydraulics loader (lift & tilt)
Hydraulic system, excavator
Hydraulic system, stabiliser legs
Hydraulic system loader
Hydraulic system loader 11880001, S/N 10939 -
Hydraulic system, excavator beam 11890342, 11890343, S/N - 10938
Hydraulic system, boom 11880001, S/N 10939 -
Hydraulic system dipper arm 11890342, 11890343, S/N - 10938
Hydraulic system dipper arm 11880001, S/N 10939 -
Hydraulic system, bucket 11890342
Hydraulic system, bucket 11890343, S/N - 10938
Hydraulic system, bucket S/N 10939 -
Hydraulic system extendible dipper arm 11890342
Hydraulic system, lock cylinder S/N - 10938
Hydraulic system, lock cylinder S/N 10939-
Hydraulic system, combi-bucket
Valve body
Inlet valve
Valve section
Valve section
Valve section
Valve body
Inlet valve
Magnet valve
Valve section
Valve section
Hydraulic pump 11891076, 11891077
Controls
Loader controls 11891080, 11891079
Pedal 11890342
Optional hydraulic equipment 11891369, S/N - 10938
Optional hydraulic equipment 11891369, S/N 10939 -
Boom suspension system 11891345 S/N-10938
Boom suspension system 11891345 S/N - 10939
Attachment bracket, mechanical 11891299
Bucket, straight with teeth
Bucket, straight with teeth S/N 10939 -
Bucket, straight with teeth S/N 10939 -
Bucket, straight with teeth (BACKHOE)
Bucket, straight with teeth (LOADER)
Bucket, straight lip without teeth 11891295, 11891296
Bucket, straight lip without teeth
Bucket, straight lip without teeth
Multi-purpose bucket
Multi-purpose bucket
Multi-purpose bucket 11891541
Hydraulic cylinder 11891018 (MULTI-PURPOSE BUCKET)
Transport bracket without front bucket 11891350
Fork arm
Retainer for hammer
Hammer 11891017
Lifting framework with assembly parts
Pins for mounting bucket
Lifting framework with assembly parts 11880001, S/N 10939 -
Mechanical self levelling tilt mechanism 11891079, 11881080
Hydraulic cylinder 11891079, 11891080
Hydraulic cylinder 11891079, 11891080
Swing system
Boom swing system
Swing cylinder
Lock cylinder
Stabilisers
Stabiliser cylinder
Foot plate
Excavator boom, exendible dipper arm 11890342
Boom and dipper arm 11890343
Boom cylinder 11890342, 11890343
Dipper arm cylinder 11890342, 11890343
Bucket cylinder 11890342, 11890343
Extendible dipper cylinder 11890342
1
1
2
3
4
5
5
6
7
8
9
10
11
12
13
14
15
16
17
Позиция на иллюстрации
Заводской номер детали
Название детали
1
VOE 11715039
Oil Pump
1
VOE 11709045
Oil pump
2
Pump Body
Pump Body
3
VOE 955302
Hexagon screw
4
VOE 11712659
Seal
5
Gear Set
Gear Set
6
VOE 11709047
O-ring
7
Stator
Stator
8
VOE 13947542
Screw
9
VOE 11712940
Relief valve
10
VOE 11712941
Converter Valve
11
VOE 11709048
Oil Filter
12
VOE 11709053
Nipple
13
VOE 11709049
Valve Kit
14
VOE 11709050
Oil Filter
15
VOE 11709051
O-ring
16
VOE 11709052
Cover
17
VOE 13955294
Screw
Содержащиеся в справочниках-каталогах запасные части и детали не предлагаются к продаже, а носят исключительно информационный характер
Дополнительная информация
×
Название:
Номер:
Примечание: