Вернуться на главную
Поиск
Каталоги запчастей к технике
Спецтехника
VOGELE
SUPER 1800-2SJ
GREASE PUMP
Каталог запасных частей к технике: VOGELE SUPER 1800-2SJ. GREASE PUMP
zoom-in
zoom-out
enlarge
shrink
circle-right
circle-left
file-text2
info
cart
Тип техники
Не выбрано
Легковые автомобили
Грузовые автомобили и прицепы
Автобусы
Сельхозтехника
Спецтехника
Двигатели
Мототехника
Марка
Не выбрано
Ammann
BOMAG
CARMIX
CASE IH
Changlin
ChengGong
Dimex
Doosan
DYNAPAC
Foton
HAMM
Hidromek
Hitachi
Hyundai
JCB
JLG
John Deere
Komatsu
LIEBHERR
LiuGong
Lonking (LongGong)
Luneng
MANITOU
Mitsuber
New Holland
PENGPU
RM-Terex
SANY
SDLG
SEM
Shantui
Shehwa HBXG
Soosan
TIGARBO
VOGELE
Volvo
WAY
WIRTGEN
XCMG
XGMA
Xiamen
YTO
Yuchai
Zoomlion
Автокран
АЗСМ
Алтайлесмаш
Амкодор
АОМЗ
Атек
АТЗ
Балканкар Рекорд
БелАЗ
Беловеж
Борекс
Брянский Арсенал
Булат
ВЭКС
ГАЗ
Геомаш
Гидромаш
Донекс
Дормаш
Дормашина
Дорэлектромаш
ДЭЗ
ЕлАЗ
ЗЗГТ
Ижнефтемаш
Канаш-электрокар
КЗКТ
ККЗ
Клевер
Клинцовский автокрановый завод
КМЗ
КМЗ 1 Мая
Ковровец
Коммаш
Кранэкс
КЭЗ
КЭМЗ
ЛЗА
МАЗ
МЗИК
МЗКМ
МЗКТ
Михневский РМЗ
МоАЗ
Мозырский МЗ
МТЗ
ОЗП
Онежец
ПАО "ТЗА"
ППС Детва
Промтрактор
ПТЗ
Раскат
СпецАгрегат
ТВЭКС
ТТМ
УВЗ
Угличмаш
УЗТМ
ХТЗ
ЧЗКМ
ЧСДМ
ЧТЗ
ЭКСКО
ЭКСМАШ
ЮрМаш
Модель
Не выбрано
AB 340 (2016)
AB500-2 TV (2011)
AB500-3 TV (2016)
SUPER 1100-3 (2021)
SUPER 1103-2 (2016)
SUPER 1300-3 (2021)
SUPER 1303-2 (2016)
SUPER 1600-2 (2015)
SUPER 1800-2 (2015)
SUPER 1800-2SJ (2015)
Схема
>
Не выбрано
1182 (SUPER 1600-2, SUPER 1800-2, SUPER 1800-2SJ)
SPARE PARTS LIST
CHASSIS / SAFETY
OPERATING AND WARNING INSTRUCTIONS LI
OPERATING AND WARNINGS RE
OPERATING AND WARNING NOTES REG
OPERATION AND WARNINGS HI
INSTRUC. HANDLING AND NOTICE LEFT. USA
OPERATION AND WARNINGS RE USA
OPERATION AND WARNINGS USA
OPERATION AND WARNINGS HI USA
OPERATING AND WARNING NOTES
CLADDING
SCREEN WALL
SCREEN WALL
COVER
SOUND INSULATION / COVERS
ENGINE HOOD
ENGINE HOOD
LIGHTING, HALOGEN IN THE ROOF
LIGHTING, XENON IN THE ROOF
LIGHTING, HALOGEN
LIGHTING, XENON
1 LIGHT BALLOON WITH HOLDER
1 LIGHT BALLOON WITH ROOF HOLDER
2 LIGHT BALLOONS WITH HOLDER
2 LIGHT BALLOONS WITH ROOF HOLDER
HEADLIGHT 24V
REAR BEACON
REAR BEACON
HORN
IMPACT PROTECTION, MECHANICAL
RISK PROTECTION, ELECTRIC
ASCENT
ASCENT
CHASSIS
CHASSIS
CHASSIS
ADDITIONAL WEIGHTS > 9M
ADDITIONAL WEIGHTS
CONTROL PANEL
CONTROL PANEL, ELEC.
CONTROL PANEL
DESK SLIDE
DESK TOUR, ENERGY CHAIN
PLATFORM
PLATFORM
ADDITIONAL PARTS: PLATFORM
SEAT CONSOLE WITH RAILING
DRIVER'S SEAT
FAHRERSITZ+HEIZUNG
AUSSENSTEUERSTAND KPL.
EXTERNAL CONTROL STAND
ROOF FRAME
ROOF FRAME
ROOF FRAME WITHOUT WASHER
ROOF FRAME WITH WASHER
DRIVER ROOF
DRIVER ROOF
REAR MIRROR WITH BRACKET
MIRROR WITH BRACKET
CAMERA / DISPLAYS
CLADDING
FRONT PLANE
TOOL KIT
DRIVE UNIT - ENGINE
ENGINE STATION
DIESEL ENGINE COM3 / EPA
DIESEL ENGINE COM3 / EPA
ENGINE STATION
DIESEL ENGINE COM3 / EPA
DIESEL ENGINE MLIT3
DIESEL ENGINE COM3 / EPA
DIESEL ENGINE MLIT3
FUEL SUPPLY
FUEL SUPPLY
SILENCER
SILENCER
FOLDING DEVICE CPL.
FOLDING DEVICE CPL.
AIR SUCTION
AIR SUCTION
COOLING SYSTEM
COOLING SYSTEM
RESPONSE
HYDRAULIC OIL SUPPLY
HYDRAULIC TANK
BYPASS OIL FILTER
PUMP DISTRIBUTION GEAR
PUMP DISTRIBUTION REDUCER
PUMP CYLINDER FUNCTIONS
LEAKING OIL
CONVEYOR BELT LEFT HYDR
MIXED MATERIAL TRANSPORT RIGHT HYDR.
REVERSE MOVEMENT
REVERSE MOVEMENT
ALIM. ACEITE HIDR.
VALVE BLOCK CYLINDER FUNCTION 1
VALVE BLOCK CYLINDER FUNCTION 2
VALVE BLOCK SCREED ON / OFF
VENTILBLOCK TAMPER
VENTILBLOCK VIBRATION/PRESSL.
ELECTRICAL SYSTEM
BATTERY
BATTERY
24V POWER SUPPLY
INACTIVE PIN
SOCKET 24V
SOCKET, SCHUKO
SOCKET, SCHUKO
SWITCH BOX CPL.
SWITCH BOX CPL.
SWITCH BOX, MECH.
SWITCH BOX, MECH.
SWITCH BOX, MOUNTING PLATE
SWITCH BOX, TERMINAL BOARD
SWITCH BOX, CONTROL
SWITCH BOX, SOCKETS
WIRING HARNESS
NUDO CAN
HEATING BOX CPL.
HEATING BOX CPL.
HEATING BOXES, MECH.
HEATING BOXES, MECH.
HEATING BOX, MOUNTING PLATE
HEATING BOX, MOUNTING PLATE
HEATING BOX, CONTROL 1
HEATING BOX, CONTROL 2
HEATING BOX, SOCKETS
HEATING BOX, SOCKETS
HEATING BOX, SOCKETS 32A
HOUSING WITH LED
ANBAO GENERATOR
GENERATOR STANDARD
GENERATOR POWER
FEED DRIVE
TRACK, LEFT
TRACK, RIGHT
TRACK WITH RUBBER SHOES
CHASSIS TRANSMISSION
DRIVE HY. LI.
DRIVE HY. RE.
ADJUSTMENT TRAVEL DRIVE HYDR.
TRAVEL DRIVE INFEED HYDR.
SET PRESSURE SUPPLY
BRAKE HYDRAULICS
REVERSE SIGNAL
STEERING SYSTEM
DIRECTION INDICATORS
STEERING AUTOMATIC
SLIDING TUBE + TENSION
TRANSPORT SYSTEM
PRINT ROLLER
RIGID PRINT ROLLER
MATERIAL HOPPER
TOLVA DE MATERIAL HID., IZQ.
MOTHER'S ALBUNKER RE.
INLET VALVE MECH.
INLET FLAP HY
HYDRAULIC INLET VALVE
DETACHED MECHANICAL INLET FLAP
CONTAINER
REVERSING ROLLER ASSY.
FLOOR PLATE
DRIVE SHAFT SCRATCH TAPE
SCRATCH CHAIN CPL.
SCRATCH TAPE PROTECTION
BELT DRIVE, LEFT
DRIVE-TRANS.HID BELT.
DRIVE BAND RE.MECH.
ANTRIEB BAND RE. HY.
PADDLE CONTROL
SUSPENSION AUGER
COVER
DRIVE AUGER LI.
DRIVE AUGER LI.
DRIVE AUGER RE.
DRIVE AUGER RE.
SPUR GEAR
DRIVE AUGER LI.HY.1600-2
DRIVE AUGER LI. HY.
DRIVE AUGER RE.HY.1600-2
DRIVE AUGER RE. HY.
MECHANICAL HEIGHT ADJUSTMENT
HEIGHT ADJUSTMENT AUGER HY.
WORM TREE, LEFT
WORM SHAFT RE.
LAGERBOKK LE.
LAGERBOCK RE.
CONVERSION KIT - PROBE
ULTRASONIC SNAIL
DUCT PLATE 0.25M
CHANNEL PLATE, SWIVELING
AUGER EXTENSION 2X0.25M
AUGER EXTENSION 2X0.65M
AUGER EXTENSION 2X1.2M
AUGER EXTENSION 4.6M
AUGER EXTENSION 4,6-7,1M
LEVELING SYSTEM
NIVELTRONIC PLUS, BASIS
SUPPORT-SECOND PROBE
ULTRASONIC PROBE, MECHANICAL
ULTRASONIC PROBE
ULTRASOUND EXPLORER
INCLINATION SENSORS
ROAD-SCANNER
LASER RECEIVER LASER RECEIVER
BIG-MULTIPLEX-SKI
SKITASTER 2M
SLIDING TUBE 7M
ACCESSORIES WIRE GUIDE
CLEANING SYSTEM
CLEANING PUMP
TANK FOR CLEANING SYSTEM
TANK FOR CLEANING SYSTEM
SPRAY HOSE
SHOULDER SYRINGE
HOSE REEL
HOSE REEL
SCREED CONNECTION
RULE ARMS
HYDRAULIC CYLINDER, LEFT
HYDRAULIC CYLINDER, RIGHT
LIFT-LOWER SCREED
SCREED RELIEF
SCREED RELIEF VALVE BLOCK
RULE INTERLOCK, MECH.
RULE INTERLOCK, HIDR
RULE INTERLOCKING SYSTEM
SCREED IN / OUT
TAMPER CONNECTION
TAMPER 40L
TAMPER 80L
TAMPER+VIBRATION
TAMPER 80L, HIGH COMPRESSION
HIGH COMPACTION POWER
VALVE BLOCK - APC
HY-ATTACHMENTS
HY-ATTACHMENTS
HY-ATTACHMENTS
HY-ATTACHMENTS
BINDER INSTALLATION
TANK, MECH.
TANK, PUMPS
TANK, HEATING
TANK, PNEUMATIK
TANK, ELECTRIC 1
TANK, ELECTRIC 2
TANK, HYDRAULICS
RAMPE,KLAPPBAR MECH.LI. 5M
RAMP, FOLDABLE MECH.RE. 5 M
PROTECTIVE PLATE RAMP 5M
ADJUSTMENT DEVICE
RAMP, FOLDABLE ELECTRIC LI. 5 M
RAMP, FOLDABLE ELECTRIC RH. 5 M
RAMP, FOLDABLE PNEUM.LI. 5 M
RAMP, FOLDABLE PNEUM.RE. 5 M
RAMP, SHORT MEC., CPL
RAMP, MEC. CENTER
RAMPE, ELECTRIC DUST. KPL.
RAMP, ELECTR. CENTER
RAMPE, SHORT PNEUM. KPL.
RAMP, NEUM. CENTER
DISTRIBUTOR, BITUMEN
PIPING: EMULSION LI. + RE.
PIPE: FRONT EMULSION
HOSE SET: EMULSION
SUPPLEMENT ELEMENTS 5M
SPRAY ACCESSORIES
5M INJECTORS KIT
COMPRESSED AIR SYSTEM
COMPRESSED AIR SYSTEM MECHANICS
COMPRESSED AIR SYSTEM PNEUMATIC
PIPING: REAR COMPRESSED AIR
PIPING: COMPRESSED AIR IN FRONT
LUBRICATION SYSTEM
GREASE PUMP
GREASE SCRATCH TAPE
GREASE SNAIL LUBRICATION
GREASE PUMP
GREASE FILLING
SERVICE IMPLEMENT
MAINTENANCE KIT, 50 HOURS
MAINTENANCE KIT, 500 HOURS
MAINTENANCE KIT, 500 HOURS
MAINTENANCE KIT, 1000 HOURS
MAINTENANCE KIT, 1000 HOURS
VSS_BUNKER / FRONTKLAPPE MECH.
VSS_BUNKER / FRONT FLAP HYDR.
VSS_ FORWARD ROLLER
VSS_ DRIVE SHAFT
VSS_SNAIL WINGS
VSS_ENDLESS DISTRIBUTION
VSS_DISTRIBUTION AUGER
WORKSHOP KIT
ACCESSORIES
ACCESSORIES
ACCESSORIES
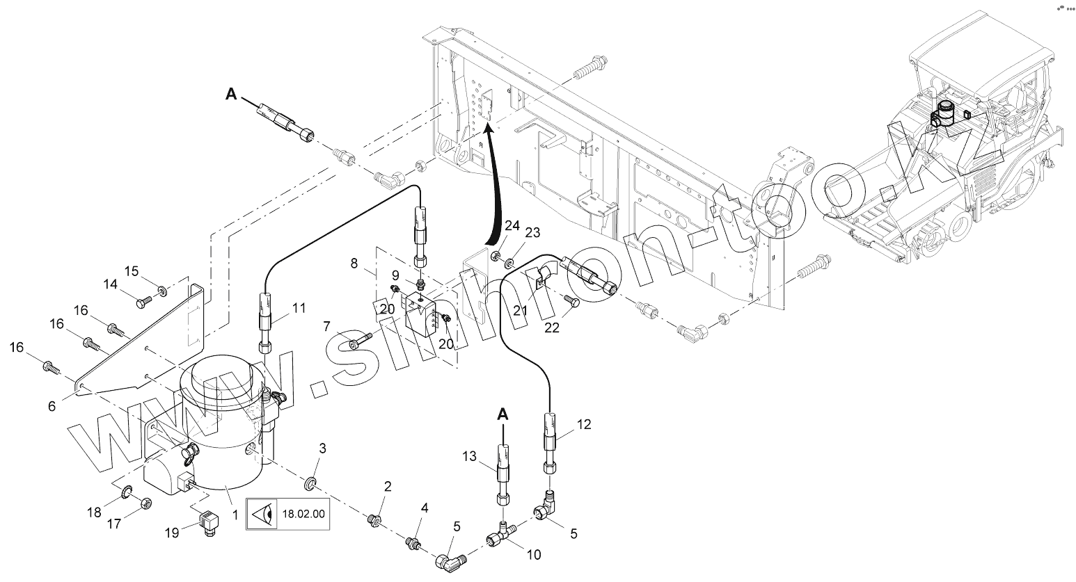
1
2
3
4
5
5
6
7
8
9
10
11
12
13
14
15
16
16
16
17
18
19
20
20
21
22
23
24
Позиция на иллюстрации
Заводской номер детали
Название детали
1
2013478
GREASE PUMP
2
4417552029
SCREW CONNECTION
3
9520217603
SEAL RING
4
9602060057
SCREW
5
9627060057
SCREW CONNECTION
6
2050756
HOLDER
7
9506320912
SCREW
8
2013481
DISTRIBUTOR
9
9603010057
SCREW CONNECTION
10
9629060057
SCREW
11
2014284
HOSE
12
2053938
HOSE
13
2014290
HOSE
14
9508160933
SCREW
15
9500080125
WASHER
16
9508300933
SCREW
17
9500080934
NUT
18
9510846798
SERRATED LOCK WASHER
19
3515010022
CONNECTOR 24V
20
2421033595
CHECK VALVE
21
3515080121
PIPE CLAMP
22
9506250933
SCREW
23
9500060125
WASHER
24
9500060934
NUT
Содержащиеся в справочниках-каталогах запасные части и детали не предлагаются к продаже, а носят исключительно информационный характер
Дополнительная информация
×
Название:
Номер:
Примечание: