Вернуться на главную
Поиск
Каталоги запчастей к технике
Спецтехника
VOGELE
SUPER 1103-2
THREE-PHASE A.C. GENERATOR
Каталог запасных частей к технике: VOGELE SUPER 1103-2. THREE-PHASE A.C. GENERATOR
zoom-in
zoom-out
enlarge
shrink
circle-right
circle-left
file-text2
info
cart
Тип техники
Не выбрано
Легковые автомобили
Грузовые автомобили и прицепы
Автобусы
Сельхозтехника
Спецтехника
Двигатели
Мототехника
Марка
Не выбрано
Ammann
BOMAG
CARMIX
CASE IH
Changlin
ChengGong
Dimex
Doosan
DYNAPAC
Foton
HAMM
Hidromek
Hitachi
Hyundai
JCB
JLG
John Deere
Komatsu
LIEBHERR
LiuGong
Lonking (LongGong)
Luneng
MANITOU
Mitsuber
New Holland
PENGPU
RM-Terex
SANY
SDLG
SEM
Shantui
Shehwa HBXG
Soosan
TIGARBO
VOGELE
Volvo
WAY
WIRTGEN
XCMG
XGMA
Xiamen
YTO
Yuchai
Zoomlion
Автокран
АЗСМ
Алтайлесмаш
Амкодор
АОМЗ
Атек
АТЗ
Балканкар Рекорд
БелАЗ
Беловеж
Борекс
Брянский Арсенал
Булат
ВЭКС
ГАЗ
Геомаш
Гидромаш
Донекс
Дормаш
Дормашина
Дорэлектромаш
ДЭЗ
ЕлАЗ
ЗЗГТ
Ижнефтемаш
Канаш-электрокар
КЗКТ
ККЗ
Клевер
Клинцовский автокрановый завод
КМЗ
КМЗ 1 Мая
Ковровец
Коммаш
Кранэкс
КЭЗ
КЭМЗ
ЛЗА
МАЗ
МЗИК
МЗКМ
МЗКТ
Михневский РМЗ
МоАЗ
Мозырский МЗ
МТЗ
ОЗП
Онежец
ПАО "ТЗА"
ППС Детва
Промтрактор
ПТЗ
Раскат
СпецАгрегат
ТВЭКС
ТТМ
УВЗ
Угличмаш
УЗТМ
ХТЗ
ЧЗКМ
ЧСДМ
ЧТЗ
ЭКСКО
ЭКСМАШ
ЮрМаш
Модель
Не выбрано
AB 340 (2016)
AB500-2 TV (2011)
AB500-3 TV (2016)
SUPER 1100-3 (2021)
SUPER 1103-2 (2016)
SUPER 1300-3 (2021)
SUPER 1303-2 (2016)
SUPER 1600-2 (2015)
SUPER 1800-2 (2015)
SUPER 1800-2SJ (2015)
Схема
>
Не выбрано
0911 (SUPER 1103-2/1303-2)
OPERATING INSTRUCTIONS/WARNING LEFT
OPERATING INSTRUCTIONS/WARNING RIGHT
OPERATING INSTRUCTIONS/WARNING FRONT
OPERATING INSTRUCTIONS/WARNING REAR
OPERATING INSTRUCTIONS/WARNING LEFT USA
OPERATING INSTRUCTIONS/WARNING RIGHT USA
OPERATING INSTRUCTIONS/WARNING FRONT USA
OPERATING INSTRUCTIONS/WARNING REAR USA
COVERING, LEFT SIDE
COVERING, RIGHT SIDE
COVERING, RIGHT SIDE
ENGINE COVER
ENGINE COVER
ENGINE COVER
WHEEL COVER
WHEEL COVER
LIGHTING, HALOGEN WITH ROOF
LIGHTING WITH ROOF
LIGHTING, HALOGEN LAMPS
LIGHTING WITHOUT ROOF
ADDITIONAL LIGHTING
ROTARY BEACON
HORN
CHOCK
ASCENT
ASCENT
CHASSIS
CHASSIS
OPERATOR CONSOLE: ELECTRICS
CONTROL DESK
CONSOLE SLIDE
CONSOLE RAIL: POWER CABLE
STEERING UNIT
BRAKE UNIT
STAGE
MOUNT FOR SEAT WITH GUARD RAIL
DRIVER'S SEAT
LAT. OPERATOR'S CONSOLE CPL.
LATERAL OPERATOR'S CONSOLE
LATERAL OPERATOR'S CONSOLE
LATERAL OPERATOR'S CONSOLE
CANOPY FRAME COMPLETE
CANOPY FRAME COMPLETE
CAB ROOF
ROOF WITH AWNING
REAR VIEW MIRROR WITH FIXATION
TOOLBOX, RIGHT
TOOLBOX, LEFT
SET OF TOOLS
POWER UNIT TIER2
POWER UNIT TIER3
POWER UNIT TIER2
POWER UNIT TIER3
FUEL SUPPLY
EXHAUST SYSTEM
AIR INTAKE
AIR INTAKE
AIR INTAKE
COOLING SYSTEM
COOLING SYSTEM
COOLING SYSTEM
COOLING SYSTEM
HYDRAULIC TANK
PANOLIN PARTIAL FLOW FILTER
PUMP SPLITTER GEARBOX
PUMP: HYDRAULIC RAMS
LEAKAGE
CONVEYOR, HYDRAULIC
CONVEYOR, HYDRAULIC
CONVEYOR, HYDRAULIC
CONVEYOR, HYDRAULIC
CONVEYOR MIXED MAT., HYDR.
CONVEYOR MIXED MAT., HYDR.
RETURN
RETURN
CIRCUIT
CROWN ADJUSTMENT
ELECTRICAL SYSTEM: CROWN
VALVE BLOCK: HYDRAULIC RAMS 1
VALVE BLOCK: HYDRAULIC RAMS
VALVE BLOCK: HYDRAULIC RAMS
VALVE BLOCK:TAMPER
VALVE BLOCK:VIBRATORS
VALVE BLOCK:SWITCHING SYS.
VALVE BLOCK:CROWN
BATTERY BRACKET
POWER SUPPLY, 24 V
CONTROL BOX:COMPL.
CONTROL BOX:COMPL.
CONTROL BOX:MECHANICAL
CONTROL BOX:CONTROL UNIT
CONTROL BOX:CONTROL UNIT
CONTROL BOX:WIRE HARNESS
HEATING BOX:COMPLETE
HEATING BOX:MECHANICAL
HEATING BOX:CONTROL UNIT
HEATING BOX:CONTROL UNIT
THREE-PHASE A.C. GENERATOR
THREE-PHASE A.C. GENERATOR
FRONT WHEELS, NOT POWERED
FRONT WHEELS, POWERED
FRONT-WHEEL DR.,HYDR. 6x4 (1)
FRONT-WHEEL DR.,HYDR. 6x4 (2)
FRONT-WHEEL DR.,HYDR. 6x4 (3)
FRONT-WHEEL DR.,HYDR. 6x4 (4)
VALVE BLOCK
VALVE BLOCK
TRACTION DRIVE, MECH, LEFT
TRACTION DRIVE, LEFT SIDE
TRACTION DRIVE, MECH, RIGHT
TRACTION DRIVE, HYDR, RIGHT
TYRE
WATER-FILLED TYRES
FEED,TRACTION DRIVE (HYDRAULIC)
BRAKE (HYDRAULIC)
VALVE BLOCK:BRAKEE
DIFFERENTIAL PAWL, HYDR.
CONTROL BLOCK
ROAD TRAVEL HYDRAULIC
TOWING ATTACHMENT HYDR.
REVERSE MOTION/HORN
STEERING SYSTEM
STEERING (HYDR.)
STEERING, FRONT HYDRAULIC
DIRECTION INDICATOR
PUSH-ROLLER
MATERIAL HOPPER
MATERIAL HOPPER
HOPPER SIDE, LEFT (HYDRAULIC)
HOPPER SIDE, RIGHT (HYDRAULIC)
HOPPER FRONT (MECHANICAL)
FEEDGATE (HYDRAULIC)
FEEDGATE (HYDRAULIC)
DEFLECTION ROLLER
WEAR PLATE: CONVEYOR
DRIVING SHAFT: CONVEYOR
SCRAPER CHAIN
DRIVE: CONVEYOR
DRIVE: CONVEYOR, LEFT HYD.
DRIVE: CONVEYOR, RIGHT HYD.
CONTROL: MECHANICAL SENSOR
SUSPENSION: SPREADING AUGER
AUGER DRIVE
AUGER DRIVE
AUGER DRIVE
AUGER DRIVE: CHAIN ADJUSTER
AUGER DRIVE: CHAIN ADJUSTER
AUGER, LEFT (HYDRAULIC)
AUGER, RIGHT (HYDRAULIC)
HEIGHT ADJUSTMENT, MECHANICAL
HEIGHT ADJUSTMENT, AUGER HYDR.
AUGER SHAFT WITH BEARING
AUGER SHAFT WITH BEARING
AUGER SHAFT WITH BEARING
CONTROL: SENSOR FOR AUGER
SONIC SENSOR: AUGER
LIM. PLATE:AUGER TUNNEL,TURN.
LIM. PLATE:AUGER TUNNEL,TURN.
AUGER EXTENSION 4,2M
AUGER EXTENSION 4,5M
NIVELTRONIC PLUS, BASIC
BRACKET: 2ND SENSOR
MECHANICAL SCOPE SENSOR
ULTRASONIC SECTION SENSOR
ULTRASONIC SECTION SENSOR
ULTRASONIC SENSOR
PENDULUM
LASER SENSOR
SKI 2M
ACCESSORIES FOR STRINGLINE
CLEANING PUMP
CLEANING PUMP WITH TANK
SPRAY HOSE
SPRAY PUMP
REWINDER
LEVELLING SPARS
HYDRAULIC RAM, LEFT SIDE
HYDRAULIC RAM, RIGHT SIDE
SCREED LIFT-LOWER
SCREED ASSIST (HYDRAULIC)
SCREED ASSIST (HYDRAULIC)
VALVE BLOCK SCREED ASSIST
WIDTH CONTROL: SCREED
TAMPER HYDRAULICS
VIBRATION HYDRAULICS
SERVICE KIT, 50H
SERVICE KIT, 500H
SERVICE KIT, 1000H
VSS_MATERIAL HOPPER
VSS_RETURN PULLEY
VSS_DRIVE SHAFT, LEFT SIDE
VSS_DRIVE SHAFT, RIGHT SIDE
VSS_AUGER
VSS AUGER
VSS AUGER
SHOP KIT
ACCESSORIES
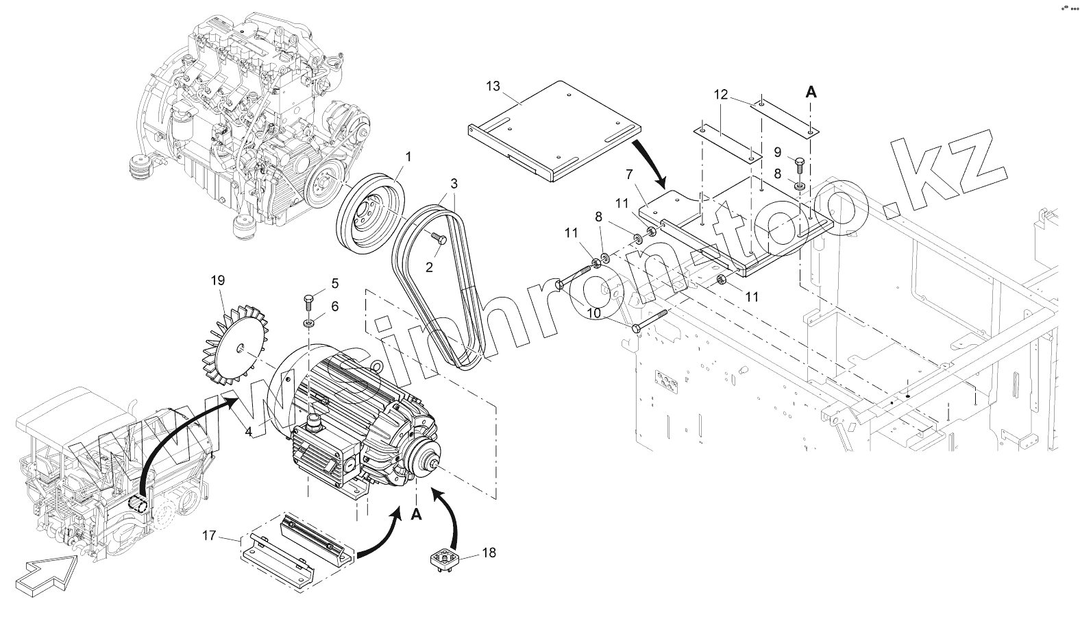
1
2
3
4
5
6
7
8
8
9
10
11
11
11
12
13
17
18
19
Позиция на иллюстрации
Заводской номер детали
Название детали
1
2048032
V-BELT PULLEY
2
9510330933
SCREW
3
2048342
V-BELT
4
2044135
THREE-PHASE A.C. GENERATOR
5
9510250933
SCREW
6
9550100125
WASHER
7
2048315
METAL PLATE
8
9501057349
WASHER
9
9510320933
SCREW
10
9510440933
SCREW
11
9500100934
NUT
12
2063945
INSULATING PLATE
13
2105490
METAL PLATE
17
2108545
GENERATOR CONSOLE
18
2094629
SET OF DIODES
19
2074337
FAN BLADE
Содержащиеся в справочниках-каталогах запасные части и детали не предлагаются к продаже, а носят исключительно информационный характер
Дополнительная информация
×
Название:
Номер:
Примечание: