Вернуться на главную
Поиск
Каталоги запчастей к технике
Спецтехника
VOGELE
SUPER 1100-3
DRIVE: CONVEYOR, LEFT HYD.
Каталог запасных частей к технике: VOGELE SUPER 1100-3. DRIVE: CONVEYOR, LEFT HYD.
zoom-in
zoom-out
enlarge
shrink
circle-right
circle-left
file-text2
info
cart
Тип техники
Не выбрано
Легковые автомобили
Грузовые автомобили и прицепы
Автобусы
Сельхозтехника
Спецтехника
Двигатели
Мототехника
Марка
Не выбрано
Ammann
BOMAG
CARMIX
CASE IH
Changlin
ChengGong
Dimex
Doosan
DYNAPAC
Foton
HAMM
Hidromek
Hitachi
Hyundai
JCB
JLG
John Deere
Komatsu
LIEBHERR
LiuGong
Lonking (LongGong)
Luneng
MANITOU
Mitsuber
New Holland
PENGPU
RM-Terex
SANY
SDLG
SEM
Shantui
Shehwa HBXG
Soosan
TIGARBO
VOGELE
Volvo
WAY
WIRTGEN
XCMG
XGMA
Xiamen
YTO
Yuchai
Zoomlion
Автокран
АЗСМ
Алтайлесмаш
Амкодор
АОМЗ
Атек
АТЗ
Балканкар Рекорд
БелАЗ
Беловеж
Борекс
Брянский Арсенал
Булат
ВЭКС
ГАЗ
Геомаш
Гидромаш
Донекс
Дормаш
Дормашина
Дорэлектромаш
ДЭЗ
ЕлАЗ
ЗЗГТ
Ижнефтемаш
Канаш-электрокар
КЗКТ
ККЗ
Клевер
Клинцовский автокрановый завод
КМЗ
КМЗ 1 Мая
Ковровец
Коммаш
Кранэкс
КЭЗ
КЭМЗ
ЛЗА
МАЗ
МЗИК
МЗКМ
МЗКТ
Михневский РМЗ
МоАЗ
Мозырский МЗ
МТЗ
ОЗП
Онежец
ПАО "ТЗА"
ППС Детва
Промтрактор
ПТЗ
Раскат
СпецАгрегат
ТВЭКС
ТТМ
УВЗ
Угличмаш
УЗТМ
ХТЗ
ЧЗКМ
ЧСДМ
ЧТЗ
ЭКСКО
ЭКСМАШ
ЮрМаш
Модель
Не выбрано
AB 340 (2016)
AB500-2 TV (2011)
AB500-3 TV (2016)
SUPER 1100-3 (2021)
SUPER 1103-2 (2016)
SUPER 1300-3 (2021)
SUPER 1303-2 (2016)
SUPER 1600-2 (2015)
SUPER 1800-2 (2015)
SUPER 1800-2SJ (2015)
Схема
>
Не выбрано
OPERATING INSTRUCTIONS/WARNING LEFT
OPERATING INSTRUCTIONS/WARNING RIGHT
OPERATING INSTRUCTIONS/WARNING FRONT
OPERATING INSTRUCTIONS/WARNING REAR
OPERATING INSTRUCTIONS/WARNING LEFT USA
OPERATING INSTRUCTIONS/WARNING RIGHT USA
OPERATING INSTRUCTIONS/WARNING FRONT USA
OPERATING INSTRUCTIONS/WARNING REAR USA
OPERATING INSTRUCTIONS/WARNING LRC
OPERATING INSTRUCTIONS/WARNING HRC
OPERATING INSTRUCTIONS/WARNING HRC
COVERING, LEFT SIDE
COVERING, RIGHT SIDE
ENGINE COVER
LIGHTING
ADDITIONAL LIGHTING
LIGHTING BALLOON
LIGHTING BALLOON
ROTARY BEACON WITHOUT ROOF
ROTARY BEACON WITH ROOF
HORN
ASCENT
CHASSIS
CHASSIS
OPERATOR CONSOLE:ELECTRICS
CONSOLE SLIDE
CONSOLE RAIL: POWER CABLE
STAGE
SEAT ADJUSTMENT
DRIVER'S SEAT
DRIVER'S SEAT+HEATING
LATERAL OPERATOR'S CONSOLE
CANOPY FRAME COMPLETE
ROOF WITHOUT AWNING
ROOF WITH AWNING
UMBRELLA
MOUNT FOR UMBRELLA
MIRROR WITHOUT ROOF
MIRROR WITH MOUNTING DEVICE
OPERATOR'S STAND WITHOUT ROOF
NEAR RANGE MIRROR WITH ROOF
PAVEDOCK
PAVEDOCK WITH ROOF
TOOLBOX, LEFT
TOOLBOX, RIGHT
HOLDER
ENGINE STATION
DIESEL ENGINE
ENGINE STATION
DIESEL ENGINE
FUEL SUPPLY
EXHAUST SYSTEM
EXHAUST SYSTEM
COMBUSTION AIR
COOLING SYSTEM
FAN DRIVE
FAN DRIVE
HYDRAULIC TANK
HYDRAULIC OIL COOLER
PANOLIN PARTIAL FLOW FILTER
HYDRAULIC OIL
PUMP SPLITTER GEARBOX
PUMP: HYDRAULIC RAMS
LEAKAGE
CONVEYOR MIXED MAT., HYDR.
RETURN
PUMP: HYDRAULIC RAMS
CROWN ADJUSTMENT:HYDRAULIC
VALVE BLOCK
VALVE BLOCK
VALVE BLOCK
VALVE BLOCK
SUSPENSION: VALVE BLOCKS
BATTERY BRACKET
24 V POWER SUPPLY BATTERY
CONTROL BOX:COMPL.
CONTROL BOX:MECHANICAL
CONTROL BOX:MOUNTING PLATE
CONTROL BOX:CONTROL UNIT
CONTROL BOX:INSULATION
MOUNTING MATERIAL
HEATING BOX:COMPLETE
HEATING BOX:MECHANICAL
HEATING BOX:CONTROL UNIT
INSTALLATION PARTS
THREE-PHASE A.C. GENERATOR
CABLE HARNESS
WITOS FLEETVIEW
CRAWLER TRACK, LEFT SIDE
CRAWLER TRACK, RIGHT SIDE
ROLLER/CRAWLER TRACK
FRONT IDLER
TRACTION DRIVE, LEFT SIDE
TRACTION DRIVE, HYDR, RIGHT
FEED,TRACTION DRIVE(HYDRAULIC)
BRAKE (HYDRAULIC)
VALVE BLOCK
PRE-WIPER
LEVER
PRE-WIPER
STRIKE-OFF PLATE (HYDRAULIC)
VALVE BLOCK
REVERSE MOTION/HORN
DIRECTION INDICATOR
PUSH-ROLLER
MATERIAL HOPPER
HOPPER, LEFT SIDE: HYDRAULIC
HOPPER, RIGHT SIDE: HYDRAULIC
HOPPER FRONT (MECHANICAL)
FEEDGATE (HYDRAULIC)
FEEDGATE (HYDRAULIC)
RETURN PULLEY COMPL.
WEAR PLATE: CONVEYOR
DRIVING SHAFT: CONVEYOR
SCRAPER CHAIN
DRIVE: CONVEYOR
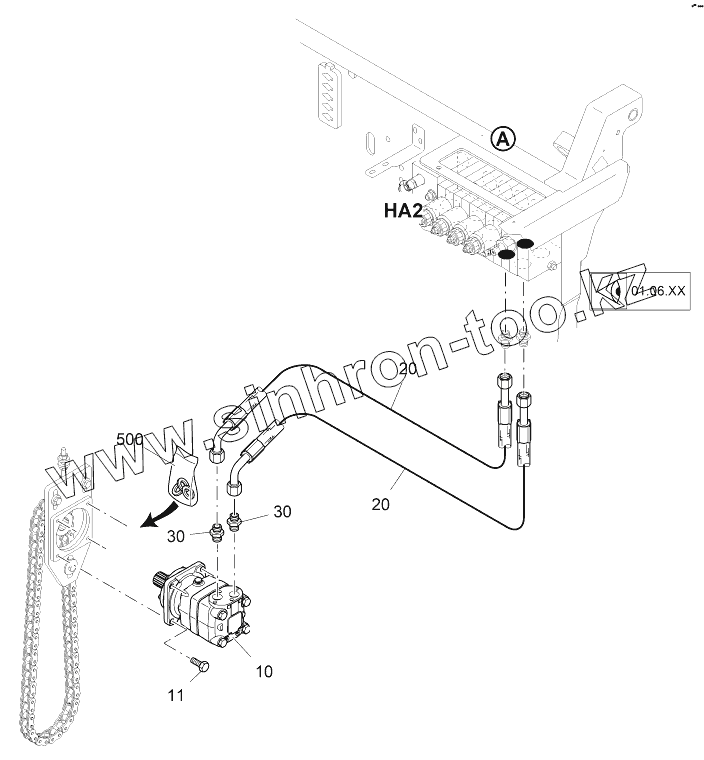
DRIVE: CONVEYOR, LEFT HYD.
DRIVE: CONVEYOR, RIGHT HYD.
CONTROL: MECHANICAL SENSOR
SUSPENSION: SPREADING AUGER
AUGER DRIVE
AUGER DRIVE: CHAIN ADJUSTER
AUGER, LEFT (HYDRAULIC)
AUGER, RIGHT (HYDRAULIC)
HEIGHT ADJUSTMENT, MECHANICAL
HEIGHT ADJUSTMENT, MECHANICAL
HEIGHT ADJUSTMENT, AUGER HYDR.
AUGER SHAFT WITH BEARING
CONTROL: SENSOR FOR AUGER
SONIC SENSOR: AUGER
LIM. PLATE:AUGER TUNNEL,TURN.
AUGER EXTENSION 4,2M
AUGER EXTENSION 4,5M
AUGER EXTENSION
WITHOUT VENTILATION SYSTEM
NIVELTRONIC PLUS, BASIC
HOLDER SYSTEM
SENSOR BRACKET
MECHANICAL SCOPE SENSOR
ULTRASONIC SECTION SENSOR
ULTRASONIC SENSOR
SLOPE SENSOR
LASER SENSOR
SKI 2M
CLEANER UNIT
CLEANING PUMP
WASHDOWN SYSTEM WITH TANK
SPRAY PUMP
LEVELLING SPARS
HYDRAULIC RAM, LEFT SIDE
HYDRAULIC RAM, RIGHT SIDE
SCREED LIFT-LOWER
SCREED ASSIST
VALVE BLOCK
WIDTH CONTROL: SCREED
WITHOUT TAMPER
TAMPER HYDRAULICS
VALVE BLOCK
VIBRATION HYDRAULICS
SERVICE KIT, 50H
SERVICE KIT, 500H
SERVICE KIT, 1000H
VSS_MATERIAL HOPPER
VSS_RETURN PULLEY
VSS_DRIVE SHAFT, LEFT SIDE
VSS_DRIVE SHAFT, RIGHT SIDE
VSS_AUGER BLADE
VSS_AUGER
SHOP KIT
ILLUSTRATION OPER. MATERIALS
ACCESSORIES
TOOLS
10
11
20
20
30
30
500
Позиция на иллюстрации
Заводской номер детали
Название детали
10
9629711000
HYDRAULIC MOTOR
11
9512310933
SCREW
20
2077967
HOSE
30
9602110057
SCREW CONNECTION
500
9609521001
SET OF SEALS
Содержащиеся в справочниках-каталогах запасные части и детали не предлагаются к продаже, а носят исключительно информационный характер
Дополнительная информация
×
Название:
Номер:
Примечание: