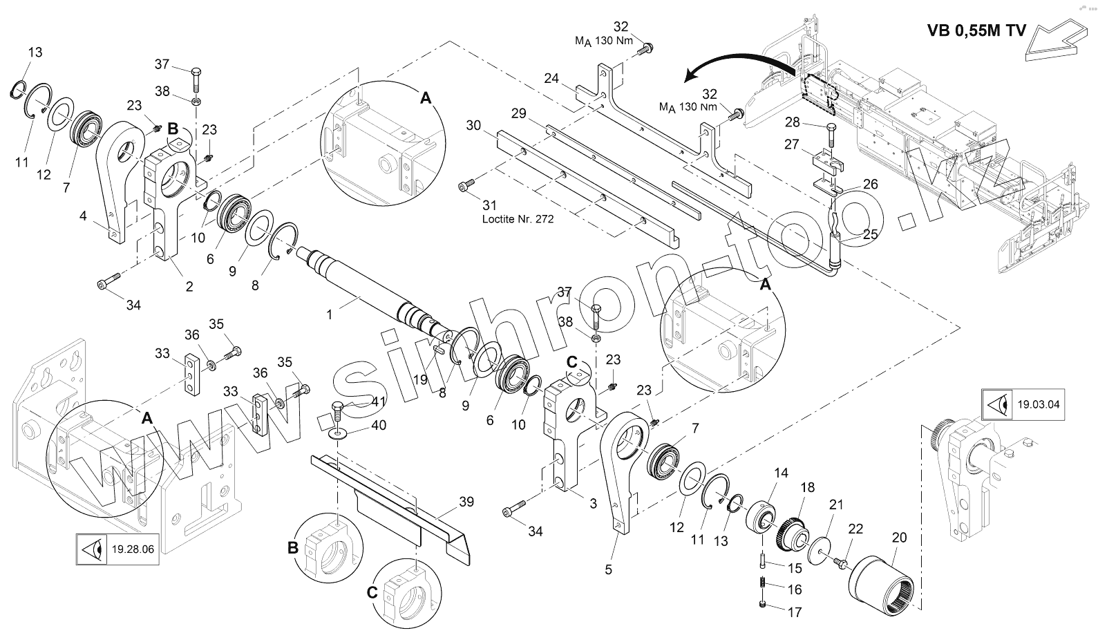
Каталог запасных частей к технике: VOGELE AB 340. TAMPER, RIGHT SIDE
1
2
3
4
5
6
6
7
7
8
8
9
9
10
10
11
11
12
12
13
13
14
15
16
17
18
19
20
21
22
23
23
23
23
24
25
26
27
28
29
30
31
32
32
33
33
34
34
35
35
36
36
37
37
38
38
39
40
41
| Позиция на иллюстрации | Заводской номер детали | Название детали | |
|---|---|---|---|
| 1 | 2046970 | ECCENTRIC SHAFT | |
| 2 | 4611052121 | BEARING, RIGHT | |
| 3 | 4611052120 | BEARING, LEFT | |
| 4 | 4615042062 | CONNECTING ROD | |
| 5 | 4615042061 | CONNECTING ROD | |
| 6 | 9540100635 | SELF-ALIGNING ROLLER BEARING | |
| 7 | 9540080635 | SELF-ALIGNING ROLLER BEARING | |
| 8 | 9500880472 | SEEGER CIRCLIP RING | |
| 9 | 4618042823 | WASHER | |
| 10 | 9500450471 | SEEGER RING | |
| 11 | 9500820472 | SEEGER CIRCLIP RING | |
| 12 | 4618042822 | WASHER | |
| 13 | 9500400471 | SEEGER RING | |
| 14 | 4618322019 | SET COLLAR | |
| 15 | 4623152016 | TENON | |
| 16 | 4606042014 | COMPRESSION SPRING | |
| 17 | 9512100551 | THREADED PIN | |
| 18 | 4610222032 | COUPLING HUB | |
| 19 | 9508306885 | FEATHER KEY | |
| 20 | 4610222031 | COUPLING SLEEVE | |
| 21 | 4618042116 | WASHER | |
| 22 | 9510200933 | SCREW | |
| 23 | 9601100054 | LUBRICATION NIPPLE | |
| 24 | 2047740 | PLATE, RIGHT SIDE | |
| 25 | 2047003 | HEATING ROD | |
| 26 | 2004903 | METAL PLATE | |
| 27 | 2004887 | HOLDER | |
| 28 | 9506310933 | SCREW | |
| 29 | 2046994 | METAL PLATE | |
| 30 | 2046991 | TAMPER BAR | |
| 31 | 2117865 | SCREW | |
| 32 | 2007173 | SCREW | |
| 33 | 4620022158 | SUPPORTING PLATE | |
| 34 | 9516340912 | SCREW | |
| 35 | 9508250933 | SCREW | |
| 36 | 9500080125 | WASHER | |
| 37 | 9510360933 | SCREW | |
| 38 | 9500100934 | NUT | |
| 39 | 2047743 | PLATE, RIGHT SIDE | |
| 40 | 9501139021 | WASHER | |
| 41 | 9512250933 | SCREW |
Содержащиеся в справочниках-каталогах запасные части и детали не предлагаются к продаже, а носят исключительно информационный характер