Вернуться на главную
Поиск
Каталоги запчастей к технике
Спецтехника
ВЭКС
ЭО-6123
ЭО-6122А.05.20.100 Установка насосная
Каталог запасных частей к технике: ВЭКС ЭО-6123. ЭО-6122А.05.20.100 Установка насосная
zoom-in
zoom-out
enlarge
shrink
circle-right
circle-left
file-text2
info
cart
Тип техники
Не выбрано
Легковые автомобили
Грузовые автомобили и прицепы
Автобусы
Сельхозтехника
Спецтехника
Двигатели
Мототехника
Марка
Не выбрано
Ammann
BOMAG
CARMIX
CASE IH
Changlin
ChengGong
Dimex
Doosan
DYNAPAC
Foton
HAMM
Hidromek
Hitachi
Hyundai
JCB
JLG
John Deere
Komatsu
LIEBHERR
LiuGong
Lonking (LongGong)
Luneng
MANITOU
Mitsuber
New Holland
PENGPU
RM-Terex
SANY
SDLG
SEM
Shantui
Shehwa HBXG
Soosan
TIGARBO
VOGELE
Volvo
WAY
WIRTGEN
XCMG
XGMA
Xiamen
YTO
Yuchai
Zoomlion
Автокран
АЗСМ
Алтайлесмаш
Амкодор
АОМЗ
Атек
АТЗ
Балканкар Рекорд
БелАЗ
Беловеж
Борекс
Брянский Арсенал
Булат
ВЭКС
ГАЗ
Геомаш
Гидромаш
Донекс
Дормаш
Дормашина
Дорэлектромаш
ДЭЗ
ЕлАЗ
ЗЗГТ
Ижнефтемаш
Канаш-электрокар
КЗКТ
ККЗ
Клевер
Клинцовский автокрановый завод
КМЗ
КМЗ 1 Мая
Ковровец
Коммаш
Кранэкс
КЭЗ
КЭМЗ
ЛЗА
МАЗ
МЗИК
МЗКМ
МЗКТ
Михневский РМЗ
МоАЗ
Мозырский МЗ
МТЗ
ОЗП
Онежец
ПАО "ТЗА"
ППС Детва
Промтрактор
ПТЗ
Раскат
СпецАгрегат
ТВЭКС
ТТМ
УВЗ
Угличмаш
УЗТМ
ХТЗ
ЧЗКМ
ЧСДМ
ЧТЗ
ЭКСКО
ЭКСМАШ
ЮрМаш
Модель
Не выбрано
ЭО-5122
ЭО-5124
ЭО-5221 (2009)
ЭО-5225 (2009)
ЭО-6123 (2000)
Схема
>
Не выбрано
ЭО-6123-1 Экскаватор одноковшовый
ЭО-6123-1 Экскаватор одноковшовый (прямая лопата с ковшом 3,2 м куб.)
ЭО-6123-1 Экскаватор одноковшовый (обратная лопата)
ЭО-6122А.08.00.000 Установка кабины машиниста
ЭО-6122А.08.00.000 Установка кабины машиниста
ЭО-6132.30.00.000 Установка капотов
ЭО-6123-1.01.00-000-1 Тележка гусеничная
ЭО-6123-1.01.02.000 Ход гусеничный правый (ЭО-6123-1.01.03.000 левый)
ЭО-6123-1.01.02.000 Ход гусеничный правый (ЭО-6123-1.01.03.000 левый)
ЭО-6123-1.01.06.000 Лента гусеничная
ЭО-6121.01.07.000 Установка гидродвигателя с тормозом правая (ЭО-6121.01.08.000 левая)
ЭО-6121.01.07.100 Гидроцилиндр
ЭО-6121.01.10.000-1 Каток опорный
ЭО-6121.01.11.000-1 Каток натяжной
ЭО-6123-1.01.12.000 Трубопроводы гусеничной тележки
У4760.03.000А Коллектор
ЭО-6123.02.00.000 Платформа
ЭО-6122А.03.000 Противовес
ЭО-6121.03.00.000 Привод поворота
ЭО-6121.03.01.000 Корпус редуктора
ЭО-6121.03.02.000 Крышка редуктора
ЭО-6121.03.03.000 Гидродвигатель
ЭО-6121.03.04.000 Водило
ЭО-6121.03.06.000 Водило
ЭО-6121.03.07.000 Вал поворота
ЭО-6123.04.00.000 Управление
ЭО-6123.04.01.00 Гидрооборудование кабины
ЭО-5124.04.01.000 Пульт-кресло
ЭО-6123.04.03.000 Трубопроводы управления
ЭО-6123.04.03.000 Трубопроводы управления
ЭО-6122.05.24.000 Блок золотников
ЭО-5124.04.16.000 Блок клапанов
ЭО-5122А.04.28.000-1 Блок золотников
ЭО-5122.05.09.000-1 Клапан
ЭО-6123.05.00.000 Гидроуправление
ЭО-6123.06.20.000 Трубопроводы управления на платформе
ЭО-6123.05.20.000 Трубопроводы управления на платформе
ЭО-6122А.05.20.100 Установка насосная
ЭО-6122А.06.20.000 Пневмоаккумулятор
ЭО-5124.06.25.100 Блок золотников
ФМ4-000 Фильтр магнитный
ЭО-6122А.05.16.000-1 Трубопроводы управления стрелы
ЭО-6123.06.00.000 Установка стрелы
ЭО-6123.06.01.000 Стрела
ЭО-6123.06.03.000 Трубопроводы смазки стрелы
ЭО-6123.06.07.000 Трубопроводы стрелы
ЭО-5122.06.09.000-2 Гидроаппарат гидроцилиндров
520.20.10Б Клапан предохранительный
ЭО-6123.09.00.000 Гидрооборудование
ЭО-6123.09.03.000 Установка фильтров
ЭО-5122.09.06.000-5 Гидроаппарат регулирующий
510.32.10 Гидроклапан предохранительный
ЭО-6123.09.05.000 Трубопроводы на платформе
ЭО-6123.09.05.000 Трубопроводы на платформе
ЭО-5122.09.11.000-3 Гидроаппарат гидромоторов
ЭО-5122.09.14.000-1 Клапан обратный
ЭО-5124.09.17.250 Золотник тормозной
ЭО-6122А.31.02.000 Установка маслоохладителя
ЭО-6122А.31.08.000 Установка гидробака
ЭО-6122А.31.08.5000-1 Гидрозатвор
ЭО-5122.07.02.000 Установка датчика уровня
ЭО-6122А.31.10.000-2 Установка насоса закачки
ЭО-6123.11.00.000-1 Установка силовая
ЭО-6123.11.00.100 Электродвигатель с насосом
ЭО-6123.11.00.200 Насос регулируемый
ЭО-6123.12.00.000 Электрооборудование
ЭО-6123.12.08.000 Станция управления
ЭО-6123.12.05.000 Проводка
ЭО-6123.12.07.000 Электрооборудование кабины
ЭО-6123.12.09.000 Щиток управления
ЭО-6122.32.01.000 Коробка вводная
ЭО-6122.32.02.000-1 Токоприемник
ЭО-6122А.30.01.000 Шкаф станции
ЭО-6123.13.00.000 Оборудование прямая лопата
ЭО-6123.13.01.000 Рукоять прямой лопаты
ЭО-6123.13.05.000 Гидроцилиндр
ЭО-6123.13.07.000 Трубопроводы прямой лопаты
ЭО-6123.13.08.000 Трубопроводы смазки рукояти прямой лопаты
ЭО-6123.13.11.000 Ковш прямой лопаты емкостью 3,2 м куб.
ЭО-6121.13.13.000-1 Гидроцилиндр
ЭО-6123.28.00.000 Установка моноблочной стрелы
ЭО-6123.28.01.000 Стрела моноблочная
ЭО-6123.28.03.000 Трубопроводы смазки моноблочной стрелы
ЭО-6123.28.05.000 Трубопроводы моноблочной стрелы
ЭО-5124.09.52.000 Гидроаппарат гидроаккумуляторов
ЭО-6123.29.00.000 Оборудование обратная лопата
ЭО-6123.29.01.000 Рукоять обратной лопаты
ЭО-6123.29.03.000 Ковш обратной лопаты емкостью 2,5 м куб.
ЭО-6123.29.07.000 Трубопроводы рабочего оборудования
ЭО-6123.29.08.000 Трубопроводы смазки рукояти обратной лопаты
ЭО-6123.20.00.000 Комплект инструмента и принадлежностей
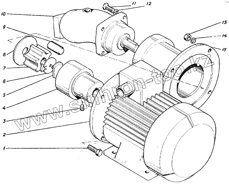
1
2
3
4
5
6
7
8
9
10
11
12
13
14
15
Позиция на иллюстрации
Заводской номер детали
Название детали
1
7798.12.40
Болт
2
19523.4А100/6УЗ
Электродвигатель
3
1476.10.20
Винт
4
ЭО-6122А.06.20.101
Полумуфта
5
ЭО-6122.76.01.008
Фланец
6
ЭО-6122.76.01.009
Шайба стопорная
7
ЭО-6122.76.01.001
Полумуфта
8
ЭО-6122.76.01.007
Шайба
9
ЭО-6122.76.01.006
Палец
10
210.16.11.00A
Насос
11
7798.10.30
Болт
12
6402.10
Шайба
13
5915.12
Гайка
14
6402.12
Шайба
15
ЭО-6122А.06.20.110
Стакан
Содержащиеся в справочниках-каталогах запасные части и детали не предлагаются к продаже, а носят исключительно информационный характер
Дополнительная информация
×
Название:
Номер:
Примечание: