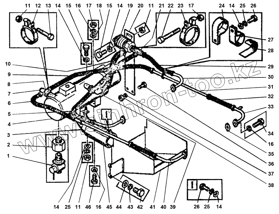
Каталог запасных частей к технике: ВЭКС ЭО-5225. ЭО-5225.11.18.000-1 Установка подогревателя
1
2
3
4
5
6
7
8
9
10
11
11
11
12
13
14
14
14
14
14
15
15
16
16
16
17
17
18
19
20
21
22
23
24
25
25
25
26
26
27
28
29
30
31
32
33
34
35
36
37
38
39
40
41
42
43
44
45
46
| Позиция на иллюстрации | Заводской номер детали | Название детали | |
|---|---|---|---|
| 1 | ПС-7 | Кран пробковый | |
| 2 | 43211.11.02.003 | Штуцер | |
| 3 | ЭО-5225.11.18.100-1 | Труба | |
| 4 | 141.8106 | Подогреватель жидкостный | |
| 5 | ЭО-5225.11.18.012-1 | Рукав | |
| 6 | ЭО-5225.11.18.011-1 | Рукав | |
| 7 | ЭО-5225.11.18.250-1 | Патрубок | |
| 8 | ЭО-5225.11.18.013-1 | Рукав | |
| 9 | ЭО-5225.11.18.008-1 | Рукав | |
| 10 | ЭО-5225.11.18.014-1 | Рукав | |
| 11 | 5915.6 | Гайка | |
| 12 | 102.32 | Хомут | |
| 13 | 7798.6.40 | Болт | |
| 14 | 11374.6 | Шайба | |
| 15 | 7798.6.20 | Болт | |
| 16 | 6402.8 | Шайба | |
| 17 | 5915.8 | Гайка | |
| 18 | 11374.8 | Шайба | |
| 19 | 34.3730 | Электродвигатель с насосом | |
| 20 | ЭО-5225.11.18.001-1 | Планка | |
| 21 | ЭО-5225.11.18.350-1 | Патрубок | |
| 22 | 7798.8.60 | Болт | |
| 23 | 102.53 | Хомут | |
| 24 | 17679.34.12 | Хомут | |
| 25 | 6402.6 | Шайба | |
| 26 | 7798.6.16 | Болт | |
| 27 | 17679.28.12 | Хомут | |
| 28 | ЭО-5225.11.18.006-1 | Прокладка | |
| 29 | ЭО-5225.11.18.009-1 | Рукав | |
| 30 | ЭО-5225.11.18.130 | Патрубок | |
| 31 | ЭО-5225.11.18.005-1 | Труба | |
| 32 | ЭО-5225.11.18.007-1 | Рукав | |
| 33 | ЭО-5225.11.18.400-1 | Патрубок | |
| 34 | 7798.8.25 | Болт | |
| 35 | ЭО-5225.11.18.013 | Прокладка | |
| 36 | 7798.16.40 | Болт | |
| 37 | 6402.16 | Шайба | |
| 38 | 5915.16 | Гайка | |
| 39 | ЭО-5225.11.18.300-1 | Патрубок | |
| 40 | ЭО-5122.11.18.140 | Патрубок | |
| 41 | ЭО-5225.11.18.200-1 | Фальшподдон | |
| 42 | 7798.10.20 | Болт | |
| 43 | 6402.10 | Шайба | |
| 44 | 11374.10 | Шайба | |
| 45 | ЭО-5225.11.18.150-1 | Труба | |
| 46 | 7798.8.20 | Болт |
Содержащиеся в справочниках-каталогах запасные части и детали не предлагаются к продаже, а носят исключительно информационный характер