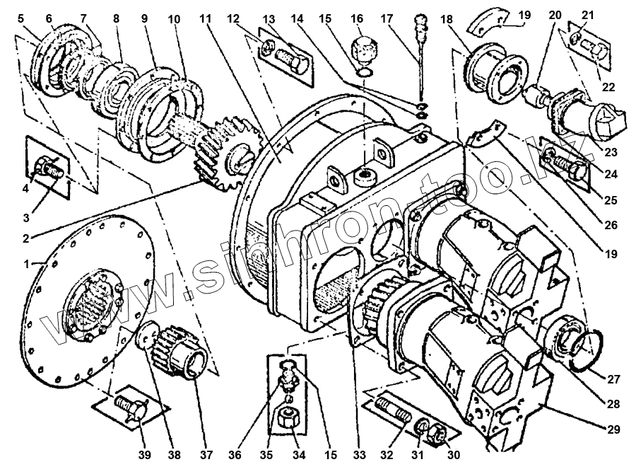
Каталог запасных частей к технике: ВЭКС ЭО-5225. ЭО-5225.11.08.000 Редуктор раздаточный
1
2
3
4
5
6
7
8
9
10
11
12
13
14
15
15
16
17
18
19
19
20
21
22
23
24
25
26
27
28
29
30
31
32
33
34
35
36
37
38
39
| Позиция на иллюстрации | Заводской номер детали | Название детали | |
|---|---|---|---|
| 1 | ЭО-5225.11.08.500 | Муфта | |
| 2 | ЭО-5225.11.08.001 | Вал-шестерня | |
| 3 | 7798.10.20 | Болт | |
| 4 | 3282.1,6 | Проволока L=3 м | |
| 5 | ЭО-5225.11.08.006 | Крышка | |
| 6 | ЭО-5225.11.08.009 | Прокладка | |
| 7 | 8752.1.2.80.105 | Манжета | |
| 8 | 8338.312 | Подшипник | |
| 9 | ЭО-5225.11.08.005 | Корпус | |
| 10 | ЭО-5225.11.08.011 | Прокладка | |
| 11 | ЭО-5225.11.08.100 | Корпус | |
| 12 | 6402.12 | Шайба | |
| 13 | 7798.12.40 | Болт | |
| 14 | 9833.012.016.25 | Кольцо | |
| 15 | 9833.024.030.36 | Кольцо | |
| 16 | ЭО-6124.11.08.700 | Сапун | |
| 17 | ЭО-5225.11.08.400 | Щуп | |
| 18 | ЭО-5225.11.08.004-1 | Корпус | |
| 19 | ЭО-5225.11.08.007 | Прижим | |
| 20 | ЭО-5225.11.08.003-1 | Полумуфта | |
| 21 | 6402.8 | Шайба | |
| 22 | 7798.8.25 | Болт | |
| 23 | 310.12.05 | Насос | |
| 24 | 33211.11.08.008 | Прокладка | |
| 25 | 7798.10.35 | Болт | |
| 26 | 6402.10 | Шайба | |
| 27 | 9833.100.110.58 | Кольцо | |
| 28 | 8328.42212 | Подшипник | |
| 29 | ЭО-5225.11.08.200 | Насос | |
| 30 | 5915.16 | Гайка | |
| 31 | 6402.16 | Шайба | |
| 32 | 22034.16.50 | Шпилька | |
| 33 | ЭО-5225.11.08.012 | Прокладка | |
| 34 | ЭО-5221.03.00.006 | Гайка | |
| 35 | 3722.Б.23.812 | Шарик | |
| 36 | 33211.11.08.011 | Штуцер | |
| 37 | ЭО-5225.11.08.002 | Полумуфта | |
| 38 | ЭО-5225.11.08.008 | Шайба | |
| 39 | 7798.10.25 | Болт |
Содержащиеся в справочниках-каталогах запасные части и детали не предлагаются к продаже, а носят исключительно информационный характер