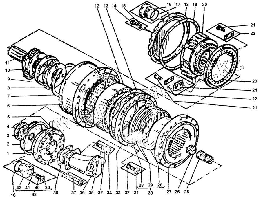
Каталог запасных частей к технике: ВЭКС ЭО-5225. ЭО-5222.01.17.000 Редуктор
1
2
3
4
5
6
7
8
9
10
11
12
13
14
15
16
16
17
18
19
20
21
21
22
22
23
24
25
26
27
28
28
29
30
31
32
32
33
34
35
36
37
38
39
40
41
42
43
| Позиция на иллюстрации | Заводской номер детали | Название детали | |
|---|---|---|---|
| 1 | ЭО-5222.01.17.017 | Прокладка | |
| 2 | 9833.305.315.058 | Кольцо | |
| 3 | ЭО-5222.01.17.006 | Ступица | |
| 4 | 13940.С.60 | Кольцо | |
| 5 | ЭО-5222.01.17.500 | Тормоз | |
| 6 | ЭО-5222.01.17.002 | Корпус | |
| 7 | 13941.В.300 | Кольцо | |
| 8 | ЭО-5222.01.17.100 | Водило | |
| 9 | ЭО-5222.01.17.009 | Кольцо | |
| 10 | ЭО-5222.01.17.200 | Водило | |
| 11 | ЭО-5222.01.17.005 | Шестерня | |
| 12 | 6364.2097972 | Подшипник | |
| 13 | ЭО-5222.01.17.019 | Прокладка | |
| 14 | ЭО-5222.01.17.024 | Болт | |
| 15 | 6402.12 | Шайба | |
| 16 | ЭО-5222.01.17.016 | Пробка | |
| 17 | 9833.024.030.36 | Кольцо | |
| 18 | ЭО-5222.01.17.008 | Крышка | |
| 19 | ЭО-5222.01.17.021 | Прокладка | |
| 20 | ЭО-5222.01.17.300 | Водило | |
| 21 | 7798.12.30 | Болт | |
| 22 | ЭО-5222.01.17.507 | Планка | |
| 23 | ЭО-5222.01.17.011 | Кольцо | |
| 24 | ЭО-5222.01.17.012 | Планка | |
| 25 | ЭО-5222.01.17.025 | Шестерня | |
| 26 | ЭО-5221.01.17.004 | Шестерня | |
| 27 | ЭО-5221.01.17.001 | Корпус | |
| 28 | ЭО-5221.01.17.402 | Кольцо | |
| 29 | ЭО-5221.01.17.401 | Кольцо | |
| 30 | ЭО-5221.01.17.400 | Уплотнение | |
| 31 | 11738.16.35 | Винт | |
| 32 | 6402.18 | Шайба | |
| 33 | ЭО-5222.01.17.007 | Крышка | |
| 34 | 5915.16 | Гайка | |
| 35 | 22034.16.45 | Шпилька | |
| 36 | 310.112.00.У1 | Гидромотор нерегулируемый | |
| 37 | 11738.12.80 | Винт | |
| 38 | ЭО-5221.01.17.018 | Прокладка | |
| 39 | 11371.8 | Шайба | |
| 40 | ЭО-5222.01.17.602 | Пружина | |
| 41 | 3722.Б11.112 | Шарик | |
| 42 | ЭО-5222.01.17.600 | Пробка | |
| 43 | ЭО-5222.01.17.600 | Пробка |
Содержащиеся в справочниках-каталогах запасные части и детали не предлагаются к продаже, а носят исключительно информационный характер