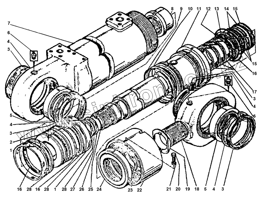
Каталог запасных частей к технике: ВЭКС ЭО-5225. ЭО-5221.00.01.000 Гидроцилиндр
1
1
2
3
3
3
3
4
4
4
4
5
5
6
6
7
8
9
10
11
12
13
14
15
15
16
16
16
17
18
19
20
21
22
23
24
25
26
27
28
28
28
| Позиция на иллюстрации | Заводской номер детали | Название детали | |
|---|---|---|---|
| 1 | ЭО-5221.00.01.003 | Кольцо | |
| 2 | ЭО-5221.00.01.002 | Поршень | |
| 3 | 8752.120.150 | Манжета | |
| 4 | 13941.2С.150 | Кольцо | |
| 5 | 9ШС110К | Подшипник | |
| 6 | 19853.1.3 | Масленка | |
| 7 | ЭО-5221.00.01.100 | Цилиндр | |
| 8 | ЭО-5221.00.01.013 | Гайка | |
| 9 | 9833.150.160.58 | Кольцо | |
| 10 | 114.150.160 | Кольцо | |
| 11 | ЭО-5221.00.01.001 | Втулка | |
| 12 | 9833.105.112.46 | Кольцо | |
| 13 | ЭО-5221.00.01.012 | Манжета | |
| 14 | 9833.100.110.58 | Кольцо | |
| 15 | ЭО-5221.00.01.017 | Кольцо защитное | |
| 16 | 9833.140.150.58 | Кольцо | |
| 17 | ЭО-5221.00.01.005 | Кольцо | |
| 18 | ЭО-5124.06.05.004 | Проушина | |
| 19 | ЭО-5124.06.05.006 | Шайба | |
| 20 | ЭО-5122.06.05.014 | Винт | |
| 21 | 5915.10 | Гайка | |
| 22 | ЭО-5124.06.05.005 | Гайка | |
| 23 | ЭО-5124.06.05.600 | Грязесъемник | |
| 24 | ЭО-5221.00.01.008 | Стакан | |
| 25 | ЭО-5221.00.01.011 | Шток | |
| 26 | 114.70.80 | Кольцо | |
| 27 | 9833.70.80.58 | Кольцо | |
| 28 | ЭО-5221.00.01.004 | Кольцо |
Содержащиеся в справочниках-каталогах запасные части и детали не предлагаются к продаже, а носят исключительно информационный характер