Вернуться на главную
Поиск
Каталоги запчастей к технике
Спецтехника
ВЭКС
ЭО-5225
ЭО-5126.00.10.100 Колесо натяжное
Каталог запасных частей к технике: ВЭКС ЭО-5225. ЭО-5126.00.10.100 Колесо натяжное
zoom-in
zoom-out
enlarge
shrink
circle-right
circle-left
file-text2
info
cart
Тип техники
Не выбрано
Легковые автомобили
Грузовые автомобили и прицепы
Автобусы
Сельхозтехника
Спецтехника
Двигатели
Мототехника
Марка
Не выбрано
Ammann
BOMAG
CARMIX
CASE IH
Changlin
ChengGong
Dimex
Doosan
DYNAPAC
Foton
HAMM
Hidromek
Hitachi
Hyundai
JCB
JLG
John Deere
Komatsu
LIEBHERR
LiuGong
Lonking (LongGong)
Luneng
MANITOU
Mitsuber
New Holland
PENGPU
RM-Terex
SANY
SDLG
SEM
Shantui
Shehwa HBXG
Soosan
TIGARBO
VOGELE
Volvo
WAY
WIRTGEN
XCMG
XGMA
Xiamen
YTO
Yuchai
Zoomlion
Автокран
АЗСМ
Алтайлесмаш
Амкодор
АОМЗ
Атек
АТЗ
Балканкар Рекорд
БелАЗ
Беловеж
Борекс
Брянский Арсенал
Булат
ВЭКС
ГАЗ
Геомаш
Гидромаш
Донекс
Дормаш
Дормашина
Дорэлектромаш
ДЭЗ
ЕлАЗ
ЗЗГТ
Ижнефтемаш
Канаш-электрокар
КЗКТ
ККЗ
Клевер
Клинцовский автокрановый завод
КМЗ
КМЗ 1 Мая
Ковровец
Коммаш
Кранэкс
КЭЗ
КЭМЗ
ЛЗА
МАЗ
МЗИК
МЗКМ
МЗКТ
Михневский РМЗ
МоАЗ
Мозырский МЗ
МТЗ
ОЗП
Онежец
ПАО "ТЗА"
ППС Детва
Промтрактор
ПТЗ
Раскат
СпецАгрегат
ТВЭКС
ТТМ
УВЗ
Угличмаш
УЗТМ
ХТЗ
ЧЗКМ
ЧСДМ
ЧТЗ
ЭКСКО
ЭКСМАШ
ЮрМаш
Модель
Не выбрано
ЭО-5122
ЭО-5124
ЭО-5221 (2009)
ЭО-5225 (2009)
ЭО-6123 (2000)
Схема
>
Не выбрано
ЭО-5225.00.00.000 Экскаватор одноковшовый ЭО-5225. Прямая лопата с ковшом вместимостью 2,0 м.куб.
ЭО-5225.00.00.000 Экскаватор одноковшовый ЭО-5225. Обратная лопата с ковшом вместимостью 1,8 м.куб.
ЭО-5221.00.01.000 Гидроцилиндр
ЭО-5126.00.10.100 Колесо натяжное
ЭО-5225.00.10.500-1 Механизм сдавания
ЭО-5221.00.10.600 Гидроцилиндр
ЭО-5225.01.00.000 Тележка гусеничная
ЭО-5225.01.01.000 Рама хода
ЭО-5154A.01.02.000 Привод хода
ЭО-5125.01.05.000 Гусеница
ЭО-5126.01.14.000-2 Каток поддерживающий
ЭО-5222.01.17.000 Редуктор
ЭО-5222.01.17.100 Водило
ЭО-5127.01.17.100 Водило
ЭО-5222.01.17.200 Водило
ЭО-5222.01.17.300 Водило
ЭО-5222.01.17.500 Тормоз
ЭО-5225.01.23.000-1 Каток опорный
ЭО-5124.01.40.000 Колесо натяжное с механизмом сдавания
ЭО-5124.01.46.000-1 Трубопроводы гусеничной тележки
ЭО-5225.02.00.000-1 Платформа
ЭО-5225.02.00.700-1 Установка ограждений
ЭО-5221.03.00.000-1 Привод поворота
ЭО-5222.03.01.000 Редуктор
ЭО-5222.03.01.200 Водило
ЭО-5222.03.02.000 Редуктор
ЭО-5225.04.00.000 Управление
ЭО-5225.04.02.000 Установка педалей
ЭО-5225.04.04.000 Кресло-пульт
ЭО-5225.04.07.000 Рычаг управления
ЭО-5225.04.13.000 Установка отопителя
ЭО-5122.04.16.000 Блок клапанов
ЭО-5225.04.17.000 Трубопроводы управления (лист 1)
ЭО-5225.04.17.000 Трубопроводы управления (лист 2)
ЭО-5225.04.17.400 Коллектор
ЭО-5221.04.17.200 Золотник сливной
ЭО-5225.04.18.000 Трубопроводы управления
ЭО-5122А.04.23.000-1 Блок золотников
ЭО-5122А.04.28.000-1 Блок золотников
43211.04.39.000 Установка рычага безопасности
ЭО-5225.05.01.000 Трубопроводы кресла-пульта
ЭО-5122.05.09.000-1 Клапан
ЭО-5225.05.23.000 Трубопроводы управления стрелой
ЭО-5225.05.24.000 Трубопроводы управления
ЭО-5225.05.25.000 Трубопроводы управления
ЭО-5122.06.09.000-5 Гидроаппарат гидроцилиндров
ЭО-5225.07.00.000-1 Установка блока баков
ЭО-5225.07.00.100 Фильтр приемный
ЭО-5225.07.00.300 Крышка
ЭО-5225.07.00.800 Установка датчика уровня
ЭО-5221.07.03.000 Фильтр встраиваемый
ЭО-5225.08.00.000-3 Установка кабины машиниста
ЭО-5124.09.06.000-1 Гидроаппарат регулирующий
ЭО-5122.09.11.000-7 Гидроаппарат гидромоторов
ЭО-5122.09.14.000-1 Клапан обратный
ЭО-5225.09.17.000 Трубопроводы на платформе
ЭО-5221.09.37.000 Установка гидроаппарата
ЭО-5225.09.41.000 Трубопроводы сливные
ЭО-5225.10.00.000 Установка капотов
ЭО-5225.11.01.000 Трубопроводы всасывающие
ЭО-5225.11.06.000-1 Управление дизелем
ЭО-5225.11.08.000 Редуктор раздаточный
ЭО-5225.11.08.200 Насос
ЭО-5225.11.08.500 Полумуфта
ЭО-5225.11.12.000-2 Установка привода останова двигателя
ЭО-5225.11.12.100-2 Привод останова двигателя
ЭО-5225.11.18.000-1 Установка подогревателя
ЭО-5225.11.20.000-1 Установка дизеля и насосов
ЭО-5225.11.21.000-1 Система топливная
ЭО-5225.11.22.000-1 Установка радиаторов
ЭО-5225.11.23.000-1 Установка глушителя
ЭО-5225.11.24.000-1 Система воздухоочистки двигателя
ЭО-5225.11.25.000 Установка маслоохладителя
ЭО-5225.11.28.000 Трубопроводы отопителя
ЭО-5122.12.01.000-1 Установка аккумуляторов
ЭО-5225.12.14.000 Электрооборудование кабины
ЭО-5225.12.20.000 Проводка
ЭО-5225.12.22.000 Щиток управления
ЭО-6123А-1.13.05.000 Гидроцилиндр
ЭО-5124А.15.04.000 Ковш 1,8 м.куб.
ЭО-5124А.28.00.000 Установка моноблочной стрелы
ЭО-5124А.28.01.000 Стрела моноблочная
ЭО-5124А.28.03.000 Трубопроводы смазки стрелы
ЭО-5124А.28.05.000 Трубопроводы моноблочной стрелы
ЭО-5124А.29.00.000 Установка рукояти обратная лопата
ЭО-5124А.29.06.000 Трубопроводы смазки
ЭО-5221.29.06.000 Гидроцилиндр
ЭО-5124А.29.07.000 Гидроцилиндр
ЭО-5221.29.08.000 Гидроцилиндр
ЭО-5124А.29.09.000 Трубопроводы рабочего оборудования
ЭО-5225.53.00.000-1 Установка рукояти прямая лопата
ЭО-5225.53.31.000 Рукоять
ЭО-5225.53.33.000 Трубопроводы смазки рукояти
ЭО-5225.53.35.000 Трубопроводы установки рукояти
ЭО-5225.53.47.000 Ковш
ЭО-5225.56.00.000-1 Установка стрелы
ЭО-5225.56.31.000 Стрела
ЭО-5225.56.33.000 Трубопроводы смазки стрелы
ЭО-5225.56.37.000 Трубопроводы
1
2
2
3
3
4
4
5
5
6
6
7
7
7
7
8
8
9
9
10
10
11
11
12
12
13
14
15
16
17
18
19
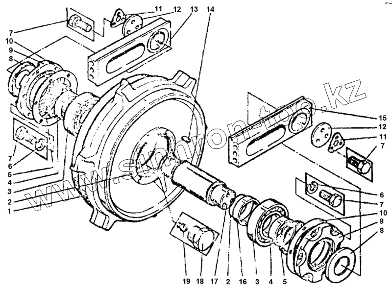
Позиция на иллюстрации
Заводской номер детали
Название детали
1
ЭО-5126.01.10.150-2
Колесо
2
9833.100.110.58
Кольцо
3
5721.3522
Подшипник
4
ЭО-5123.01.10.107-6
Втулка
5
8752.1.2.130.160
Манжета
6
6402.16
Шайба
7
7798.16.35
Болт
8
ЭО-5122.01.10.106-2
Крышка
9
ЭО-5122.01.10.113-1
Крышка
10
ЭО-5122.01.10.112
Прокладка (паронит)
11
ЭО-5122.01.02.015
Шайба
12
038.110.3
Шайба
13
ЭО-5122.01.10.109
Ползун
14
23360.16.10.45
Шпонка
15
ЭО-5122.01.10.114
Ползун
16
ЭО-5123.01.10.111-6
Втулка
17
ЭО-5123.01.10.102-6
Ось
18
041.30.1,5
Пробка
19
19853.1.3
Масленка
Содержащиеся в справочниках-каталогах запасные части и детали не предлагаются к продаже, а носят исключительно информационный характер
Дополнительная информация
×
Название:
Номер:
Примечание: