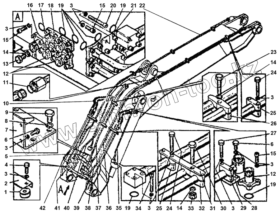
Каталог запасных частей к технике: ВЭКС ЭО-5225. ЭО-5124А.28.05.000 Трубопроводы моноблочной стрелы
1
2
3
3
3
3
3
3
3
3
4
5
6
6
7
8
9
10
11
12
12
13
14
14
14
15
15
15
16
17
18
19
19
19
19
20
21
22
23
24
24
25
25
26
27
28
29
30
31
32
33
34
35
36
37
38
39
40
41
42
| Позиция на иллюстрации | Заводской номер детали | Название детали | |
|---|---|---|---|
| 1 | ЭО-5122.06.07.018 | Втулка | |
| 2 | ЭО-5221.58.05.190-1 | Балка | |
| 3 | 6402.12 | Шайба | |
| 4 | 7798.12.40 | Болт | |
| 5 | ЭО-5124А.28.05.050 | Труба | |
| 6 | 7798.12.30 | Болт | |
| 7 | ЭО-5122.06.07.360-1 | Кронштейн | |
| 8 | 6402.20 | Шайба | |
| 9 | 7798.20.40 | Болт | |
| 10 | 25.1000 | РВД (Рукав (шланг) высокого давления) | |
| 11 | 9833.033.038.30 | Кольцо | |
| 12 | ЭО-5122.06.07.014-1 | Фланец | |
| 13 | 7798.16.30 | Болт | |
| 14 | 6402.16 | Шайба | |
| 15 | 11738.12.35 | Винт | |
| 16 | ЭО-5122.09.14.004 | Фланец | |
| 17 | 9833.038.044.36 | Кольцо | |
| 18 | ЭО-5122.06.07.015-1 | Фланец | |
| 19 | 9833.032.040.46 | Кольцо | |
| 20 | 11738.12.100 | Винт | |
| 21 | ЭО-5122.06.07.016 | Заглушка | |
| 22 | ЭО-5124А.28.05.090 | Труба | |
| 23 | 7798.16.90 | Болт | |
| 24 | 7798.12.90 | Болт | |
| 25 | ЭО-5126.28.05.003 | Колодка | |
| 26 | ЭО-5126.28.05.002 | Колодка | |
| 27 | 7798.12.80 | Болт | |
| 28 | ЭО-5122.13.15.006 | Планка | |
| 29 | ЭО-5124А.58.05.007 | Колодка | |
| 30 | 7798.16.100 | Болт | |
| 31 | ЭО-5124А.28.05.001 | Планка | |
| 32 | ЭО-5124А.58.05.005 | Колодка | |
| 33 | 5915.16 | Гайка | |
| 34 | 11738.12.6… | Винт | |
| 35 | ЭО-5221.58.05.170 | Труба | |
| 36 | ЭО-5124А.28.05.060 | Труба | |
| 37 | ЭО-5124А.28.05.070 | Труба | |
| 38 | ЭО-5124А.28.05.020 | Труба | |
| 39 | ЭО-5124А.28.05.030 | Труба | |
| 40 | ЭО-5124А.28.05.080 | Труба | |
| 41 | ЭО-5124А.28.05.010 | Труба | |
| 42 | ЭО-5124А.28.05.020 | Труба |
Содержащиеся в справочниках-каталогах запасные части и детали не предлагаются к продаже, а носят исключительно информационный характер