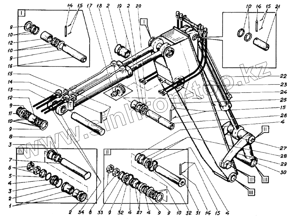
Каталог запасных частей к технике: ВЭКС ЭО-5221. Установка рукояти обратной лопаты
1
2
2
2
2
3
3
4
4
4
4
4
5
6
6
7
8
9
9
9
9
9
9
9
10
10
10
10
10
11
12
12
12
12
12
13
13
13
13
14
15
15
16
17
18
19
20
21
22
23
24
25
26
27
27
28
29
30
31
32
32
33
34
| Позиция на иллюстрации | Заводской номер детали | Название детали | |
|---|---|---|---|
| 1 | ЭО-5221.29.00.002 | Втулка | |
| 2 | 9833.130.140.58 | Кольцо | |
| 3 | ЭО-5221.29.00.001 | Втулка | |
| 4 | 9833.110.120.58 | Кольцо | |
| 5 | ЭО-5221.29.00.005 | Втулка | |
| 6 | 11871.100 | Гайка | |
| 7 | ЭО-5221.29.05.000 | Ось | |
| 8 | ЭО-5221.29.00.003 | Кольцо | |
| 9 | ЭО-5122.13.00.017 | Шайба | |
| 10 | ЭО-5122.02.00.009 | Втулка | |
| 11 | ЭО-5122.13.00.021 | Палец | |
| 12 | ЭО-5124.59.00.013 | Втулка | |
| 13 | ЭО-5124.59.00.001 | Ось | |
| 14 | ЭО-5122А.02.00.008-2 | Палец | |
| 15 | 397.8.50 | Шплинт | |
| 16 | ЭО-5124.59.00.002 | Ось | |
| 17 | 19853.1.3 | Масленка | |
| 18 | "040.20.1/8""" | Переходник | |
| 19 | ЭО-5124.59.01.001 | Втулка | |
| 20 | ЭО-6121.13.00.021 | Шайба | |
| 21 | ЭО-5221.29.00.008 | Ось | |
| 22 | ЭО-5221.29.09.000 | Трубопроводы рабочего оборудования | |
| 23 | ЭО-5221.29.01.000 | Рукоять обратной лопаты | |
| 24 | ЭО-5221.29.08.000 | Гидроцилиндр | |
| 25 | ЭО-6121.13.00.015 | Палец | |
| 26 | ЭО-5124.59.00.004 | Ось | |
| 27 | ЭО-5221.29.03.000 | Тяга левая | |
| 28 | ЭО-5124.59.10.001 | Втулка | |
| 29 | ЭО-5221.29.04.000 | Тяга правая | |
| 30 | ЭО-5221.29.02.000 | Рычаг | |
| 31 | ЭО-5221.29.11.000 | Ось | |
| 32 | ЭО-5221.29.00.004 | Кольцо | |
| 33 | ЭО-5221.29.00.006 | Втулка | |
| 34 | ЭО-5221.29.06.000 | Гидроцилиндр |
Содержащиеся в справочниках-каталогах запасные части и детали не предлагаются к продаже, а носят исключительно информационный характер