Каталог запасных частей к технике: ВЭКС ЭО-5221. Установка радиаторов
1
2
3
4
5
6
6
6
6
6
7
7
7
7
7
7
8
8
8
8
9
10
11
11
11
12
12
12
12
13
14
15
15
16
17
18
19
20
21
22
23
24
25
26
27
28
29
30
31
32
33
34
35
36
37
38
39
40
41
42
43
44
45
46
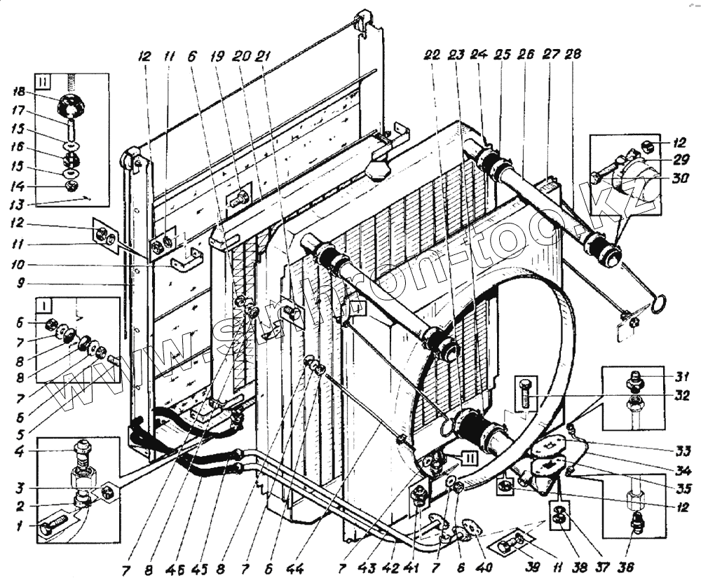
| Позиция на иллюстрации | Заводской номер детали | Название детали | |
|---|---|---|---|
| 1 | 7798.6.40 | Болт | |
| 2 | 102.25 | Хомут | |
| 3 | 5915.6 | Гайка | |
| 4 | ЭО-5122.11.22.009 | Ниппель | |
| 5 | 111Г-5-15 | Растяжка правая | |
| 6 | 5915.10 | Гайка | |
| 7 | 11371.10 | Шайба | |
| 8 | 111Г-5-25 | Прокладка | |
| 9 | ЭО-5122.11.22.100-3 | Шторка радиатора | |
| 10 | 111Г-5-17 | Кронштейн | |
| 11 | 6402.8 | Шайба | |
| 12 | 5915.8 | Гайка | |
| 13 | 397.3,2.25 | Шплинт | |
| 14 | 111Г-5-24 | Гайка | |
| 15 | 111Г-5-22 | Шайба | |
| 16 | ЭО-5122.11.22.008 | Подушка подвески радиатора нижняя | |
| 17 | 111Г-5-20 | Втулка распорная | |
| 18 | ЭО-5122.11.22.007 | Подушка подвески радиатора верхняя | |
| 19 | 7798.8.20 | Болт | |
| 20 | СМД15К11С2 | Радиатор масляный | |
| 21 | 7798.8.16 | Болт | |
| 22 | 102.70 | Хомут | |
| 23 | ЭО-5122.11.22.004 | Муфта | |
| 24 | 258.130.1010 | Радиатор водяной | |
| 25 | ЭО-5122.11.22.003 | Муфта | |
| 26 | 111Г-5-8 | Труба | |
| 27 | 111Г-5-6 | Кожух вентилятора | |
| 28 | 111Г-5-16 | Растяжка левая | |
| 29 | 102.53 | Хомут | |
| 30 | 7798.8.50 | Болт | |
| 31 | ЭО-5122.11.22.005 | Штуцер | |
| 32 | 7798.8.60 | Болт | |
| 33 | 111Г-5-18 | Прокладка | |
| 34 | ЭО-5122.11.22.500 | Трубка | |
| 35 | ЭО-5122.11.22.200-3 | Патрубок | |
| 36 | 19853.1.3 | Масленка | |
| 37 | 6402.10 | Шайба | |
| 38 | 111Г-5-23 | Гайка | |
| 39 | 7798.8.25 | Болт | |
| 40 | 111Г-5-19 | Прокладка | |
| 41 | ТМ100.380.800Г | Датчик указателя температуры масла | |
| 42 | ЭО-5122.11.22.300-2 | Труба | |
| 43 | ЭО-5122.11.22.400-2 | Труба | |
| 44 | ЭО-5122.11.22.700 | Тяга | |
| 45 | ЭО-5122.11.22.002 | Рукав 40У16-7 L=600 | |
| 46 | ЭО-5122.11.22.001 | Рукав 40У16-7 L=400 |
Содержащиеся в справочниках-каталогах запасные части и детали не предлагаются к продаже, а носят исключительно информационный характер