Каталог запасных частей к технике: ВЭКС ЭО-5221. Установка подогревателя
1
2
2
3
4
5
5
6
7
8
8
8
9
9
10
11
12
12
13
14
14
14
15
16
17
18
18
19
20
21
22
23
23
23
24
25
26
27
28
29
30
31
32
32
32
33
33
33
34
35
36
37
38
39
39
40
41
42
43
44
45
46
47
48
49
50
51
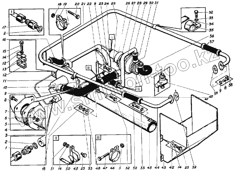
| Позиция на иллюстрации | Заводской номер детали | Название детали | |
|---|---|---|---|
| 1 | 303-1-35Б | Штуцер | |
| 2 | 088.12 | Прокладка | |
| 3 | ЭО-5221.11.18.008 | Рукав | |
| 4 | ЭО-5221.11.18.120 | Труба | |
| 5 | 5915.8 | Гайка | |
| 6 | 6402.8 | Шайба | |
| 7 | ЭО-5122.11.18.014 | Прокладка | |
| 8 | 7798.8.16 | Болт | |
| 9 | 102.60 | Хомут | |
| 10 | 102.210 | Хомут | |
| 11 | ПЖД-44ЛТУ | Подогреватель жидкостный дизельный | |
| 12 | 017.11.50 | Накладка | |
| 13 | 007.1.10 | Колодка | |
| 14 | 6402.10 | Шайба | |
| 15 | 7798.10.45 | Болт | |
| 16 | ЭО-5221.11.18.004 | Рукав | |
| 17 | ЭО-5122.11.21.003-1 | Штуцер | |
| 18 | 5915.6 | Гайка | |
| 19 | 102.32 | Хомут | |
| 20 | 7798.6.40 | Болт | |
| 21 | ЭО-5221.11.18.160 | Труба | |
| 22 | ЭО-5221.11.18.001 | Планка | |
| 23 | 7798.10.25 | Болт | |
| 24 | ЭО-5221.11.18.150 | Труба | |
| 25 | ЭО-5221.11.18.002 | Труба | |
| 26 | ПЖД400-1015200А | Насосный агрегат в сборе | |
| 27 | 102.105 | Хомут | |
| 28 | 102.185 | Хомут | |
| 29 | ЭО-5221.11.18.110 | Труба | |
| 30 | ЭО-5221.11.18.005 | Рукав | |
| 31 | 102.40 | Хомут | |
| 32 | 7798.6.20 | Болт | |
| 33 | 6402.6 | Шайба | |
| 34 | ЭО-5122.11.18.015 | Прокладка | |
| 35 | 17679.28 | Хомут | |
| 36 | ЭО-5221.11.18.006 | Рукав | |
| 37 | ЭО-5221.11.18.003 | Рукав | |
| 38 | ЭО-5122.11.18.130 | Патрубок | |
| 39 | ЭО-5122.11.18.013 | Прокладка | |
| 40 | ПС7 | Кран пробковый | |
| 41 | ЭО-5221.11.18-007 | Рукав | |
| 42 | 11371.10 | Шайба | |
| 43 | ЭО-5221.11.18.180 | Фалыц поддон | |
| 44 | ЭО-5122.11.18.140 | Патрубок | |
| 45 | ЭО-5221.11.18.170 | Труба | |
| 46 | 102.53 | Хомут | |
| 47 | 7798.8.60 | Болт | |
| 48 | 11371.6 | Шайба | |
| 49 | 17679.60 | Хомут | |
| 50 | ЭО-5221.11.18.009 | Прокладка | |
| 51 | 5915.10 | Гайка |
Содержащиеся в справочниках-каталогах запасные части и детали не предлагаются к продаже, а носят исключительно информационный характер