Каталог запасных частей к технике: ВЭКС ЭО-5221. Установка насосов (Лист 1)
1
1
1
2
3
4
5
5
6
6
7
7
8
8
8
8
9
9
9
9
10
11
12
12
13
14
15
16
17
18
19
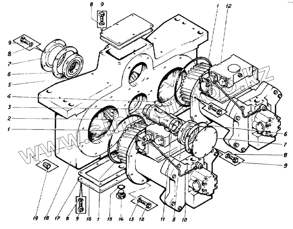
| Позиция на иллюстрации | Заводской номер детали | Название детали | |
|---|---|---|---|
| 1 | 9833.285.295.58 | Кольцо | |
| 2 | ЭО-5122.11.08.004-2 | Колесо | |
| 3 | ЭО-5221.11.09.001-7 | Вал | |
| 4 | 23360.20.12.56 | Шпонка | |
| 5 | 8338.314 | Подшипник | |
| 6 | 071.1.150.1 | Прокладка | |
| 7 | 063.150 | Крышка | |
| 8 | 6402.10 | Шайба | |
| 9 | 7798.10.25 | Болт | |
| 10 | ЭО-5221.11.09.200-7 | Насос | |
| 11 | ЭО-5122.11.08.006 | Кольцо распорное | |
| 12 | 7798.12.40 | Болт | |
| 13 | 6402.12 | Шайба | |
| 14 | 041.30.1,5 | Пробка | |
| 15 | 9833.024.030.36 | Кольцо | |
| 16 | ЭО-5122.11.08.008-1 | Прокладка | |
| 17 | ЭО-6124.11.08.500 | Крышка нижняя | |
| 18 | ЭО-5122.11.08.001-3 | Корпус редуктора | |
| 19 | "042.К1/4""" | Пробка |
Содержащиеся в справочниках-каталогах запасные части и детали не предлагаются к продаже, а носят исключительно информационный характер