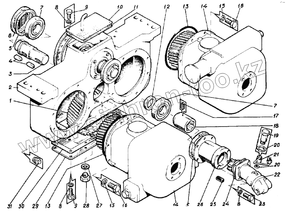
Каталог запасных частей к технике: ВЭКС ЭО-5221. Установка насосов (Лист 1)
1
2
3
4
5
5
6
7
7
8
8
8
9
9
10
11
12
13
13
14
14
15
15
16
16
17
18
19
20
20
21
22
23
24
25
26
27
28
29
30
31
| Позиция на иллюстрации | Заводской номер детали | Название детали | |
|---|---|---|---|
| 1 | ЭО-5122.11.08.004-2 | Колесо | |
| 2 | ЭО-5221.11.08.001 | Корпус редуктора | |
| 3 | ЭО-5124.11.09.001 | Вал | |
| 4 | 23360.20.12.56 | Шпонка | |
| 5 | 071.1.150.1 | Прокладка | |
| 6 | 063.150 | Крышка | |
| 7 | 8338.314 | Подшипник | |
| 8 | 6402.10 | Шайба | |
| 9 | 7798.10.25 | Болт | |
| 10 | ЭО-5122.11.08.800 | Крышка верхняя | |
| 11 | ЭО-5122.11.08.007-1 | Прокладка | |
| 12 | ЭО-5122.11.08.006 | Кольцо распорное | |
| 13 | 9833.310.320.58 | Кольцо | |
| 14 | ЭО-5221.11.08.200 | Насос | |
| 15 | 6402.12 | Шайба | |
| 16 | 7798.12.40 | Болт | |
| 17 | 1476.10.20 | Винт | |
| 18 | ЭО-5124.11.09.002 | Полумуфта | |
| 19 | 090.16 | Штуцер | |
| 20 | 088.18 | Прокладка | |
| 21 | ЭО-5124.11.09.500 | поворотное | |
| 22 | ЭО-5124.11.09.300 | Насос | |
| 23 | 7798.10.30 | Болт | |
| 24 | ЭО-5124.11.09.003 | Прокладка | |
| 25 | ЭО-5124.11.09.004 | Палец | |
| 26 | ЭО-5124.11.09.400 | Стакан | |
| 27 | 088.30 | Прокладка | |
| 28 | 041.30.1,5 | Пробка | |
| 29 | ЭО-5122.11.08.700-1 | Крышка нижняя | |
| 30 | ЭО-5122.11.08.008-1 | Прокладка | |
| 31 | ЭО-5221.11.08.002 | Пробка |
Содержащиеся в справочниках-каталогах запасные части и детали не предлагаются к продаже, а носят исключительно информационный характер