Каталог запасных частей к технике: ВЭКС ЭО-5221. Установка маслоохлаждения
1
1
2
2
3
3
4
4
5
6
7
7
8
8
8
9
9
10
11
12
13
14
15
16
17
18
19
20
21
21
22
23
23
23
23
24
24
25
26
27
27
28
28
29
30
31
32
33
34
35
36
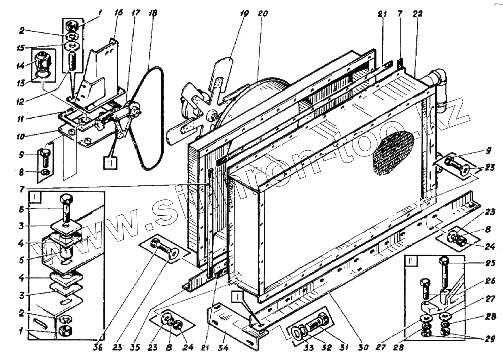
| Позиция на иллюстрации | Заводской номер детали | Название детали | |
|---|---|---|---|
| 1 | 5915.12 | Гайка | |
| 2 | 6402.12 | Шайба | |
| 3 | ЭО-6122А.31.02.003 | Прокладка | |
| 4 | ЭО-6122А.31.02.002 | Прокладка | |
| 5 | ЭО-6122А.31.02.004 | Трубка | |
| 6 | 7798.12.55 | Болт | |
| 7 | ЭО-5122.11.25.007 | Прокладка | |
| 8 | 6402.10 | Шайба | |
| 9 | 7798.10.30 | Болт | |
| 10 | ЭО-5221.11.25.600-1 | Крышка верхняя | |
| 11 | ЭО-5122.11.08.007-1 | Прокладка | |
| 12 | 22034.12.35 | Шпилька | |
| 13 | 9833.024.030.36 | Кольцо | |
| 14 | ЭО-6124.11.08.700 | Сапун | |
| 15 | 11371.12 | Шайба | |
| 16 | ЭО-5221.11.25.300-1 | Кронштейн | |
| 17 | 236.3509300.А3 | Устройство натяжное | |
| 18 | 1284.В-1400Ш | Ремень | |
| 19 | ЭО-5221.11.25.400-1 | Вентилятор | |
| 20 | ЭО-5221.11.25.200-1 | Диффузор | |
| 21 | ЭО-5122.11.25.009 | Прокладка | |
| 22 | ЭО-5221.11.25.100 | Маслоохладитель | |
| 23 | 11371.10 | Шайба | |
| 24 | 5915.10 | Гайка | |
| 25 | 7798.8.60 | Болт | |
| 26 | 7798.8.35 | Болт | |
| 27 | 11371.8 | Шайба | |
| 28 | 6402.8 | Шайба | |
| 29 | 5915.8 | Гайка | |
| 30 | ЭО-5221.11.25.001 | Уголок | |
| 31 | 7798.16.40 | Болт | |
| 32 | 6402.16 | Шайба | |
| 33 | 11371.16 | Шайба | |
| 34 | ЭО-5221.11.25.003 | Уголок | |
| 35 | ЭО-5221.11.25.002-1 | Уголок | |
| 36 | 7798.10.35 | Болт |
Содержащиеся в справочниках-каталогах запасные части и детали не предлагаются к продаже, а носят исключительно информационный характер