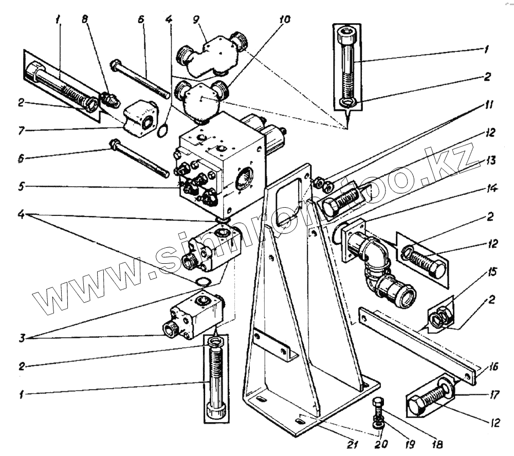
Каталог запасных частей к технике: ВЭКС ЭО-5221. Установка гидроаппарата
1
1
1
2
2
2
2
2
3
4
4
5
6
6
7
8
9
10
11
12
12
12
13
14
15
16
17
18
19
20
21
| Позиция на иллюстрации | Заводской номер детали | Название детали | |
|---|---|---|---|
| 1 | 11738.12.80 | Винт | |
| 2 | 6402.12 | Шайба | |
| 3 | ЭО-5122.09.14.000-1 | Клапан обратный | |
| 4 | 9833.032.040.46 | Кольцо | |
| 5 | ЭО-5124.09.06.000 | Гидроаппарат регулирующий | |
| 6 | ЭО-5122.09.37.500 | Шпилька | |
| 7 | ЭО-5122.09.17.007-1 | Фланец | |
| 8 | ЭО-5122.05.25.014 | Штуцер | |
| 9 | ЭО-5122.09.17.210 | Тройник | |
| 10 | ЭО-5122.09.17.025 | Фланец | |
| 11 | 5915.16 | Гайка | |
| 12 | 7798.12.35 | Болт | |
| 13 | 9833.065.070.30 | Кольцо | |
| 14 | ЭО-5221.09.37.020 | Патрубок | |
| 15 | 5915.12 | Гайка | |
| 16 | ЭО-5221.09.37.001 | Планка | |
| 17 | 11371.12 | Шайба | |
| 18 | 7798.16.40 | Болт | |
| 19 | 6402.16 | Шайба | |
| 20 | 11371.16 | Шайба | |
| 21 | ЭО-5221.09.37.010 | Кронштейн |
Содержащиеся в справочниках-каталогах запасные части и детали не предлагаются к продаже, а носят исключительно информационный характер