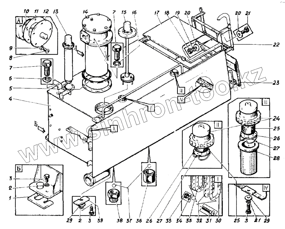
Каталог запасных частей к технике: ВЭКС ЭО-5221. Установка блока баков
1
2
2
3
3
3
4
5
6
7
7
8
9
10
11
12
13
14
15
16
17
18
19
20
20
21
21
22
23
24
25
25
26
26
27
27
28
29
29
30
31
32
33
34
35
36
37
38
39
| Позиция на иллюстрации | Заводской номер детали | Название детали | |
|---|---|---|---|
| 1 | ЭО-5221.07.00.012 | Прокладка | |
| 2 | 6402.16 | Шайба | |
| 3 | 7798.16.40 | Болт | |
| 4 | ЭО-5221.07.01.000-7 | Блок баков | |
| 5 | 9833.320.330.58 | Кольцо | |
| 6 | 11371.12 | Шайба | |
| 7 | 7798.12.30 | Болт | |
| 8 | 17473.5.8 | Винт | |
| 9 | 6402.5 | Шайба | |
| 10 | ЭО-5122.07.00.024 | Вставка | |
| 11 | ЭО-5122.07.00.018 | Прокладка | |
| 12 | БМ158-Б | Датчик указателя уровня масла | |
| 13 | ЭО-5122.07.02.000 | Установка датчика уровня масла | |
| 14 | ЭО-5221.07.03.000 | Фильтр встраиваемый | |
| 15 | ЭО-5221.07.00.300 | Гидрозатвор | |
| 16 | 6402.12 | Шайба | |
| 17 | ЭО-5221.07.00.200 | Дверца верхняя | |
| 18 | 5915.10 | Гайка | |
| 19 | 6402.10 | Шайба | |
| 20 | 11371.10 | Шайба | |
| 21 | 20.10.7798 | Болт | |
| 22 | ЭО-5221.07.00.600 | Поручень | |
| 23 | ЭО-5221.07.00.400 | Дверца нижняя | |
| 24 | ЭО-5122.07.00.500 | Крышка | |
| 25 | 111В-4В-14 | Канитель | |
| 26 | 111В-4Б-13 | Диск | |
| 27 | 111В-4Б-15 | Кольцо пружинное | |
| 28 | 211-38-7СП | Фильтр заливной | |
| 29 | 11371.16 | Шайба | |
| 30 | ЭО-5122.07.00.009 | Накладка | |
| 31 | 17473.6.35 | Винт | |
| 32 | ЭО-5122.07.00.002-1 | Стекло смотровое | |
| 33 | ЭО-5122.07.00.013 | Прокладка | |
| 34 | 6402.6 | Шайба | |
| 35 | 5915.6 | Гайка | |
| 36 | 109.6.31 | Гайка специальная | |
| 37 | 3722.Б23 | Шарик | |
| 38 | ЭО-5122.07.00.023 | Гайка | |
| 39 | ЭО-5122.07.00.017 | Прокладка |
Содержащиеся в справочниках-каталогах запасные части и детали не предлагаются к продаже, а носят исключительно информационный характер