Каталог запасных частей к технике: ВЭКС ЭО-5221. Управление дизелем
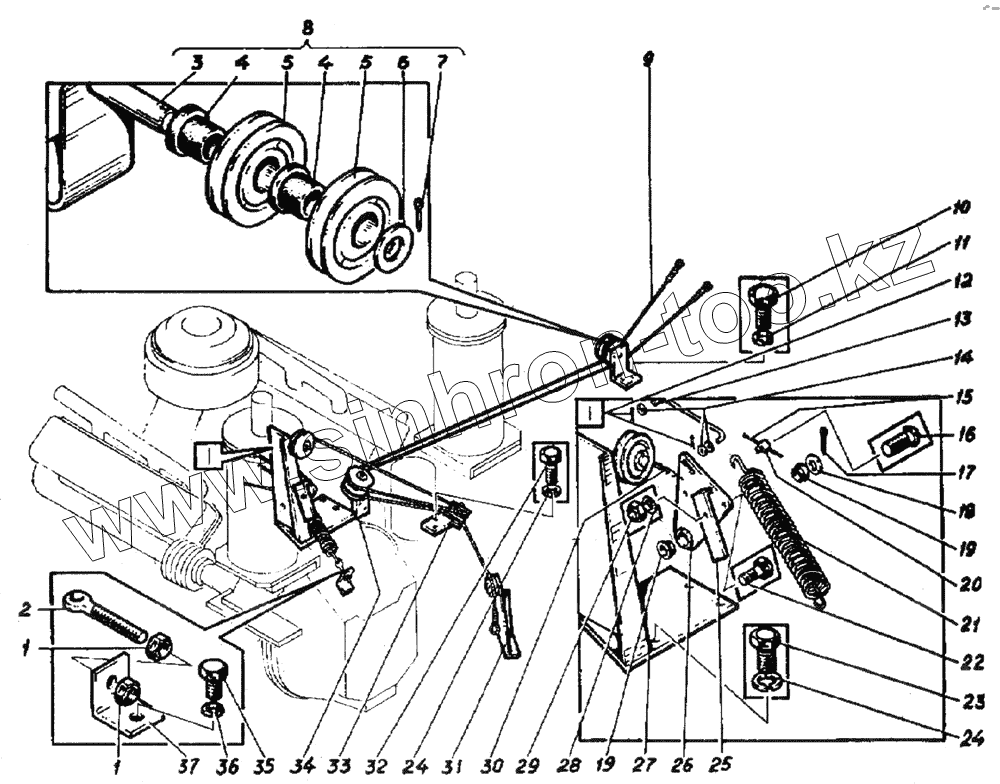
1
1
2
3
4
4
5
5
6
7
8
9
10
11
12
13
14
15
16
17
18
19
19
20
21
22
23
24
24
25
26
27
28
29
30
31
32
33
34
35
36
37
| Позиция на иллюстрации | Заводской номер детали | Название детали | |
|---|---|---|---|
| 1 | 5915.8 | Гайка | |
| 2 | 025.8.70 | Болт | |
| 3 | ЭО-5221.11.06.310-1 | Кронштейн | |
| 4 | ЭО-5124.04.07.013 | Втулка | |
| 5 | ЭО-5122.11.06.103-1 | Ролик | |
| 6 | 11371.16 | Шайба | |
| 7 | 397.4.25 | Шплинт | |
| 8 | ЭО-5221.11.06.300-1 | Ролик | |
| 9 | 3070.3.3 | Канат | |
| 10 | 7798.12.30 | Болт | |
| 11 | 6402.12 | Шайба | |
| 12 | 397.2.16 | Шплинт | |
| 13 | 111Г-6В-14/1 | Тяга | |
| 14 | 11371.8 | Шайба | |
| 15 | ЭО-5122.11.06.011 | Канат | |
| 16 | 17473.4Л0 | Винт | |
| 17 | 397.4.36 | Шплинт | |
| 18 | 11371.20 | Шайба | |
| 19 | 111Г-6А-23 | Втулка | |
| 20 | 111Г-6Б-22 | Колонка | |
| 21 | 111Г-6А-20 | Пружина | |
| 22 | 7798.6.16 | Болт | |
| 23 | 7798.10.20 | Болт | |
| 24 | 6402.10 | Шайба | |
| 25 | ЭО-5122.11.06.013 | Кронштейн | |
| 26 | 111Г-6В-8 | Рычаг | |
| 27 | ЭО-5122.11.06.700-1 | Ролик | |
| 28 | 6402.6 | Шайба | |
| 29 | 5915.6 | Гайка | |
| 30 | 111Г-6Б-27 | Пружина | |
| 31 | ЭО-5122.11.06.400-1 | Ролик | |
| 32 | 7798.10.25 | Болт | |
| 33 | ЭО-5221.11.06.200-1 | Ролях | |
| 34 | ЭО-5221.11.06.100-1 | Ролик | |
| 35 | 7798.8.16 | Болт | |
| 36 | 6402.8 | Шайба | |
| 37 | 111Г-6Б-24А | Кронштейн |
Содержащиеся в справочниках-каталогах запасные части и детали не предлагаются к продаже, а носят исключительно информационный характер