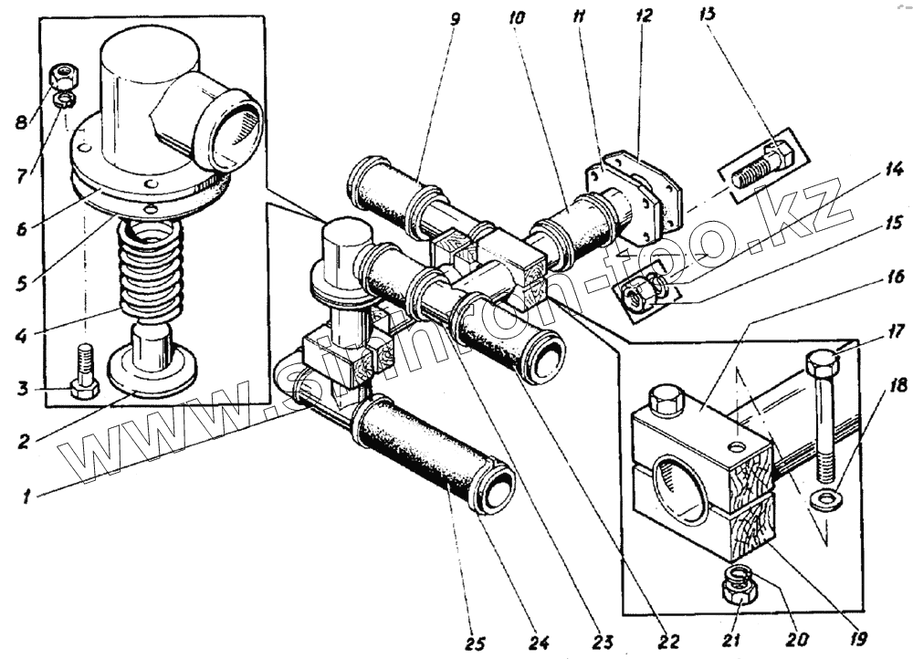
Каталог запасных частей к технике: ВЭКС ЭО-5221. Трубопроводы сливные
1
2
3
4
5
6
7
8
9
10
11
12
13
14
15
16
17
18
19
20
21
22
23
24
25
| Позиция на иллюстрации | Заводской номер детали | Название детали | |
|---|---|---|---|
| 1 | ЭО-5221.09.41.100 | Труба | |
| 2 | ЭО-5122.09.41.014 | Клапан | |
| 3 | 7798.10.35 | Болт | |
| 4 | ЭО-5122АХЛ.80.05.002 | Пружина | |
| 5 | ЭО-5122.09.41.004 | Прокладка | |
| 6 | ЭО-5122.09.41.300 | Корпус | |
| 7 | 6402.10 | Шайба | |
| 8 | 5915.10 | Гайка | |
| 9 | ЭО-5122.09.41.005 | Рукав L=160 мм | |
| 10 | ЭО-5221.09.41.002 | Рукав | |
| 11 | ЭО-5221.09.41.200-1 | Труба | |
| 12 | ЭО-5221.09.41.001 | Прокладка | |
| 13 | 7798.16.50 | Болт | |
| 14 | 6402.16 | Шайба | |
| 15 | 5915.16 | Гайка | |
| 16 | ЭО-5122.09.41.007 | Накладка | |
| 17 | 7798.12.110 | Болт | |
| 18 | 11371.12 | Шайба | |
| 19 | ЭО-5122.09.41.006 | Колодка | |
| 20 | 6402.12 | Шайба | |
| 21 | 5915.12 | Гайка | |
| 22 | ЭО-5221.09.41.003 | Рукав | |
| 23 | ЭО-5221.09.41.400 | Труба | |
| 24 | 102.90 | Хомут | |
| 25 | ЭО-5122.09.41.013 | Рукав 6(I) 16-65-86-У L=300 |
Содержащиеся в справочниках-каталогах запасные части и детали не предлагаются к продаже, а носят исключительно информационный характер