Каталог запасных частей к технике: ВЭКС ЭО-5221. Трубопроводы рабочего оборудования
1
2
3
3
3
3
3
3
3
3
4
4
5
5
6
6
6
7
7
8
8
9
9
9
10
11
12
13
14
15
16
17
17
18
19
20
21
22
23
24
25
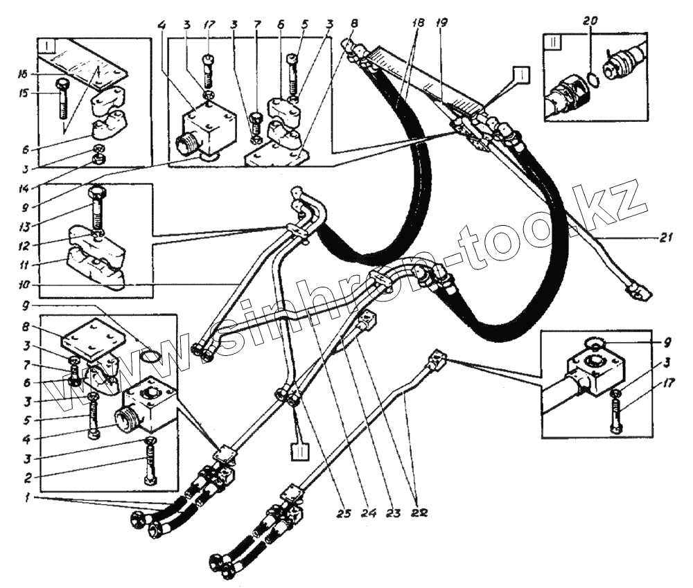
| Позиция на иллюстрации | Заводской номер детали | Название детали | |
|---|---|---|---|
| 1 | 5923.630 | Рукав высокого давления | |
| 2 | 11738.12.80 | Винт | |
| 3 | 6402.12 | Шайба | |
| 4 | ЭО-5122.13.15.005-1 | Фланец | |
| 5 | 7798.12.80 | Болт | |
| 6 | ЭО-5124А.58.05.007 | Колодка | |
| 7 | 7798.12.30 | Болт | |
| 8 | ЭО-5122.13.15.006 | Планка | |
| 9 | 9833.032.040.46 | Кольцо | |
| 10 | ЭО-5221.53.15.010 | Труба | |
| 11 | ЭО-5124А.58.05.005 | Колодка | |
| 12 | 6402.16 | Шайба | |
| 13 | 7798.16.80 | Болт | |
| 14 | 5915.12 | Гайка | |
| 15 | 7798.12.90 | Болт | |
| 16 | ЭО-5122.13.15.022-2 | Планка | |
| 17 | 11738.12.65 | Винт | |
| 18 | 5923.1580 | Рукав высокого давления | |
| 19 | ЭО-5221.53.15.050 | Труба | |
| 20 | 9833.024.030.36 | Кольцо | |
| 21 | ЭО-5221.53.15.060 | Труба | |
| 22 | ЭО-5221.53.15.070 | Труба | |
| 23 | ЭО-5221.53.15.020 | Труба | |
| 24 | ЭО-5221.53.15.040 | Труба | |
| 25 | ЭО-5221.53.15.030 | Труба |
Содержащиеся в справочниках-каталогах запасные части и детали не предлагаются к продаже, а носят исключительно информационный характер