Каталог запасных частей к технике: ВЭКС ЭО-5221. Тележка гусеничная
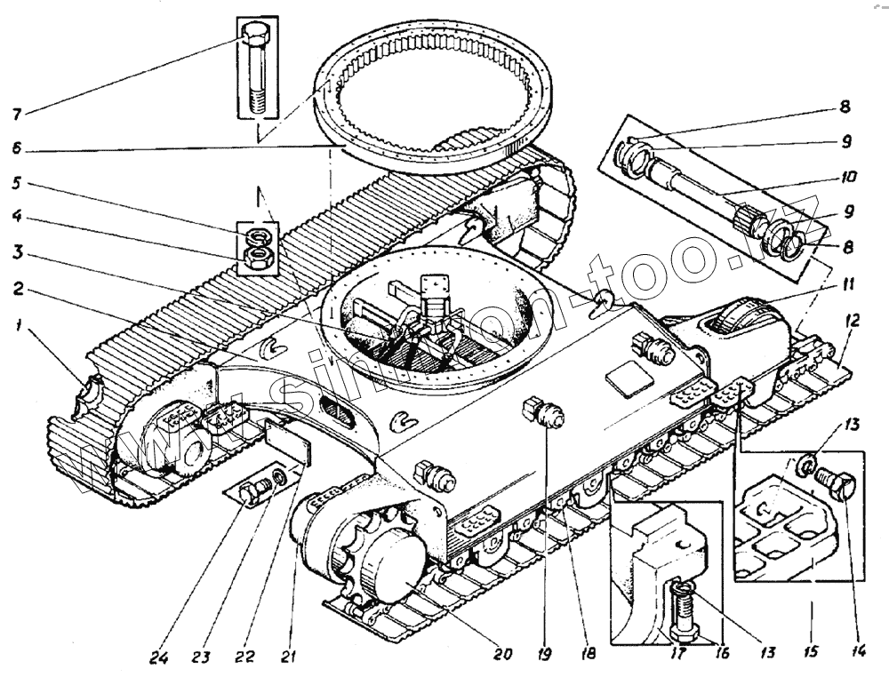
1
2
3
4
5
6
7
8
8
9
9
10
11
12
13
13
14
15
16
17
18
19
20
21
22
23
24
| Позиция на иллюстрации | Заводской номер детали | Название детали | |
|---|---|---|---|
| 1 | ЭО-5221.01.02.000 | Привод гусеницы левый | |
| 2 | ЭО-5221.01.01.000-4 | Рама хода | |
| 3 | ЭО-5221.01.16.000 | Трубопроводы гусеничной тележки | |
| 4 | ЭО-5221.01.00.016 | Гайка | |
| 5 | 6402.27 | Шайба | |
| 6 | 1900-3.18 | Опора | |
| 7 | ЭО-5221.01.00.011 | Болт | |
| 8 | У2110.02.00.006 | Кольцо | |
| 9 | У2110.01.02.003 | Шайба замыкающая | |
| 10 | У2110.02.00.004 | Палец замыкающий | |
| 11 | ЭО-5221.01.10.000 | Колесо натяжное с механизмом сдавания | |
| 12 | ЭО-5125.01.05.000 | Гусеница | |
| 13 | 6402.20 | Шайба | |
| 14 | 7798.20.40 | Болт | |
| 15 | ЭО-5221.01.00.008 | Ступенька | |
| 16 | 7798.20.60 | Болт | |
| 17 | ЭО-5221.01.06.001 | Ограждение | |
| 18 | ЭО-5221.01.23.000 | Каток опорный | |
| 19 | ЭО-5221.01.14.000 | Каток поддерживающий | |
| 20 | ЭО-5221.01.03.000 | Привод гусеницы правый | |
| 21 | ЭО-5221.01.07.000-3 | Ограждение привода гусеницы | |
| 22 | ЭО-5221.01.00.017-1 | Крышка | |
| 23 | 6402.10 | Шайба | |
| 24 | 7798.10.20 | Болт |
Содержащиеся в справочниках-каталогах запасные части и детали не предлагаются к продаже, а носят исключительно информационный характер