Каталог запасных частей к технике: ВЭКС ЭО-5221. Система выхлопа
1
2
2
3
3
4
4
4
5
5
5
6
6
7
7
8
9
9
9
10
10
11
11
12
13
13
14
15
16
17
18
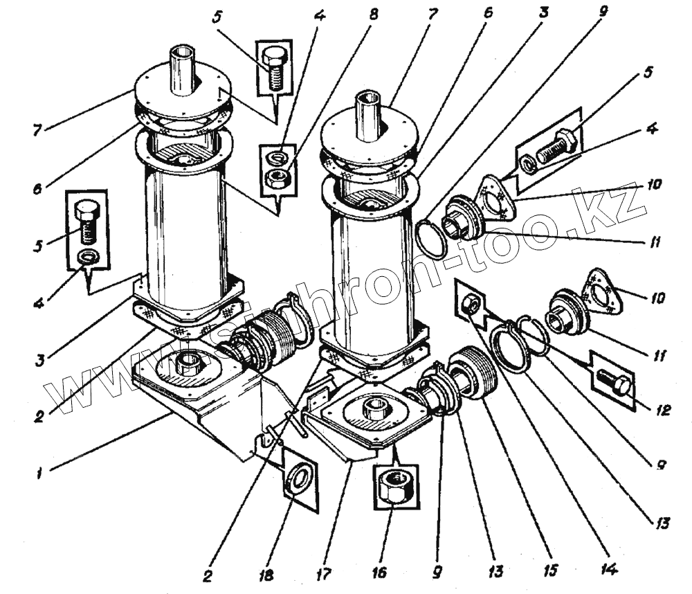
| Позиция на иллюстрации | Заводской номер детали | Название детали | |
|---|---|---|---|
| 1 | ЭО-5122.11.23.600-1 | Кронштейн левый | |
| 2 | ЭО-5122.11.23.005-1 | Прокладка | |
| 3 | ЭО-5122.11.23.100-1 | Глушитель | |
| 4 | 6402.10 | Шайба | |
| 5 | 7798.10.25 | Болт | |
| 6 | ЭО-5122.11.23.006-1 | Прокладка | |
| 7 | ЭО-5122.11.23.200-1 | Крышка | |
| 8 | 5915.10 | Гайка | |
| 9 | ЭО-5122.11.23.007 | Кольцо | |
| 10 | ЭО-5122.11.23.008 | Прокладка | |
| 11 | ЭО-5122.11.23.300 | Фланец | |
| 12 | 7798.8.25 | Болт | |
| 13 | ЭО-5122.11.23.011 | Хомут | |
| 14 | 5915.8 | Гайка | |
| 15 | 22388.НС125.8 | Сильфом | |
| 16 | ЭО-5122.11.23.009 | Заглушка | |
| 17 | ЭО-5122.11.23.500-1 | Кронштейн правый | |
| 18 | 11371.16 | Шайба |
Содержащиеся в справочниках-каталогах запасные части и детали не предлагаются к продаже, а носят исключительно информационный характер